电脑桌面
添加小米粒文库到电脑桌面
安装后可以在桌面快捷访问

公司6S月度报告VIP免费

公司6S月度报告_第1页
1/4
公司6S月度报告_第2页
2/4
公司6S月度报告_第3页
3/4
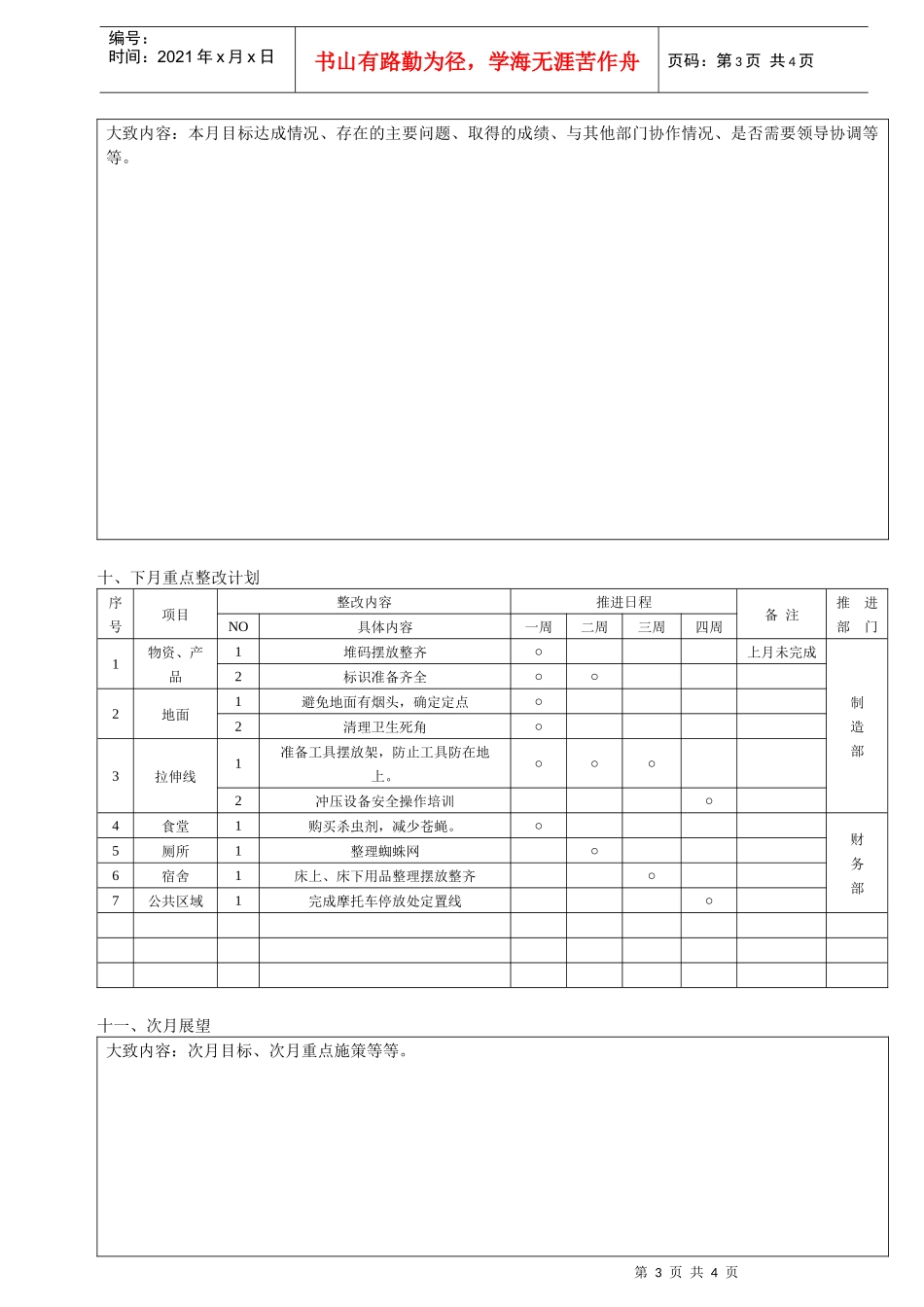
第1页共4页编号:时间:2021年x月x日书山有路勤为径,学海无涯苦作舟页码:第1页共4页一、部门当月评比部门财务部营业部品技部制造部目标得分80808080实际得分65688085达成度未达成未达成达成达成名次第四名第三名第二名第一名二、部门不合格三、不合格项目(不合格项次数:目标控制在120次内;实际次数100次。)四、制造部责任区域当月得分责任区域焊接A线焊接B线焊接C线焊接D组砂校组拉伸冲压线返修组工模组办公室目标得分808080808080808080平均得分826578808560889093达成度达成未达成未达成达成达成未达成达成达成达成名次第五名第八名第七名第六名第四名第九名第三名第二名第一名五、制造部责任区域不合格第2页共4页第1页共4页编号:时间:2021年x月x日书山有路勤为径,学海无涯苦作舟页码:第2页共4页六、制造部责任区域不合格项目(不合格项次数:目标控制在300次内;实际次数356次。)七、考核汇总财务部张三李四刘五程六王七陈八廖九合计金额(元)金额2025153010515120营业部张三李四刘五程六王七陈八廖九合计金额(元)金额3015152020105115部门营业部财务部制造部责任区域拉伸冲压线焊接B线合计金额(元)金额5050金额3030160八、奖励汇总姓名张前程可王武陈越廖雪吴利谭兵黄铃合计金额(元)金额3030303030303030240部门制造部制造部责任区域工模组返修组合计金额(元)金额100金额10050250九、本月小结第3页共4页第2页共4页编号:时间:2021年x月x日书山有路勤为径,学海无涯苦作舟页码:第3页共4页大致内容:本月目标达成情况、存在的主要问题、取得的成绩、与其他部门协作情况、是否需要领导协调等等。十、下月重点整改计划序号项目整改内容推进日程备注推进部门NO具体内容一周二周三周四周1物资、产品1堆码摆放整齐○上月未完成制造部2标识准备齐全○○2地面1避免地面有烟头,确定定点○2清理卫生死角○3拉伸线1准备工具摆放架,防止工具防在地上。○○○2冲压设备安全操作培训○4食堂1购买杀虫剂,减少苍蝇。○财务部5厕所1整理蜘蛛网○6宿舍1床上、床下用品整理摆放整齐○7公共区域1完成摩托车停放处定置线○十一、次月展望大致内容:次月目标、次月重点施策等等。第4页共4页第3页共4页编号:时间:2021年x月x日书山有路勤为径,学海无涯苦作舟页码:第4页共4页编制:(6S组长)十二、总评副总经理:签名:总经理:签名:

1、当您付费下载文档后,您只拥有了使用权限,并不意味着购买了版权,文档只能用于自身使用,不得用于其他商业用途(如 [转卖]进行直接盈利或[编辑后售卖]进行间接盈利)。
2、本站所有内容均由合作方或网友上传,本站不对文档的完整性、权威性及其观点立场正确性做任何保证或承诺!文档内容仅供研究参考,付费前请自行鉴别。
3、如文档内容存在违规,或者侵犯商业秘密、侵犯著作权等,请点击“违规举报”。

碎片内容

公司6S月度报告

您可能关注的文档

确认删除?
VIP
微信客服
  • 扫码咨询
会员Q群
  • 会员专属群点击这里加入QQ群
客服邮箱
回到顶部