电脑桌面
添加小米粒文库到电脑桌面
安装后可以在桌面快捷访问

建筑工程创杯施工质量评分样张VIP免费

建筑工程创杯施工质量评分样张_第1页
1/24
建筑工程创杯施工质量评分样张_第2页
2/24
建筑工程创杯施工质量评分样张_第3页
3/24
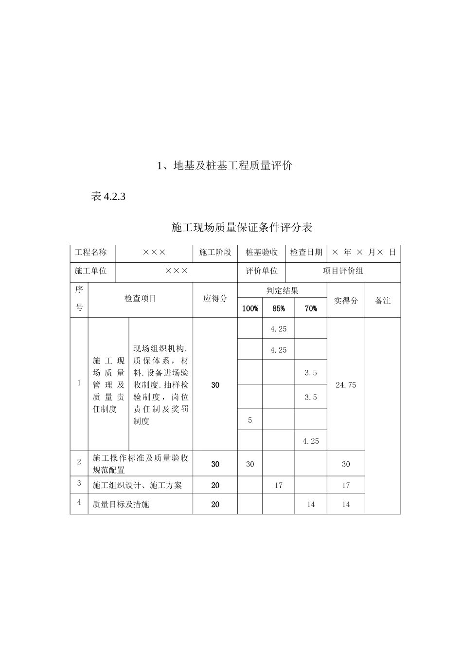
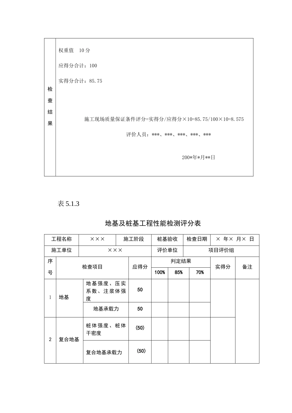
建筑工程施工质量评定标准GB/T50375-2006综合评分样张制样人:李柏铨1、地基及桩基工程质量评价表4.2.3施工现场质量保证条件评分表工程名称×××施工阶段桩基验收检查日期×年×月×日施工单位×××评价单位项目评价组序号检查项目应得分判定结果实得分备注100%85%70%1施工现场质量管理及质量责任制度现场组织机构.质保体系,材料.设备进场验收制度.抽样检验制度,岗位责任制及奖罚制度304.2524.754.253.53.554.252施工操作标准及质量验收规范配置3030303施工组织设计、施工方案2017174质量目标及措施201414检查结果权重值10分应得分合计:100实得分合计:85.75施工现场质量保证条件评分=实得分/应得分×10=85.75/100×10=8.575评价人员:***、***、***、***、***200*年*月**日表5.1.3地基及桩基工程性能检测评分表工程名称×××施工阶段桩基验收检查日期×年×月×日施工单位×××评价单位项目评价组序号检查项目应得分判定结果实得分备注100%85%70%1地基地基强度、压实系数、注浆体强度50地基承载力502复合地基桩体强度、桩体干密度(50)复合地基承载力(50)3桩基单桩竖向抗压承载力(50)√92.5桩身完整性(50)√检查结果权重值35分应得分合计:100分实得分合计:92.5分地基及桩基工程性能检测评分=实得分/应得分×35=92.5/100×35=32.375评价人员:***、***、***、***2008年3月10日表5.2.3地基及桩基工程质量记录评分表工程名称×××施工阶段桩基验收检查日期×年×月×日施工单位×××评价单位项目评价组序号检查项目应得分判定结果实得分备注100%85%70%1材料、预制桩合格证(出厂试验报告)及进场验收记录材料合格证(出厂试验报告)及进场验收记录及钢筋、水泥复试报告3021预制桩合格证(出厂试验报告)及进场验收报告(30)√2施工记录地基处理、验槽、钎探施工记录307+17+8.5预制桩接头施工记录(10)√打(压)桩试桩记录及施工记录(20)√灌注桩成孔、钢筋笼、混凝土灌注检查记录及施工记录(30)检验批、分项、分部(子分部)工程质量验收记录10√检查结果权重值10分应得分合计:100实得分合计:83.5地基及桩基工程质量记录评分=实得分/应得分×35=83.5/100×35=29.225评价人员:***、***、***、***2008年3月10日表5.3.3地基及桩基工程尺寸偏差及限实测评分表工程名称×××施工阶段桩基验收检查日期×年×月×日施工单位×××评价单位项目评价组序号检查项目应得分判定结果实得分备注100%85%70%1天然地基标高及基槽宽度偏差1002复合地基桩位偏差(100)3打(压)桩桩位偏差(100)√704灌注桩桩位偏差(100)检查结果权重值15分应得分合计:100实得分合计:70地基及桩基工程尺寸偏差及限实测评分=实得分/应得分×15=70/100×15=10.5评价人员:***、***、***、***200*年*月**日表5.4.3地基及桩基工程观感质量评分表工程名称╳╳╳施工阶段桩基验收检查日期×年×月×日施工单位×××评价单位项目评价组序号检查项目应得分判定结果实得分备注100%85%70%1地基、复合地基标高、表面平整、边坡1002桩基桩头、桩顶标高、场地平整(100)√70检查结果权重值5分应得分合计:100实得分合计:70地基及桩基工程观感质量评分=实得分/应得分×5=70/100×5=3.5评价人员:***、***、***、***200*年*月**日表10.3.1地基及桩基工程质量各项目评价得分汇总表序号检查项目地基及桩基工程结构工程(含地下防水层)屋面工程装饰装修工程安装工程合计备注1现场质量保证条件8.52性能检测32.3753质量记录29.2254尺寸偏差及限值实测10.55观感质量3.5合计84.12、结构工程质量评价表4.2.3施工现场质量保证条件评分表工程名称×××施工阶段主体结构验收检查日期×年×月×日施工单位×××评价单位项目评价组序号检查项目应得分判定结果实得分备注100%85%70%1施工现场质量管理及质量责任制度现场组织机构.质保体系,材料.设备进场验收制度.抽样检验制度,岗位责任制及奖罚制度304.2524.754.253.53.554.252施工操作标准及质量验收规范配置3030303施工组织设计、施工方案2017174质量目标及措施201414检查结果权重值10分应得分合计:100实得分合计:85.75施工现场质量保证条件评分=实得分/应得分×10=85.75/100×10=8.575评价人...

1、当您付费下载文档后,您只拥有了使用权限,并不意味着购买了版权,文档只能用于自身使用,不得用于其他商业用途(如 [转卖]进行直接盈利或[编辑后售卖]进行间接盈利)。
2、本站所有内容均由合作方或网友上传,本站不对文档的完整性、权威性及其观点立场正确性做任何保证或承诺!文档内容仅供研究参考,付费前请自行鉴别。
3、如文档内容存在违规,或者侵犯商业秘密、侵犯著作权等,请点击“违规举报”。

碎片内容

建筑工程创杯施工质量评分样张

墨香书阁+ 关注
实名认证
内容提供者

热爱教学事业,对互联网知识分享很感兴趣

相关文档

确认删除?
VIP
微信客服
  • 扫码咨询
会员Q群
  • 会员专属群点击这里加入QQ群
客服邮箱
回到顶部