电脑桌面
添加小米粒文库到电脑桌面
安装后可以在桌面快捷访问

室内铸铁排水管道安装施工工艺标准VIP专享VIP免费

室内铸铁排水管道安装施工工艺标准_第1页
1/6
室内铸铁排水管道安装施工工艺标准_第2页
2/6
室内铸铁排水管道安装施工工艺标准_第3页
3/6
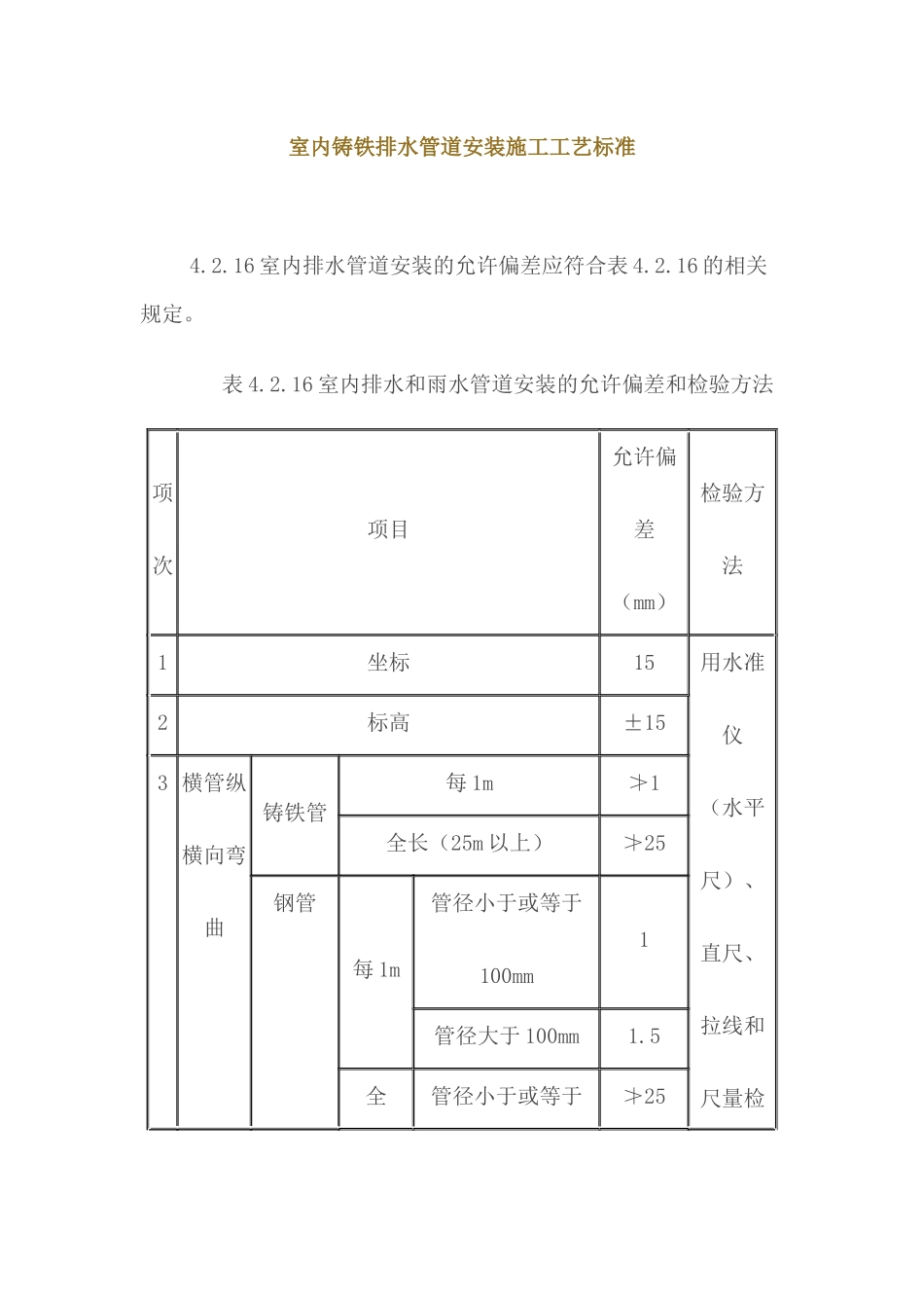
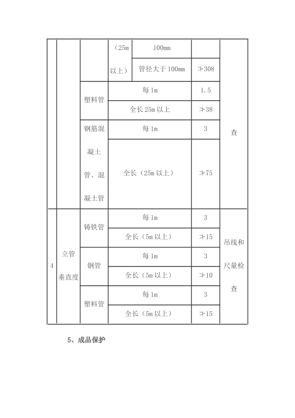
室内铸铁排水管道安装施工工艺标准4.2.16室内排水管道安装的允许偏差应符合表4.2.16的相关规定。表4.2.16室内排水和雨水管道安装的允许偏差和检验方法项次项目允许偏差(mm)检验方法1坐标15用水准仪(水平尺)、直尺、拉线和尺量检2标高±153横管纵横向弯曲铸铁管每1m≯1全长(25m以上)≯25钢管每1m管径小于或等于100mm1管径大于100mm1.5全管径小于或等于≯25(25m以上)100mm查管径大于100mm≯308塑料管每1m1.5全长25m以上≯38钢筋混凝土管、混凝土管每1m3全长(25m以上)≯754立管垂直度铸铁管每1m3吊线和尺量检查全长(5m以上)≯15钢管每1m3全长(5m以上)≯10塑料管每1m3全长(5m以上)≯155、成品保护5.1预留管口的临时丝堵不得随意打开,以防掉进杂物造成管道堵塞。5.2在回填房心土时,对已铺设好的管道上部要先用细土覆盖,并逐层夯实,不许在管道上部用蛤蟆夯等机械夯土。5.3预制好的管道要码放整齐,垫平、垫牢、不许用脚踩或物压,也不得双层平放。5.4不许在安装好的托、吊管道上搭设架子或拴吊物品,竖井内管道在每层楼板处要做型钢支架固定。5.5冬季施工捻灰口必须采取防冻措施。6、应注意的质量问题6.1立、支管距墙过远、过近,半明半暗,造成减少使用面积,维修施工不便。主要是管道安装定位不当或墙体移位。6.2排水管的插口倾斜,造成灰口漏水,原因是预留口方向不准,灰口缝隙不均匀。6.3地漏安装过高或过低,影响使用。要求根据水平线找准地坪,量准尺寸。6.4立管检查口渗、漏水。检查口堵盖必须加垫,以防渗漏。6.5卫生洁具的排水管预留口距地偏高或偏低。原因是标高没找准,或下料量尺有误。6.6排水管道坡度过小或倒坡,均影响使用效果,各种管道坡度必须按设计要求找准,如设计无要求时,可参照表6.6的要求进行安装。生活污水管道的坡度表6.6序号管径(mm)坡度标准坡度最小坡度12345650751001251502000.0350.0250.0200.0150.0100.0080.0250.0150.0120.0100.0070.0056.7排水管道穿墙、穿基础时应按图6.7安装。排出管与立管的连接宜采用两个45°弯头或弯曲半径不小于4倍管径的90°弯头,否则管道容易堵塞。规格表排出管直径(DN)50~100125~150200~250孔洞A尺寸孔洞A穿砖墙300×300240×240400×400360×360500×500490×4907、质量记录7.1材料出厂合格证及进场验收记录。7.2排水横干管预检记录。7.3排水立管预检记录。7.4排水支管预检记录。7.5排水管道灌水记录。7.6排水管道隐蔽检查记录。7.7排水系统通水记录。7.8排水立管、横干管通球记录。7.9卫生器具通水记录。7.10雨水管道预检记录。7.11预埋雨水管道试压记录。7.12雨水管道隐蔽检查记录。7.13系统灌水记录。8、安全环保措施8.1.打修楼板洞眼时,应抓紧錾子,用手锤或电锤打眼,应逐渐扩孔不得用大锤打爆破眼,孔眼下不得有人停留防止砸伤。8.2.登高作业时,下面应有人扶牢梯、凳,做好监护工作,并戴好安全帽。不准往上或向下抛丢东西,只准用绳向上吊向下系。8.3.使用电动设备时,操作者应掌握机具性能,注意电器设备安全。8.4.使用电焊工具、水焊工具、手工钨及氩弧焊机,要严格遵守安全防护措施,完善安全防护设备。

1、当您付费下载文档后,您只拥有了使用权限,并不意味着购买了版权,文档只能用于自身使用,不得用于其他商业用途(如 [转卖]进行直接盈利或[编辑后售卖]进行间接盈利)。
2、本站所有内容均由合作方或网友上传,本站不对文档的完整性、权威性及其观点立场正确性做任何保证或承诺!文档内容仅供研究参考,付费前请自行鉴别。
3、如文档内容存在违规,或者侵犯商业秘密、侵犯著作权等,请点击“违规举报”。

碎片内容

室内铸铁排水管道安装施工工艺标准

确认删除?
VIP
微信客服
  • 扫码咨询
会员Q群
  • 会员专属群点击这里加入QQ群
客服邮箱
回到顶部