电脑桌面
添加小米粒文库到电脑桌面
安装后可以在桌面快捷访问

合成高分子卷材屋面防水层施工交底记录VIP免费

合成高分子卷材屋面防水层施工交底记录_第1页
1/7
合成高分子卷材屋面防水层施工交底记录_第2页
2/7
合成高分子卷材屋面防水层施工交底记录_第3页
3/7
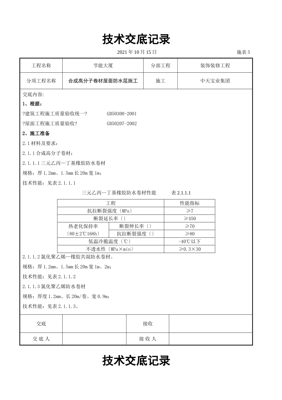
技术交底记录2021年10月15日施表5工程名称节能大厦分部工程装饰装修工程分项工程名称合成高分子卷材屋面防水层施工施工中天宝业集团交底内容:1、根据:?建筑工程施工质量验收统一?GB50300-2001?屋面工程施工质量验收?GB50207-20022、施工准备2.1材料及要求:2.1.1合成高分子卷材:2.1.1.1三元乙丙—丁基橡胶防水卷材规格:厚1.2mm、1.5mm长20m宽1m;技术性能:见表2.1.1.1三元乙丙—丁基橡胶防水卷材性能表2.1.1.1工程性能指标抗拉断裂强度〔MPa〕≥7断裂延长率〔〕≥450热老化保持率〔80±2℃168h〕断裂伸长率〔〕≥70抗拉断裂强度〔〕≥80低温冷脆温度〔℃〕-40℃以下不透水性〔MPa×min〕≥0.3×302.1.1.2氯化聚乙烯—橡胶共混防水卷材。规格:厚1.2mm、1.5mm长20m宽1m、2m;技术性能:见表2.1.1.22.1.1.3氯化聚乙烯防水卷材规格:厚度1.2mm、长20m/卷、宽0.9m;技术性能:见表2.1.1.3。交底接收交底人接收人技术交底记录2021年10月15日施表5工程名称节能大厦分部工程装饰装修工程分项工程名称合成高分子卷材屋面防水层施工施工中天宝业集团交底内容:氯化聚乙烯—橡胶共混防水卷材性能表2.1.1.2工程性能指标胶粘剂抗拉强度〔MPa〕≥7.36卷材一卷材粘结剥离强度>50N/2.5cm断裂延伸率〔〕≥450低温顺度〔℃〕-30℃以下不透水性〔MPa×min〕0.3×30氯化聚乙烯防水卷材性能表2.1.1.3工程性能指标抗拉强度〔MPa〕≥9.8断裂伸长率〔〕≥10不透水性〔MPa×h〕0.3×2耐热老化〔℃×h〕100℃×720h强度不下降耐低温〔℃〕-30℃绕ф10mm无裂纹注:合成高分子卷材应符合GB12952—91、GB12953—91、HG2402—92。并符合设计要求有出厂、复试合格的证明资料。2.1.2合成高分子防水卷材配套材料选择见表2.1.2。2.2主要机具:2.2.1电动搅拌器、高压吹风机。2.2.2铁辊、手持压漆、压子、小平铲、铁桶、汽油喷灯、剪、钢卷尺、笤帚、小线、彩色粉、粉笔。2.3作业条件:2.3.1施工前审核图纸编制屋面防水施工方案并进展技术交底。屋面防水工程必须由专业施工队持证上岗。2.3.2铺贴防水层的基层必须施工完毕并经养护、枯燥防水层施工前应将基层外表去除干净同时进展基层验收合格前方可进展防水层施工。交底接收交底人接收人技术交底记录2021年10月15日施表5工程名称节能大厦分部工程装饰装修工程分项工程名称合成高分子卷材屋面防水层施工施工中天宝业集团交底内容:合成高分子防水卷材配套材料选择表2.1.22.3.3基层坡度应符合设计要求不得有空鼓、开裂、起砂、脱皮等缺陷;基层含水率应不大于9。2.3.4防水层施工按设计要求准备好卷材及配套材料存放和操作应远离火源防止发惹事故。3、操作工艺3.1工艺流程:基层清理→涂刷基层处理剂→附加层施工→卷材与基层外表涂胶→卷材铺贴→卷材收头粘结→卷材接头封→蓄水试验→做保护层。3.2清理基层:施工防水层前将已验收合格的基层外表清扫干净。不得有浮尘、杂物等影响防水层质量的缺陷。交底接收交底人接收人技术交底记录2021年10月15日施表5配套材料三元乙丙防水卷材使用氯化聚乙烯—橡胶共混防水卷材使用氯化聚乙烯防水卷材使用1.基层处理剂聚氨酯甲、乙组份二甲苯稀释剂聚氨酯涂料稀释或水乳型涂料喷涂处理稀释粘结剂乙酸乙酯﹕汽油〔1﹕1〕2.基层胶粘剂CX-404胶CX-404胶或409胶LYX-603-3胶淡透明粘稠液体剥离强度≥20N/2.5cm3.卷材接缝胶粘剂丁基橡胶胶粘剂甲、乙组份或单组份丁基橡胶胶粘剂氯丁系胶粘剂CX-404胶CX-401胶LYX-603-2胶灰色粘调液体剥离强度25N/2.5cm4.增强封膏聚氨酯嵌缝膏〔甲、乙组份〕聚氨酯嵌缝膏聚氨酯嵌缝膏5.着色剂用于屋面着以〔银灰色〕涂料着色涂料〔银灰色〕着色涂料〔银灰色〕6.自硫化胶带丁基胶带或基他橡胶粘带工程名称节能大厦分部工程装饰装修工程分项工程名称合成高分子卷材屋面防水层施工施工中天宝业集团交底内容:3.3涂刷基层处理剂:涂布聚氨酯底胶。3.3.1聚氨酯底胶的配制:聚氨酯材料按甲﹕乙=1﹕3〔重量比〕的比例配合搅拌均匀即可进展涂布施工;也可以由聚氨酯材料按甲﹕乙﹕二甲苯=1﹕1.5﹕1.5的比例配合搅拌均匀后进展涂布施工。3.3.2涂刷聚氨酯底胶:大面积涂刷前用油漆刷蘸底胶在阴角、根、水落口等细部复...

1、当您付费下载文档后,您只拥有了使用权限,并不意味着购买了版权,文档只能用于自身使用,不得用于其他商业用途(如 [转卖]进行直接盈利或[编辑后售卖]进行间接盈利)。
2、本站所有内容均由合作方或网友上传,本站不对文档的完整性、权威性及其观点立场正确性做任何保证或承诺!文档内容仅供研究参考,付费前请自行鉴别。
3、如文档内容存在违规,或者侵犯商业秘密、侵犯著作权等,请点击“违规举报”。

碎片内容

合成高分子卷材屋面防水层施工交底记录

确认删除?
VIP
微信客服
  • 扫码咨询
会员Q群
  • 会员专属群点击这里加入QQ群
客服邮箱
回到顶部