电脑桌面
添加小米粒文库到电脑桌面
安装后可以在桌面快捷访问

园林绿化工程检验批质量验收记录(63页)VIP免费

园林绿化工程检验批质量验收记录(63页)_第1页
1/59
园林绿化工程检验批质量验收记录(63页)_第2页
2/59
园林绿化工程检验批质量验收记录(63页)_第3页
3/59
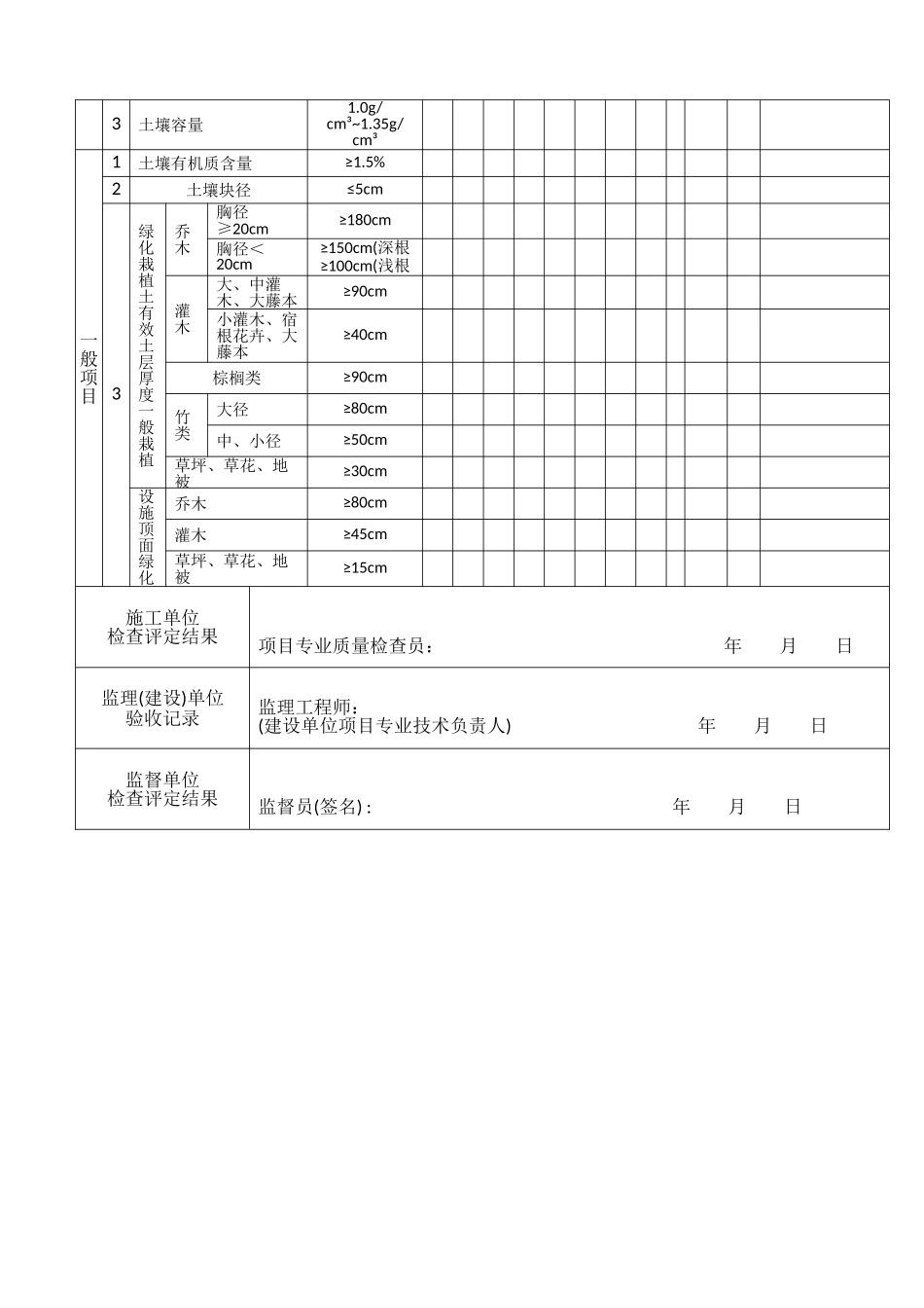
检验批质量验收记录(01-栽植土)检验批质量验收记录(02-栽植前场地清理)检验批质量验收记录(03-栽植土回填及地形造型)检验批质量验收记录(04-栽植土施肥和表层整理)检验批质量验收记录(05-栽植穴、槽)检验批质量验收记录(06-植物材料)检验批质量验收记录(06-植物材料)检验批质量验收记录(06-植物材料)检验批质量验收记录(06-植物材料)检验批质量验收记录(07-苗木运输和假植)检验批质量验收记录(08-苗木修剪)检验批质量验收记录(09-树木栽植)检验批质量验收记录(10-浇灌水)检验批质量验收记录(11-支撑)检验批质量验收记录(12-大树挖掘包装)检验批质量验收记录(13-大树吊装运输)检验批质量验收记录(14-大树栽植)检验批质量验收记录(15-草坪和草本地被播种)检验批质量验收记录(16-喷播种植)检验批质量验收记录(17-草坪和草本地被分栽)检验批质量验收记录(18-铺设草块和草卷)检验批质量验收记录(19-运动场草坪)检验批质量验收记录(20-花卉栽植)检验批质量验收记录(21-水湿生植物栽植槽)检验批质量验收记录(22-水湿生植物栽植)检验批质量验收记录(23-竹类栽植)检验批质量验收记录(24-耐根穿刺防水层)检验批质量验收记录(25-排蓄水层)检验批质量验收记录(26-过滤层)检验批质量验收记录(27-设施障碍性面层栽植基盘)检验批质量验收记录(28-设施顶面栽植)检验批质量验收记录(29-设施里面垂直绿化)检验批质量验收记录(30-树木栽植)检验批质量验收记录(31-排盐渗水管沟隔淋层开槽)检验批质量验收记录(32-排盐渗水管敷设)检验批质量验收记录(33-隔淋渗水层)检验批质量验收记录(34-施工期植物养护)检验批质量验收记录(35-碎拼花岗岩面层)检验批质量验收记录(36-卵石面层)检验批质量验收记录(37-嵌草地面)检验批质量验收记录(38-水泥花砖混凝土板块面层)检验批质量验收记录(39-侧石安装)检验批质量验收记录(40-冰梅面层)检验批质量验收记录(41-花街铺地面层)检验批质量验收记录(42-大方砖面层)检验批质量验收记录(43-压模面层)检验批质量验收记录(44-透水砖面层)检验批质量验收记录(45-小青砖(黄道砖)面层)检验批质量验收记录(46-自然块石面层)检验批质量验收记录(47-水洗石面层)检验批质量验收记录(48-假山、叠石、置石工程)检验批质量验收记录(49-水景管道安装)检验批质量验收记录(50-水景潜水泵安装)检验批质量验收记录(51-水景喷泉的喷头安装)检验批质量验收记录(52-座椅(凳)、标牌、果皮箱等安装)检验批质量验收记录(53-园林护栏)检验批质量验收记录(54-喷灌喷头安装)检验批质量验收记录(01-栽植土)检验批质量验收记录单位工程名称分项工程名称栽植土验收部位施工单位专业工长项目负责人施工执行标准名称及编号《园林绿化工程施工及验收规范》(CJJ82-2012)分包单位/分包负责人/施工班组长主控项目质量验收规范的规定施工单位检查评定结果监理(建设)单位验收记录1栽植土土壤PH植5.6~8.02土壤全盐含量0.1%~0.3%3土壤容量1.0g/cm³~1.35g/cm³一般项目1土壤有机质含量≥1.5%2土壤块径≤5cm3绿化栽植土有效土层厚度一般栽植乔木胸径≥20cm≥180cm胸径<20cm≥150cm(深根≥100cm(浅根灌木大、中灌木、大藤本≥90cm小灌木、宿根花卉、大藤本≥40cm棕榈类≥90cm竹类大径≥80cm中、小径≥50cm草坪、草花、地被≥30cm设施顶面绿化乔木≥80cm灌木≥45cm草坪、草花、地被≥15cm施工单位检查评定结果项目专业质量检查员:年月日监理(建设)单位验收记录监理工程师:(建设单位项目专业技术负责人)年月日监督单位检查评定结果监督员(签名):年月日(02-栽植前场地清理)检验批质量验收记录单位工程名称分项工程名称栽植前场地清理验收部位施工单位专业工长项目负责人施工执行标准名称及编号《园林绿化工程施工及验收规范》(CJJ82-2012)分包单位/分包负责人/施工班组长主控项目质量验收规范的规定施工单位检查评定结果监理(建设)单位验收记录1有各种管线的区域、建(构)筑物周边的整理绿化用地应完工验收合格后进行。4.1.4条第1款2现场内的渣土、废料、杂草、树根及其有害污染物应清除干净。4.1.4条第2款3对清理的废弃构筑物、工程渣土、不符合栽植土理化标准的原状土应做好测量记录、签认。4场地标高及清理程度...

1、当您付费下载文档后,您只拥有了使用权限,并不意味着购买了版权,文档只能用于自身使用,不得用于其他商业用途(如 [转卖]进行直接盈利或[编辑后售卖]进行间接盈利)。
2、本站所有内容均由合作方或网友上传,本站不对文档的完整性、权威性及其观点立场正确性做任何保证或承诺!文档内容仅供研究参考,付费前请自行鉴别。
3、如文档内容存在违规,或者侵犯商业秘密、侵犯著作权等,请点击“违规举报”。

碎片内容

园林绿化工程检验批质量验收记录(63页)

您可能关注的文档

墨香书阁+ 关注
实名认证
内容提供者

热爱教学事业,对互联网知识分享很感兴趣

确认删除?
VIP
微信客服
  • 扫码咨询
会员Q群
  • 会员专属群点击这里加入QQ群
客服邮箱
回到顶部