电脑桌面
添加小米粒文库到电脑桌面
安装后可以在桌面快捷访问

利用数字电位计AD5292构建30 V低成本DACVIP免费

利用数字电位计AD5292构建30 V低成本DAC_第1页
1/21
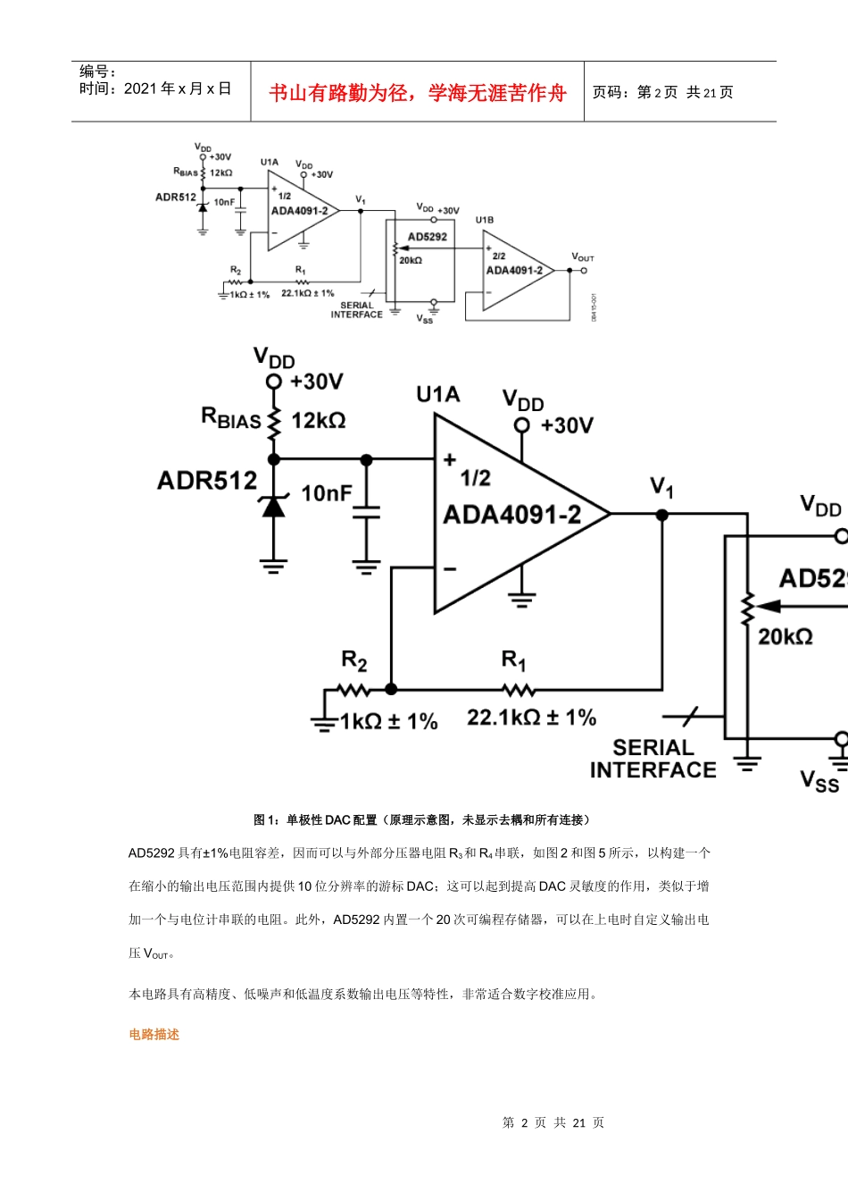
利用数字电位计AD5292构建30 V低成本DAC_第2页
2/21
利用数字电位计AD5292构建30 V低成本DAC_第3页
3/21
第1页共21页编号:时间:2021年x月x日书山有路勤为径,学海无涯苦作舟页码:第1页共21页利用数字电位计AD5292构建30V低成本DAC(CN0111)电路功能与优势图1所示电路采用digiPOT+系列数字电位计AD5292、双通道运算放大器ADA4091-2和基准电压源ADR512,提供一种低成本、高电压、单极性DAC。该电路提供10位分辨率,输出电压范围为0V至30V,能够提供最高±20mA的输出电流。AD5292可以通过SPI兼容型串行接口编程。第2页共21页第1页共21页编号:时间:2021年x月x日书山有路勤为径,学海无涯苦作舟页码:第2页共21页图1:单极性DAC配置(原理示意图,未显示去耦和所有连接)AD5292具有±1%电阻容差,因而可以与外部分压器电阻R3和R4串联,如图2和图5所示,以构建一个在缩小的输出电压范围内提供10位分辨率的游标DAC;这可以起到提高DAC灵敏度的作用,类似于增加一个与电位计串联的电阻。此外,AD5292内置一个20次可编程存储器,可以在上电时自定义输出电压VOUT。本电路具有高精度、低噪声和低温度系数输出电压等特性,非常适合数字校准应用。电路描述第3页共21页第2页共21页编号:时间:2021年x月x日书山有路勤为径,学海无涯苦作舟页码:第3页共21页图1所示电路采用数字电位计AD5292、基准电压源ADR512和运算放大器ADA4091-2,提供一种10位、低成本、高电压DAC。本电路可保证单调性,微分非线性(DNL)为±1LSB,积分非线性典型值为±2LSB。高压稳压器由低压基准电压源和后接的同相放大器组成,该放大器的增益由R1与R2的比值决定。1.200V基准电压源ADR512具有低温度漂移、高精度和超低噪声性能。确保ADR512最小工作电流的最大电阻值由公式1确定。在图1和图2中,RBIAS电阻为12kΩ,可将ADR512的偏置电流设置为2.4mA。第4页共21页第3页共21页编号:时间:2021年x月x日书山有路勤为径,学海无涯苦作舟页码:第4页共21页第5页共21页第4页共21页编号:时间:2021年x月x日书山有路勤为径,学海无涯苦作舟页码:第5页共21页图2:通过缩小输出电压范围并利用游标DAC来提高精度(原理示意图,未显示去耦和所有连接)ADA4091-2是一款运算放大器,具有低失调电压和轨到轨输出。ADR512与ADA4091配合使用,可提供低温度系数和低噪声输出电压。电阻R1和R2用来调整放大器的增益。U1A的输出电压V1决定DAC的最大输出电压(VOUT)范围。可以用公式2计算电阻值。图1中,所选电阻值可提供23.1的增益和27.72V的V1值。可以用该电压为其它电路供电,最大输出电流为17mA。第6页共21页第5页共21页编号:时间:2021年x月x日书山有路勤为径,学海无涯苦作舟页码:第6页共21页图3和图4分别显示典型的积分非线性(INL)和微分非线性(DNL)曲线。在图1所示配置中,AD5292采用比率式工作方式,这意味着总电阻容差的变化不会影响性能。第7页共21页第6页共21页编号:时间:2021年x月x日书山有路勤为径,学海无涯苦作舟页码:第7页共21页第8页共21页第7页共21页编号:时间:2021年x月x日书山有路勤为径,学海无涯苦作舟页码:第8页共21页第9页共21页第8页共21页编号:时间:2021年x月x日书山有路勤为径,学海无涯苦作舟页码:第9页共21页图3:INL与DAC码的关系第10页共21页第9页共21页编号:时间:2021年x月x日书山有路勤为径,学海无涯苦作舟页码:第10页共21页第11页共21页第10页共21页编号:时间:2021年x月x日书山有路勤为径,学海无涯苦作舟页码:第11页共21页第12页共21页第11页共21页编号:时间:2021年x月x日书山有路勤为径,学海无涯苦作舟页码:第12页共21页图4:DNL与DAC码的关系为改善电路精度,可以用两个外部电阻降低AD5292上的基准电压,如图5所示,由此便可在有限的电压范围内提供全部10位分辨率(游标DAC)。数字电位计通常具有±20%的端到端电阻容差误差,由于数第13页共21页第12页共21页编号:时间:2021年x月x日书山有路勤为径,学海无涯苦作舟页码:第13页共21页字电位计与外部电阻之间存在匹配误差,因此会影响电路精度。AD5292则具有业界领先的±1%电阻容差性能,有助于克服电阻匹配误差问题。第14页共21页第13页共21页编号:时间:2021年x月x日书山有路勤为径,学海无涯苦作舟页码:第14页共21页第15页共21页...

1、当您付费下载文档后,您只拥有了使用权限,并不意味着购买了版权,文档只能用于自身使用,不得用于其他商业用途(如 [转卖]进行直接盈利或[编辑后售卖]进行间接盈利)。
2、本站所有内容均由合作方或网友上传,本站不对文档的完整性、权威性及其观点立场正确性做任何保证或承诺!文档内容仅供研究参考,付费前请自行鉴别。
3、如文档内容存在违规,或者侵犯商业秘密、侵犯著作权等,请点击“违规举报”。

碎片内容

利用数字电位计AD5292构建30 V低成本DAC

精品中小学文档+ 关注
实名认证
内容提供者

精品资料,值得下载

相关文档

确认删除?
VIP
微信客服
  • 扫码咨询
会员Q群
  • 会员专属群点击这里加入QQ群
客服邮箱
回到顶部