电脑桌面
添加小米粒文库到电脑桌面
安装后可以在桌面快捷访问

屋面工程施工质量监理实施细则VIP免费

屋面工程施工质量监理实施细则_第1页
1/7
屋面工程施工质量监理实施细则_第2页
2/7
屋面工程施工质量监理实施细则_第3页
3/7
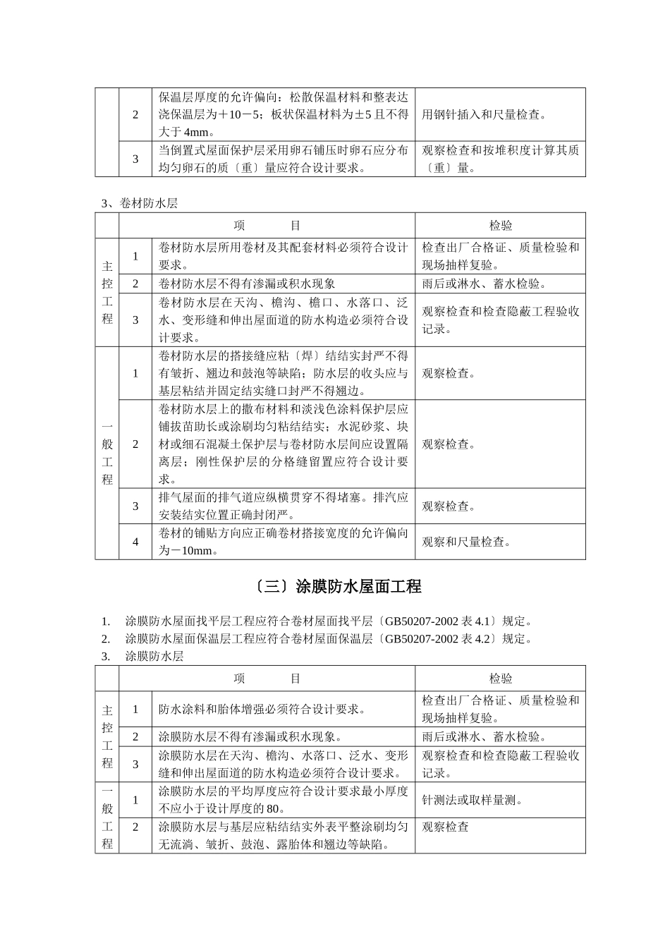
屋面工程施工质量监理施行细那么〔一〕根本规定1.屋面工程应根据建筑物的性质、重要程度、使用功能要求以及防水层合理使用年限按不同等级进展设防并应符合下表要求。屋面防水等级和设防要求工程屋面防水等级ⅠⅡⅢⅣ建筑物类别特别重要或对防水有特殊要求的建筑重要的建筑和高层建筑一般的建筑非永久性的建筑防水层合理使用年限25年15年10年5年防水层选用材料宜选用合成高分子防水卷材、高聚物改性沥青防水卷材、金属板材、合成高分子防水涂料、细石混凝土等材料宜选用高聚物改性沥青防水卷材、合成高分子防水卷材、金属板材、合成高分子防水涂料、高聚物改性沥青防水涂料、细石混凝土、平瓦、油毡瓦等材料宜选用三毡四油沥青防水卷材、高聚物改性沥青防水卷材、合成高分子防水卷材、金属板材、高聚物改性沥青防水涂料、合成高分子防水涂料、细石混凝土、平瓦、油毡瓦等材料可选用二毡三油沥青防水卷材、高聚物改性沥青防水涂料等材料设防要求三道或三道以上防水设防二道防水设防一道防水设防一道防水设防2.屋面工程应根据工程特点、地区自然条件等按照屋面防水等级的设防要求进展防水构造设计重要部位应有详图;对屋面保温层的厚度应通过计算确定。3.屋面工程施工前施工应进展图纸会审并应编制屋面工程施工方案或技术措施。4.屋面工程施工时应建立各道工序的自检、交接检和专职人员检查的“三检〞制度并有完好的检查记录。每道工序完成应经监理〔或建立〕检查验收合格前方可进展下道工序的施工。5.屋面工程的防水层应由经资质审查合格的防水专业队伍进展施工。作业人员应持有当地建立行政主部门颁发的上岗证。6.屋面工程所采用的防水、保温隔热材料应有合格证书和性能检测材料的品种、规格、性能等应符合现行和设计要求。材料进场后应按GB50207-2002附录A、附录B的规定抽样复验并提出试验;不合格的材料不得在屋面工程中使用。7.伸出屋面的道、设备或预埋件等应在防水层施工前安装完毕。层面防水层完工后不得在其上凿孔打洞或重物冲击。8.屋面工程完工后应按本的有关规定对细部构造、接缝、保护层等进展外观检验并应进展淋水或蓄水检验。9.屋面的保温层和防水层严禁在雨天、雪天和五级风及其以上时施工。施工环境气温宜符合下表的要求。10.屋面工程各子分部工程和分项工程的划分应符合下表的要求。屋面工程各子分部工程和分项工程的划分分部工程子分部工程分项工程屋面工程卷材防水屋面保温层找平层卷材防水层细部构造涂膜防水屋面保温层找平层涂膜防水层细部构造刚性防水屋面细石混凝土防水层封材料嵌缝细部构造瓦屋面平瓦屋面油毡瓦屋面金属板材屋面细部构造隔热屋面架空屋面蓄水屋面种植屋面11.屋面工程各分项工程的施工质量检验批量应符合以下规定:1卷材防水屋面、涂膜防水屋面、刚性防水屋面、瓦屋面和隔热屋面工程应按屋面面积每100m2抽查一处每处10m2且不得少于3处。2接缝封防水每50m应抽查一处每处5m且不得少于3处。3细部构造根据分项工程的内容应全部进展检查。〔二〕卷材防水屋面工程1、屋面找平层项目检验主控工程1找平层的材料质量及配合比必须符合设计要求。检查出厂合格证、质量检验和计量措施。2屋面〔含天沟、檐沟〕找平层的排水坡度必须符合设计要求。用程度仪〔程度尺〕、拉线和尺量检查。一般工程1基层与突出屋面构造的交接处和基层的转角处均应做成圆弧形且整齐平顺。观察和尺量检查。2水泥砂浆、细石混凝土找平层应平整、压光不得有酥松、起砂、起皮现象;沥青砂浆找平层不得有拼命拌合不匀、蜂窝现象。观察检查。3找平层分格缝的位置和间距应符合设计要求。观察和尺量检查。4找平层外表平整度允许偏向为5mm用2m靠尺和楔形塞尺检查2、屋面保温层项目检验主控工程1保温材料的堆积度、导热系数以及板材的强度、吸水率必须符合设计要求。检查出厂合格证、质量检验和现场抽样复验。2保温层的含水率必须符合设计要求。检查现场抽样检验。一般工程1保温层的铺设应符合以下要求:1.松散保温材料:分层铺设压实适当外表平整找坡正确。2.板状保温材料:紧贴〔靠〕基层铺平垫稳拼缝严找坡正确。3.整表达浇保温层:拌合均匀分层铺设压实适当外表平整找坡正确。观察检...

1、当您付费下载文档后,您只拥有了使用权限,并不意味着购买了版权,文档只能用于自身使用,不得用于其他商业用途(如 [转卖]进行直接盈利或[编辑后售卖]进行间接盈利)。
2、本站所有内容均由合作方或网友上传,本站不对文档的完整性、权威性及其观点立场正确性做任何保证或承诺!文档内容仅供研究参考,付费前请自行鉴别。
3、如文档内容存在违规,或者侵犯商业秘密、侵犯著作权等,请点击“违规举报”。

碎片内容

屋面工程施工质量监理实施细则

墨香书阁+ 关注
实名认证
内容提供者

热爱教学事业,对互联网知识分享很感兴趣

确认删除?
VIP
微信客服
  • 扫码咨询
会员Q群
  • 会员专属群点击这里加入QQ群
客服邮箱
回到顶部