电脑桌面
添加小米粒文库到电脑桌面
安装后可以在桌面快捷访问

建筑材料试验报告VIP免费

建筑材料试验报告_第1页
1/65
建筑材料试验报告_第2页
2/65
建筑材料试验报告_第3页
3/65
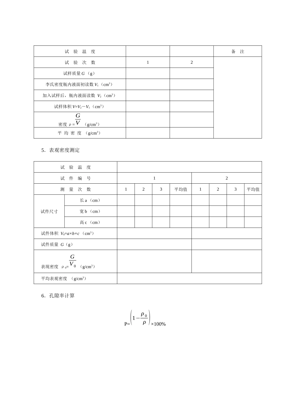
建筑材料试验报告建筑材料学习指导书函授建材复习提纲普通粘土砖试验试验日期:年月日一、试验记录:1.抗压强度测定本组计算加荷速度:kN/S试件编号尺寸(mm)受压面积F(mm2)破坏荷载P(kN)抗压强度R压(MPa)备注长l宽b12345平均值最小值2.抗折强度测定本组计算加荷速度:kN/S试件编号尺寸(mm)破坏荷载P(kN)抗折强度R折(MPa)备注跨距L宽b厚h12345平均值最小值3.根据标准,本试件标号可定为号。4.密度测定试验温度备注试验次数12试样质量G(g)李氏密度瓶内液面初读数V1(cm3)加入试样后,瓶内液面读数V2(cm3)试样体积V=V2-V1(cm3)密度ρ=GV(g/cm3)平均密度(g/cm3)5.表观密度测定试验温度试件编号12测量次数123平均值123平均值试件尺寸长a(cm)宽b(cm)高c(cm)试件体积V0=a×b×c(cm3)试件质量G(g)表现密度ρ0=GV0(g/cm3)平均表观密度(g/cm3)6.孔隙率计算P=(1−ρ0ρ)×100%二、讨论题:1.砖的抗压试件是如何制作的?为什么要如此制作?2.试述压力试验机正确操作的主要步骤。水泥试验试验日期:年月日试验室温度:水泥品种:制造厂名:原注标号:出厂日期:一、试验记录:1.水泥标准稠度用水量测定试样质量G(g)备注不变水量法用水(ml)P=33.4-0.185S试锥下沉深度S(mm)标准稠度用水量P(%)2.安定性检验试样质量G(g)备注标准稠度用水量P(%)试饼外观检查第一块试饼第二块试饼结果评定3.水泥净浆凝结时间测定试样质量G(g)备注标准稠度用水量P(%)加水时间hmin初凝到达时间hmin终凝到达时间hmin初凝时间hmin终凝时间hmin结果评定hmin4.水泥细度测定试验方法水筛法备注试样质量G(g)烘干后筛余物质量G1(g)筛余百分数(%)结果评定5.强度测试1)试件准备试件成型日期年月日成型三条试件所需材料水泥(g)标准砂(g)水(ml)水灰比试件测量日期年月日试件养护令期(d)2)抗折强度测定加荷速度:kN/S编号试件尺寸(mm)破坏荷载P(kN)抗折强度R折(MPa)抗折强度平均值(MPa)备注宽b高h跨距L1233)抗压强度测定加荷速度:kN/S编号受压面积F(mm2)破坏荷载P(kN)抗压强度R压(MPa)抗压强度平均值(MPa)备注4)按照标准,试样标号定为号。二、讨论题:1.为什么要测定标准稠度用水量?2.决定水泥标号时,对所测得强度数值应如何处理?3.本次试验中,水泥哪几项技术指标不合格,即视为废品?砂子试验试验日期:年月日一、试验记录:1.堆积密度测定试验次数12备注容量简重量G1(kg)容量简装砂产总重量G2(kg)容量简容积V(L)堆积密度ρ0'(kg/L)堆积密度平均值(kg/L)2.表观密度测定试验次数12备注烘干砂样质量G0(g)ρ0=G0G0+G2−G1容量瓶装水至瓶颈刻度线时质量G2(g)容量瓶装砂后,装水至瓶颈刻度线时总质量G1(g)表观密度ρ0(g/cm3)表观密度平均值(g/cm3)3.空隙率计算:P=(1−ρ0'ρ0)×100%=4.筛分析试验烘干砂样质量(g)筛分结果细度模数计算筛孔尺寸(mm)分计筛余累计筛余%Mx=(A2+A3+A4+A5+A6)−5A1100−A1g%10.005.002.501.250.630.3150.16筛底结果评定按Mx分级级配属区级配情况备注二、讨论题:1.当某一筛上的分计筛余量超过200克时,应如何处理?为什么?2.为什么要称量0.16mm筛的通过量?石子试验试验日期:年月日一、试验记录:1.堆积密度测定试验次数12备注容量简重量G1(kg)容量简装石子总重量G2(kg)容量简容积V(L)堆积密度ρ0'(kg/L)堆积密度平均值(kg/L)2.表观密度测定试验次数12备注烘干石子试样质量G0(g)ρ0=G0G0+G2−G1石子、玻璃板、瓶和水的总质量G1(g)水、玻璃板和瓶的总质量G2(g)表观密度ρ0(g/cm3)表观密度平均值(g/cm3)3.空隙率计算:P=(1−ρ0'ρ0)×100%=4.筛分析试验烘干石子试样质量(kg)备注筛分结果结果评定筛孔尺寸(mm)分计筛余累计筛余%最大粒径(mm)g%级配情况筛底二、讨论题:1.怎样决定石子最大粒径?试以试验结果为例说明。2.影响石子堆积密度测定结果的主要因素是什么?普通混凝土配合比设计试验日期:年月日一、混凝土配合比设计要求和原材料性质:配合比设计要求混凝土强度等级坍落度(mm)原材料性质水泥品种出厂日期标号...

1、当您付费下载文档后,您只拥有了使用权限,并不意味着购买了版权,文档只能用于自身使用,不得用于其他商业用途(如 [转卖]进行直接盈利或[编辑后售卖]进行间接盈利)。
2、本站所有内容均由合作方或网友上传,本站不对文档的完整性、权威性及其观点立场正确性做任何保证或承诺!文档内容仅供研究参考,付费前请自行鉴别。
3、如文档内容存在违规,或者侵犯商业秘密、侵犯著作权等,请点击“违规举报”。

碎片内容

建筑材料试验报告

您可能关注的文档

确认删除?
VIP
微信客服
  • 扫码咨询
会员Q群
  • 会员专属群点击这里加入QQ群
客服邮箱
回到顶部