电脑桌面
添加小米粒文库到电脑桌面
安装后可以在桌面快捷访问

基于PLC的脉冲反吹袋式除尘器自控系统研制VIP免费

基于PLC的脉冲反吹袋式除尘器自控系统研制_第1页
1/5
基于PLC的脉冲反吹袋式除尘器自控系统研制_第2页
2/5
基于PLC的脉冲反吹袋式除尘器自控系统研制_第3页
3/5
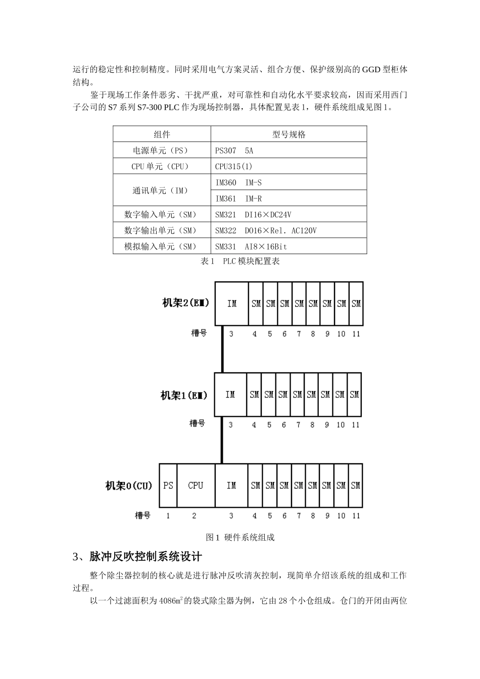
本文由【中文word文档库】www.wordwendang.com搜集整理。中文word文档库免费提供海量教学资料、行业资料、范文模板、应用文书、考试学习和社会经济等word文档脉冲反吹袋式除尘器自控系统研制崔跃华吴秋瑞常宇健(石家庄铁道学院电气工程分院石家庄050043)[摘要]根据国内钢铁行业除尘环保设备的现状和工艺要求,针对广泛应用的脉冲反吹袋式除尘器,采用高性能可编程序控制器实现其运行控制。本文主要介绍了PLC系统的数字量输出矩阵的实现和脉冲反吹控制的方法,并简单介绍了本系统的优点。[关键词]PLC脉冲反吹袋式除尘器DEVELOPMENTOFTHEOPPOSITE-BLOWINGPULSEPACKETTYPEDUSTPRECIPITATORCONTROLSYSTEMCuiYuehua,WuQiurui,ChangYujian(SchoolofElectricalEngineering,ShijiazhuangRailwayInstitute,Shijiazhuang050043,China)Abstract:Accordingtothecurrentsituationofthedustremovingplantandtechnologicalrequirementofthedomesticsteelindustry,aimattheopposite-blowingpulsepackettypedustprecipitatorthatemployextensively,adopthighperformancePLCtorealizetheoperationcontrol.ThistexthasmainlyintroducedtherealizationofthedigitaloutputmatrixofPLCsystemandthemethodofopposite-blowingpulsecontrol,andhasintroducedtheadvantageofthissystembriefly.Keywords:PLCOpposite-blowingpulsePackettypedustprecipitator1、前言随着我国工业化进程的不断加快,环境问题已经成为关系到人类前途和命运的尖锐而敏感的问题。国内外的环保产品市场也日益扩大,2000年全球环境市场贸易额已达到5610亿美元,并以每年7.5%的速度增长。钢铁企业是我国经济的命脉,但该行业的粉尘、大气污染也成为了重要的污染源。因此粉尘污染的处理直接关系到钢铁行业的根源处理。在我国钢铁行业的环保技术中,比较成熟的除尘技术主要有袋式除尘、电除尘以及湿法压迫洗涤除尘等,其中,袋式除尘尤其适合应用于钢铁厂上料、出铁等场合,具有工作效率高、运行成本低、工作安全、除尘效果好等优点,是目前国内外钢铁行业的首选除尘设备。但该除尘系统一直存在着控制工艺复杂、自动化程度较高等问题,采用传统继接控制方式,已经很难达到控制要求。2、系统结构整个系统开发过程中的中心指导思想就是先进性和可靠性。中心控制室负责集中监视,同时还可对现场设备进行操作和控制。现场控制器采用高性能的可编程序控制器(PLC)作为中心控制单元,实现对所有现场模拟信号和数字信号的采集、处理和控制,保证现场设备运行的稳定性和控制精度。同时采用电气方案灵活、组合方便、保护级别高的GGD型柜体结构。鉴于现场工作条件恶劣、干扰严重,对可靠性和自动化水平要求较高,因而采用西门子公司的S7系列S7-300PLC作为现场控制器,具体配置见表1,硬件系统组成见图1。组件型号规格电源单元(PS)PS3075ACPU单元(CPU)CPU315(1)通讯单元(IM)IM360IM-SIM361IM-R数字输入单元(SM)SM321DI16×DC24V数字输出单元(SM)SM322DO16×Rel.AC120V模拟输入单元(SM)SM331AI8×16Bit表1PLC模块配置表图1硬件系统组成3、脉冲反吹控制系统设计整个除尘器控制的核心就是进行脉冲反吹清灰控制,现简单介绍该系统的组成和工作过程。以一个过滤面积为4086m2的袋式除尘器为例,它由28个小仓组成。仓门的开闭由两位三通的电磁阀控制一个汽缸来实现,称之为离线阀。每个仓内有6个电磁阀,称之为脉冲阀,每个脉冲阀下带15条滤袋,当烟气通过除尘器的一系列直筒滤尘袋时灰尘附着在滤尘袋的外表壁。常见的离线脉冲反吹控制的工作原理为:首先关闭第一个小仓,即切断正向风机的引力,仓内脉冲阀以0.1秒到0.2秒(连续可调)的脉宽依次动作进行反吹,吹落吸附的灰尘,完成本仓所有喷吹后打开第一个小仓,继续进行过滤。同时,关闭第二个小仓,第二个小仓内脉冲阀再次以0.1秒到0.2秒的脉宽依次动作进行反吹。依此类推,完成所有仓室的脉冲阀反吹,重新开始下一循环。整个清灰控制采用定时控制。脉冲阀的动作既可手动也可自动,手动时可任意单个控制。系统正常运行时清灰为自动连续循环清灰,两喷吹管清灰间隔设为固定时间,清灰间隔可...

1、当您付费下载文档后,您只拥有了使用权限,并不意味着购买了版权,文档只能用于自身使用,不得用于其他商业用途(如 [转卖]进行直接盈利或[编辑后售卖]进行间接盈利)。
2、本站所有内容均由合作方或网友上传,本站不对文档的完整性、权威性及其观点立场正确性做任何保证或承诺!文档内容仅供研究参考,付费前请自行鉴别。
3、如文档内容存在违规,或者侵犯商业秘密、侵犯著作权等,请点击“违规举报”。

碎片内容

基于PLC的脉冲反吹袋式除尘器自控系统研制

您可能关注的文档

墨香书阁+ 关注
实名认证
内容提供者

热爱教学事业,对互联网知识分享很感兴趣

确认删除?
VIP
微信客服
  • 扫码咨询
会员Q群
  • 会员专属群点击这里加入QQ群
客服邮箱
回到顶部