电脑桌面
添加小米粒文库到电脑桌面
安装后可以在桌面快捷访问

增强水泥聚苯复合板外墙内保温监理实施细则VIP免费

增强水泥聚苯复合板外墙内保温监理实施细则_第1页
1/7
增强水泥聚苯复合板外墙内保温监理实施细则_第2页
2/7
增强水泥聚苯复合板外墙内保温监理实施细则_第3页
3/7
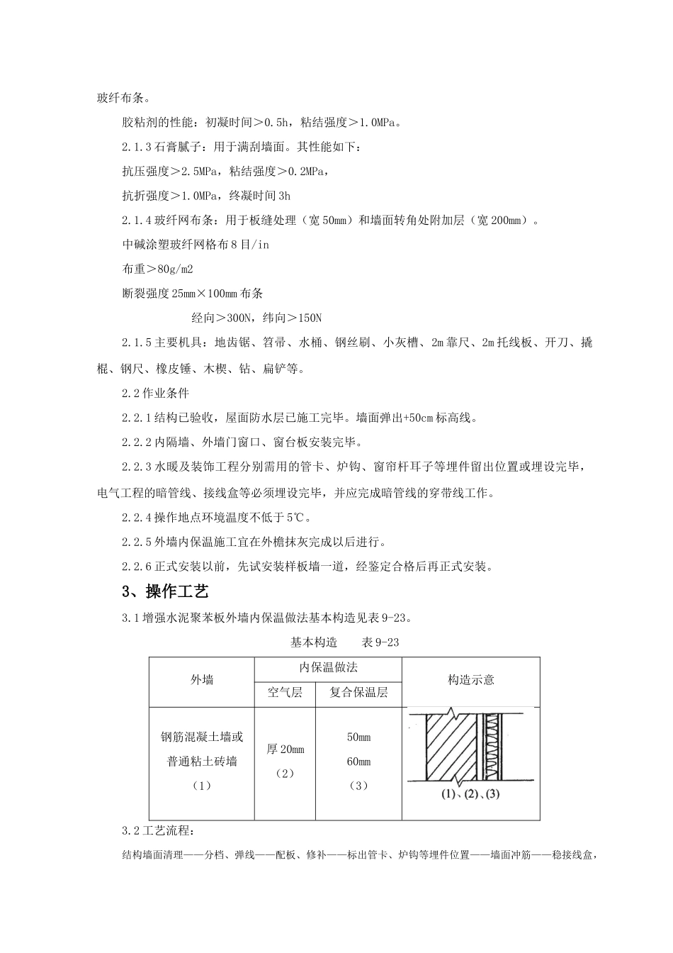
0338增强水泥(GRC)聚苯复合板外墙内保温监理实施细则依据标准:《建筑工程施工质量验收统一标准》GB50300-2001《建筑装饰装修工程施工质量验收规范》GB50210-20011、范围本工艺标准主要适用于居住建筑,也可用于托幼、医疗等使用功能与居住建筑相近的民用建筑。外墙主体结构一般为粘土砖墙或钢筋混凝土墙,内侧为增强水泥(GRC)聚苯复合板的工程。2、施工准备2.1材料及主要机具:2.1.1增强水泥(GRC)聚苯复合保温板:增强水泥聚苯复合保温板是以硫铝酸盐水泥为胶结料,掺适量的珍珠岩,加水制成浆料,用玻璃纤维网格布增强,与自熄性聚苯复合浇筑而成。规格尺寸:长2400~2700mm,宽595mm,厚50mm、60mm。技术性能:面密度≤30kg/m2,含水率≤15%,当量热阻≥0.8m2·k/W,软化系数≥0.8,面层增强水泥抗压强度≥10MPa,收缩率≤0.08%,抗弯荷载≥1.8G(G为板的重量单位N)。2.1.2胶粘剂:水泥类胶粘剂。用于保温板与墙体固定、板缝处理和粘贴板缝与墙面转角玻纤布条。胶粘剂的性能:初凝时间>0.5h,粘结强度>1.0MPa。2.1.3石膏腻子:用于满刮墙面。其性能如下:抗压强度>2.5MPa,粘结强度>0.2MPa,抗折强度>1.0MPa,终凝时间3h2.1.4玻纤网布条:用于板缝处理(宽50mm)和墙面转角处附加层(宽200mm)。中碱涂塑玻纤网格布8目/in布重>80g/m2断裂强度25mm×100mm布条经向>300N,纬向>150N2.1.5主要机具:地齿锯、笤帚、水桶、钢丝刷、小灰槽、2m靠尺、2m托线板、开刀、撬棍、钢尺、橡皮锤、木楔、钻、扁铲等。2.2作业条件2.2.1结构已验收,屋面防水层已施工完毕。墙面弹出+50cm标高线。2.2.2内隔墙、外墙门窗口、窗台板安装完毕。2.2.3水暖及装饰工程分别需用的管卡、炉钩、窗帘杆耳子等埋件留出位置或埋设完毕,电气工程的暗管线、接线盒等必须埋设完毕,并应完成暗管线的穿带线工作。2.2.4操作地点环境温度不低于5℃。2.2.5外墙内保温施工宜在外檐抹灰完成以后进行。2.2.6正式安装以前,先试安装样板墙一道,经鉴定合格后再正式安装。3、操作工艺3.1增强水泥聚苯板外墙内保温做法基本构造见表9-23。基本构造表9-23外墙内保温做法构造示意空气层复合保温层钢筋混凝土墙或普通粘土砖墙(1)厚20mm(2)50mm60mm(3)3.2工艺流程:结构墙面清理——分档、弹线——配板、修补——标出管卡、炉钩等埋件位置——墙面冲筋——稳接线盒,安管卡、埋件等——安装复合板——板缝及阴阳角处理——板面装修3.3施工要点3.3.1结构墙面清理:凡凸出墙面20mm的砂浆块、混凝土块必须剔除,并扫净墙面。3.3.2分档、弹线:3.3.2.1以门窗洞口边为基准,向两边按板宽600mm分档。3.3.2.2按保温层的厚度,在墙、顶、地面上弹出保温墙面的边线。3.3.2.3按图9-3所示位置,弹出宽60mm的冲筋带线。3.3.3配板、修补:板的长度按楼层结构净高尺寸减20~30mm。计算并量测门窗洞口上、下部保温板尺寸,按此尺寸配板。锯裁的窄板放置在阴角处。有缺陷的板应修补。增强水泥聚笨板不易随意切割,而一般工程除采用595mm宽标准板,往往需要一定数量的非标准板配合使用,因此在施工订货前,需根据工程墙面具体尺寸事先进行排板,计算出异形板的规格尺寸数量,以便施工粘结时对号入座,尽量减少现场锯裁板的数量。3.3.4墙面冲筋:墙面冲筋的方法如下:3.3.4.1在冲筋位置,用钢丝刷刷出不少于60mm宽的洁净面并浇水润湿,刷一道108胶水泥素浆(掺用水量10%的108胶)。3.3.4.2检查墙面平整、垂直,找规矩贴饼冲筋,并在需设置埋件处亦做出200mm×200mm的灰饼。3.3.4.3冲筋材料为1:3水泥砂浆,筋宽60mm,厚度以保证空气层厚度(20mm左右)为准。3.3.5稳接线盒,安管卡、埋件:安装电气接线盒时,接线盒高出冲筋面不得大于复合板的厚度,且要稳定牢固。3.3.6复合板安装:3.3.6.1将连接盒、管卡、埋件的位置准确地翻样到板面,并开出洞口。3.3.6.2复合板安装顺序宜从左至右依次安装。板侧面、顶面清刷浮灰,在侧墙面、顶面、板的顶面及侧面(所有相拼合面)、冲筋带上满刮胶粘剂,按弹线位置立即安装就位,用木楔顶在板底,再用手侧向推挤,使所有相拼合面冒浆,并使板紧贴冲筋带,一个人用专用撬棍在板底部向上顶...

1、当您付费下载文档后,您只拥有了使用权限,并不意味着购买了版权,文档只能用于自身使用,不得用于其他商业用途(如 [转卖]进行直接盈利或[编辑后售卖]进行间接盈利)。
2、本站所有内容均由合作方或网友上传,本站不对文档的完整性、权威性及其观点立场正确性做任何保证或承诺!文档内容仅供研究参考,付费前请自行鉴别。
3、如文档内容存在违规,或者侵犯商业秘密、侵犯著作权等,请点击“违规举报”。

碎片内容

增强水泥聚苯复合板外墙内保温监理实施细则

您可能关注的文档

墨香书阁+ 关注
实名认证
内容提供者

热爱教学事业,对互联网知识分享很感兴趣

确认删除?
VIP
微信客服
  • 扫码咨询
会员Q群
  • 会员专属群点击这里加入QQ群
客服邮箱
回到顶部