电脑桌面
添加小米粒文库到电脑桌面
安装后可以在桌面快捷访问

建筑施工标准(地基与基础工程)VIP免费

建筑施工标准(地基与基础工程)_第1页
1/23
建筑施工标准(地基与基础工程)_第2页
2/23
建筑施工标准(地基与基础工程)_第3页
3/23
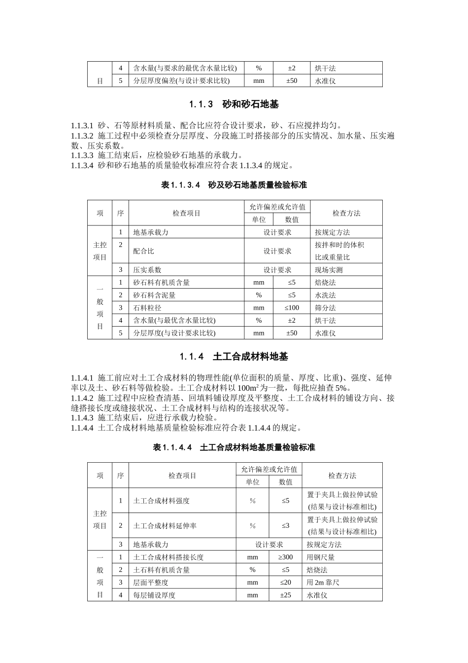
建筑施工标准1地基基础工程施工1.1地基1.1.1一般规定1.1.1.1建筑物地基的施工应具备下述资料:1.岩土工程勘察资料。2.临近建筑物和地下设施类型、分布及结构质量情况。3.工程设计图纸、设计要求及需达到的标准、检验手段。1.1.1.2砂、石子、水泥、钢材、石灰、粉煤灰等原材料的质量、检验项目、批量和检验方法,应符合国家现行标准的规定。1.1.1.3地基施工结束,宜在一个间歇期后,进行质量验收,间歇期由设计确定。1.1.1..4地基加固工程,应在正式施工前进行试验段施工,论证设定的施工参数及加固效果。为验证加固效果所进行的载荷试验,其施加载荷应不低于设计载荷的2倍。1.1.1.5对灰土地基、砂和砂石地基、土工合成材料地基、粉煤灰地基、强夯地基、注浆地基、预压地基,其竣工后的结果(地基强度或承载力)必须达到设计要求的标准。检验数量,每单位工程不应少于3点,1000m2以上工程,每100m2至少应有1点,3000m2以上工程,每300m2至少应有1点。每一独立基础下至少应有1点,基槽每20延米应有1点。1.1.1.6对水泥土搅拌桩复合地基、高压喷射注浆桩复合地基、砂桩地基、振冲桩复合地基、土和灰土挤密桩复合地基、水泥粉煤灰碎石桩复合地基及夯实水泥土桩复合地基,其承载力检验,数量为总数的0.5%~1%,但不应小于3处。有单桩强度检验要求时,数量为总数的0.5%~1%,但不应少于3根。1.1.1.7除本规范第4.1.5、4.1.6条指定的主控项目外,其他主控项目及一般项目可随意抽查,但复合地基中的水泥土搅拌桩、高压喷射注浆桩、振冲桩、土和灰土挤密桩、水泥粉煤灰碎石桩及夯实水泥土桩至少应抽查20%。1.1.2灰土地基1.1.2.1灰土土料、石灰或水泥(当水泥替代灰土中的石灰时)等材料及配合比应符合设计要求,灰土应搅拌均匀。1.1.2.2施工过程中应检查分层铺设的厚度、分段施工时上下两层的搭接长度、夯实时加水量、夯压遍数、压实系数。1.1.2.3施工结束后,应检验灰土地基的承载力。1.1.2.4灰土地基的质量验收标准应符合表1.1.2.4的规定。表1.1.2.4灰土地基质量检验标准项序检查项目允许偏差或允许值检查方法单位数值主控项目1地基承载力设计要求按规定方法2配合比设计要求按拌和时的体积比3压实系数设计要求现场实测一般项1石灰粒径mm≤5筛分法2土料有机质含量%≤5试验室焙烧法3土颗粒粒径mm≤15筛分法目4含水量(与要求的最优含水量比较)%±2烘干法5分层厚度偏差(与设计要求比较)mm±50水准仪1.1.3砂和砂石地基1.1.3.1砂、石等原材料质量、配合比应符合设计要求,砂、石应搅拌均匀。1.1.3.2施工过程中必须检查分层厚度、分段施工时搭接部分的压实情况、加水量、压实遍数、压实系数。1.1.3.3施工结束后,应检验砂石地基的承载力。1.1.3.4砂和砂石地基的质量验收标准应符合表1.1.3.4的规定。表1.1.3.4砂及砂石地基质量检验标准项序检查项目允许偏差或允许值检查方法单位数值主控项目1地基承载力设计要求按规定方法2配合比设计要求按拌和时的体积比或重量比3压实系数设计要求现场实测一般项目1砂石料有机质含量mm≤5焙烧法2砂石料含泥量%≤5水洗法3石料粒径mm≤100筛分法4含水量(与最优含水量比较)%±2烘干法5分层厚度(与设计要求比较)mm±50水准仪1.1.4土工合成材料地基1.1.4.1施工前应对土工合成材料的物理性能(单位面积的质量、厚度、比重)、强度、延伸率以及土、砂石料等做检验。土工合成材料以100m2为一批,每批应抽查5%。1.1.4.2施工过程中应检查清基、回填料铺设厚度及平整度、土工合成材料的铺设方向、接缝搭接长度或缝接状况、土工合成材料与结构的连接状况等。1.1.4.3施工结束后,应进行承载力检验。1.1.4.4土工合成材料地基质量检验标准应符合表1.1.4.4的规定。表1.1.4.4土工合成材料地基质量检验标准项序检查项目允许偏差或允许值检查方法单位数值主控项目1土工合成材料强度%≤5置于夹具上做拉伸试验(结果与设计标准相比)2土工合成材料延伸率%≤3置于夹具上做拉伸试验(结果与设计标准相比)3地基承载力设计要求按规定方法一般项目1土工合成材料搭接长度mm≥300用钢尺量2土石料有机质含量%≤5焙烧法3层面平整度mm≤20用2m靠尺4每层铺设厚度mm±25水准仪1.1.5粉煤灰地基1.1.5.1施工前...

1、当您付费下载文档后,您只拥有了使用权限,并不意味着购买了版权,文档只能用于自身使用,不得用于其他商业用途(如 [转卖]进行直接盈利或[编辑后售卖]进行间接盈利)。
2、本站所有内容均由合作方或网友上传,本站不对文档的完整性、权威性及其观点立场正确性做任何保证或承诺!文档内容仅供研究参考,付费前请自行鉴别。
3、如文档内容存在违规,或者侵犯商业秘密、侵犯著作权等,请点击“违规举报”。

碎片内容

建筑施工标准(地基与基础工程)

您可能关注的文档

确认删除?
VIP
微信客服
  • 扫码咨询
会员Q群
  • 会员专属群点击这里加入QQ群
客服邮箱
回到顶部