电脑桌面
添加小米粒文库到电脑桌面
安装后可以在桌面快捷访问

多层砖混结构房屋的抗震设计探讨VIP专享VIP免费

多层砖混结构房屋的抗震设计探讨_第1页
1/9
多层砖混结构房屋的抗震设计探讨_第2页
2/9
多层砖混结构房屋的抗震设计探讨_第3页
3/9
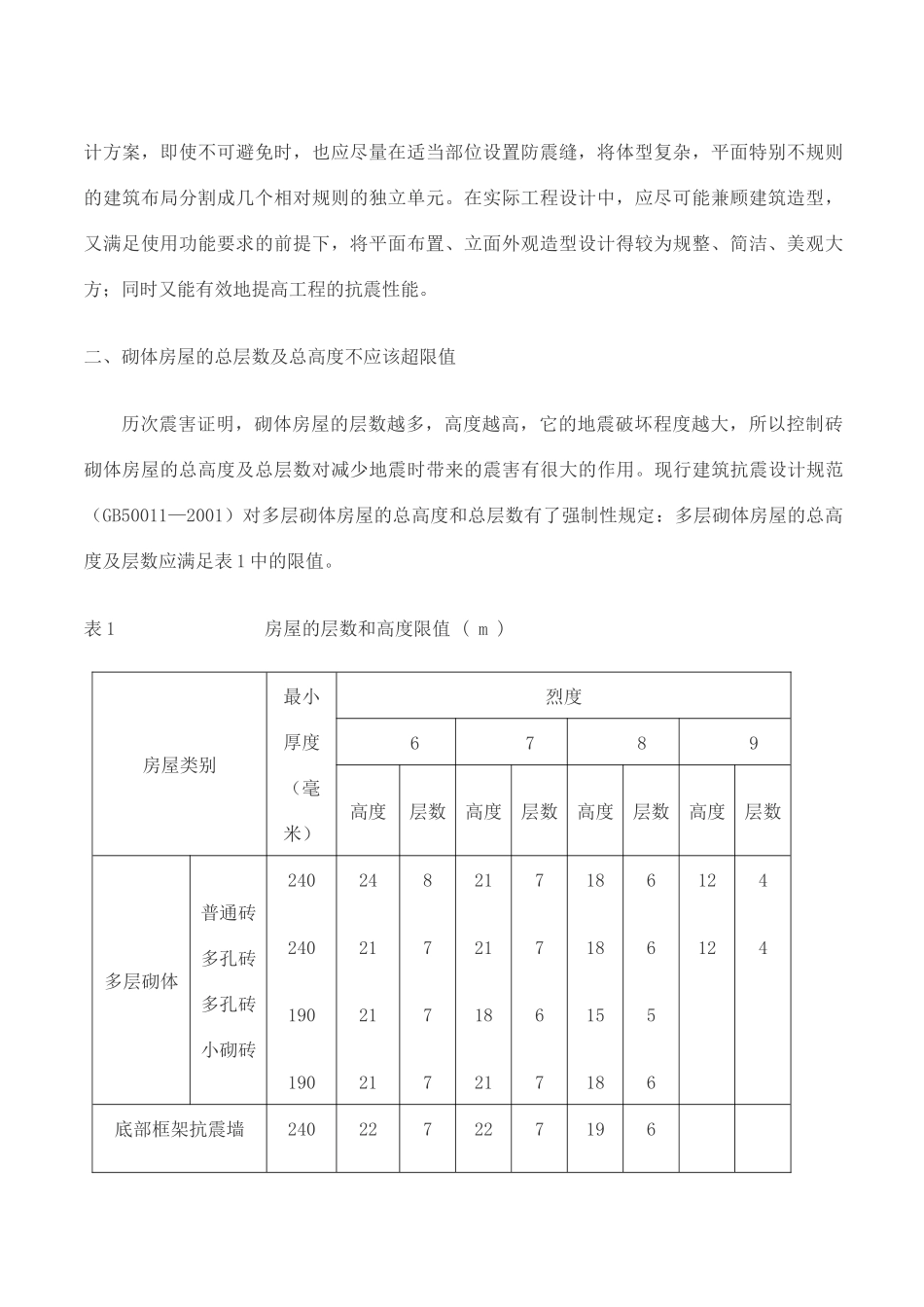
多层砖混结构房屋的抗震设计探讨摘要:砖混结构由于选材方便、施工简单、工期短、造价低等特点,多年来砖混房屋是我国当前建筑中使用最广范的一种建筑形式;其中民用住宅建筑中约占90%以上。砖混结构多采用粘土砖和混合砂浆砌筑,通过内外砖墙的咬砌达到具有一定整体连接性的目的。在地震设防地区,多层砖混砌体房屋由于组成的基本材料和连接方式决定了其脆性性质,变形能力小,导致房屋的抗震性能较差;因此改善砌体结构延性,提高房屋的抗震性能具有极其重要意义。根据现行建筑抗震设计规范、砌体结构设计规范,结合自身设计的实践经验,我认为,在多层砖混房屋抗震设计上应注意以下几方面。砖混结构由于选材方便、施工简单、工期短、造价低等特点,多年来砖混房屋是我国当前建筑中使用最广范的一种建筑形式;其中民用住宅建筑中约占90%以上。砖混结构多采用粘土砖和混合砂浆砌筑,通过内外砖墙的咬砌达到具有一定整体连接性的目的。在地震设防地区,多层砖混砌体房屋由于组成的基本材料和连接方式决定了其脆性性质,变形能力小,导致房屋的抗震性能较差;因此改善砌体结构延性,提高房屋的抗震性能具有极其重要意义。根据现行建筑抗震设计规范、砌体结构设计规范,结合自身设计的实践经验,我认为,在多层砖混房屋抗震设计上应注意以下几方面。一、科学布局建筑平面和立面建筑平面和立面的规整性是整个结构设计中一个十分基础、重要的内容。抗震设计中,建筑平面、立面宜尽可能简洁、规则,结构质量中心与刚度中心相一致。对于结构平面布置不规则的房屋质心与刚度中心往往不容易重合,在地震作用下会产生扭转效应,大大加剧地震的破坏力度;对体型不规则的房屋应注意偏离结构刚心远端墙段的抗震验算。建筑立面应避免头重脚轻,房屋重心尽可能降低,避免采用错落的立面,突出屋面建筑部分的高度不应过高,以免地震时发生鞭梢效应,同时应控制好结构竖向强度和刚度的均匀性。建筑设计应符合抗震概念设计的要求,不应采用严重不规则的设计方案,即使不可避免时,也应尽量在适当部位设置防震缝,将体型复杂,平面特别不规则的建筑布局分割成几个相对规则的独立单元。在实际工程设计中,应尽可能兼顾建筑造型,又满足使用功能要求的前提下,将平面布置、立面外观造型设计得较为规整、简洁、美观大方;同时又能有效地提高工程的抗震性能。二、砌体房屋的总层数及总高度不应该超限值历次震害证明,砌体房屋的层数越多,高度越高,它的地震破坏程度越大,所以控制砖砌体房屋的总高度及总层数对减少地震时带来的震害有很大的作用。现行建筑抗震设计规范(GB50011—2001)对多层砌体房屋的总高度和总层数有了强制性规定:多层砌体房屋的总高度及层数应满足表1中的限值。表1房屋的层数和高度限值(m)房屋类别最小厚度(毫米)烈度6789高度层数高度层数高度层数高度层数多层砌体普通砖多孔砖多孔砖小砌砖240240190190242121218777212118217767181815186656121244底部框架抗震墙240227227196多排柱内框架240165165134(注:室内外高差大于0.6m时,房屋总高度应允许比表中数据适当增加,但不应多于1.0m)在设计中房屋总高度及总层数应同时满足上标的限值,因为楼盖重量占房屋总重的一半左右,房屋总高度相同,多一层楼盖就意味着增加半层楼的側向地震作用,同时加大对底部的倾覆力矩。在中、强地震作用下,因倾覆力矩过大,使得底部墙体产生过大的压力或剪刀而被破坏,故此减轻自重、减少层数、降低层高是削弱地震影响的有效途径之一。三、增强砌体房屋的刚度及整体性房屋是纵、横向承重构件和楼盖组成的一个具有空间刚度的结构体系,其抗震能力的强弱取决于结构的空间整体刚度和整体稳定性。刚性楼盖是各抗侧力构件按各自侧移刚度分配地震作用的保证。现浇钢筋混凝土楼板及屋盖具有整体性好、水平刚度大的优点,是较理想的抗震构件,不但可消除滑移、散落问题,增加房屋的整体性,增大楼板的刚度,而且对平面上墙体对齐的要求也可予以适当放宽,因作为以剪切变形为主的砌体结构,层间变形是可控制的。较强的楼板及屋盖水平刚度使荷载传递具有良好的条件,平面上,当上下墙体不对齐时,现浇楼板及...

1、当您付费下载文档后,您只拥有了使用权限,并不意味着购买了版权,文档只能用于自身使用,不得用于其他商业用途(如 [转卖]进行直接盈利或[编辑后售卖]进行间接盈利)。
2、本站所有内容均由合作方或网友上传,本站不对文档的完整性、权威性及其观点立场正确性做任何保证或承诺!文档内容仅供研究参考,付费前请自行鉴别。
3、如文档内容存在违规,或者侵犯商业秘密、侵犯著作权等,请点击“违规举报”。

碎片内容

多层砖混结构房屋的抗震设计探讨

确认删除?
VIP
微信客服
  • 扫码咨询
会员Q群
  • 会员专属群点击这里加入QQ群
客服邮箱
回到顶部