电脑桌面
添加小米粒文库到电脑桌面
安装后可以在桌面快捷访问

建筑安全与文明施工监理周报VIP免费

建筑安全与文明施工监理周报_第1页
1/3
建筑安全与文明施工监理周报_第2页
2/3
建筑安全与文明施工监理周报_第3页
3/3
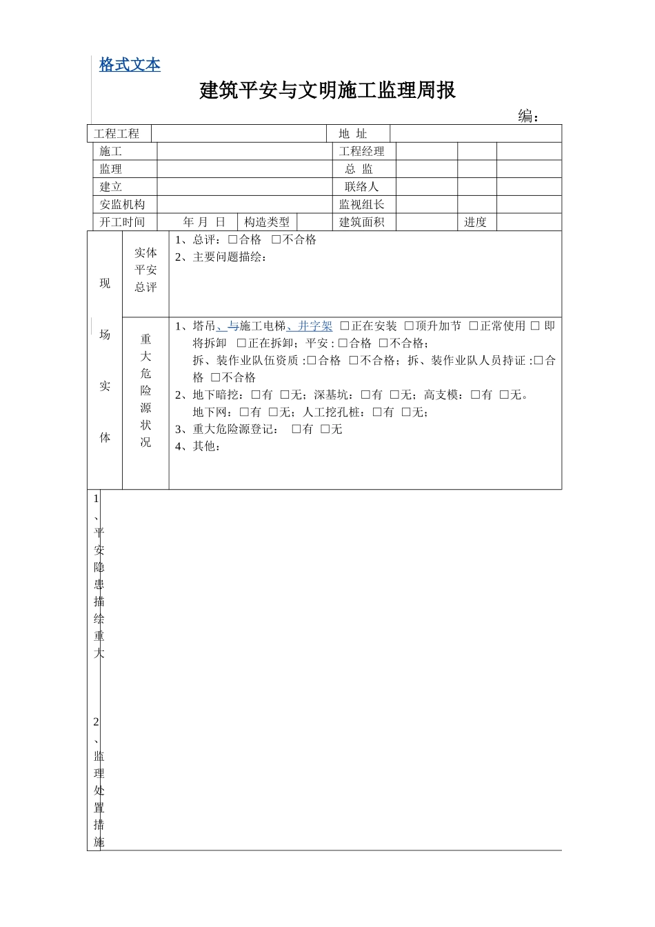
格式文本建筑平安与文明施工监理周报编:工程工程地址施工工程经理监理总监建立联络人安监机构监视组长开工时间年月日构造类型建筑面积进度现场实体实体平安总评1、总评:□合格□不合格2、主要问题描绘:重大危险源状况1、塔吊、与施工电梯、井字架□正在安装□顶升加节□正常使用□即将拆卸□正在拆卸;平安:□合格□不合格;拆、装作业队伍资质:□合格□不合格;拆、装作业队人员持证:□合格□不合格2、地下暗挖:□有□无;深基坑:□有□无;高支模:□有□无。地下网:□有□无;人工挖孔桩:□有□无;3、重大危险源登记:□有□无4、其他:1、平安隐患描绘重大2、监理处置措施:□责限整改□责停工整改3、平安隐患状态:□危险已控制□危险尚未控制平安隐患及处置情况安建设单位全行为施工答应与分包合同备案1、总包:□有施工答应证□无施工答应证□超施工答应范围施工2、专业分包:□有施工答应证□无施工答应证□合同已备案□合同未备案备注:专项措施费□已单列□未单列;□支付到位□未支付到位地下网□已签地下网保护协议□未签地下网保护协议□无地下网总分包责任划分□已签平安协议□未签平安协议施工单位平安事故1、亡事故:□有□无;2、重伤事故:□有□无平安责任人员持证情况1、总监:执业资格□合格□不合格;考核证:□合格□不合格2、工程经理:执业资格□合格□不合格;考核证:□合格□不合格3、专职平安员:共有名其中有考核证名无考核证名特种作业人员持证情况电工:共名其中有证名无证名;卷扬机手共名其中有证名无证名;电梯司机共名其中有证名无证名;塔吊司机共名其中有证名无证名;司索共名其中有证名无证名;场内机动车司机共名其中有证名无证名;架子工共名其中有证名无证名;其他:专项方案编审与专家证高支模方案:□合格□不合格;塔吊拆装方案:□合格□不合格;临时用电方案:□合格□不合格;脚手架方案:□合格□不合格;施工电梯拆装方案:□合格□不合格;基坑与边坡支护方案:□合格□不合格;其他:平安教育“三级教育〞:□合格□不合格;“平安卡〞:应持卡共人其中已持卡人、已培训未发卡人平安交底制度:□有□没有;记录:□合格□不合格大型起重设备使用塔吊:□已备案□局部未备案□未备案□未备案未使用□未备案正在使用〔备注:〕;施工电梯:□已备案□局部未备案□未备案□未备案未使用□未备案正在使用〔备注:〕;其他设备:其他情况工程总监监理(公章):总监理工程师(签名并加盖执业章):填报日:年月日填写说明:1、监理必须按照有关规定和要求进展认真审查后如实填写此表可从安监站网站“编〞由监理按自然数排序确定网上申报时不需盖章。2、填报的内容必须可以反映施工现场日前后一周之内的情况。3、此表由监理于每周四下午17:00前直接向安监机构指派的监视人员报送。

1、当您付费下载文档后,您只拥有了使用权限,并不意味着购买了版权,文档只能用于自身使用,不得用于其他商业用途(如 [转卖]进行直接盈利或[编辑后售卖]进行间接盈利)。
2、本站所有内容均由合作方或网友上传,本站不对文档的完整性、权威性及其观点立场正确性做任何保证或承诺!文档内容仅供研究参考,付费前请自行鉴别。
3、如文档内容存在违规,或者侵犯商业秘密、侵犯著作权等,请点击“违规举报”。

碎片内容

建筑安全与文明施工监理周报

您可能关注的文档

确认删除?
VIP
微信客服
  • 扫码咨询
会员Q群
  • 会员专属群点击这里加入QQ群
客服邮箱
回到顶部