电脑桌面
添加小米粒文库到电脑桌面
安装后可以在桌面快捷访问

吉安市中心公园暨广场工程监理月报VIP免费

吉安市中心公园暨广场工程监理月报_第1页
1/8
吉安市中心公园暨广场工程监理月报_第2页
2/8
吉安市中心公园暨广场工程监理月报_第3页
3/8
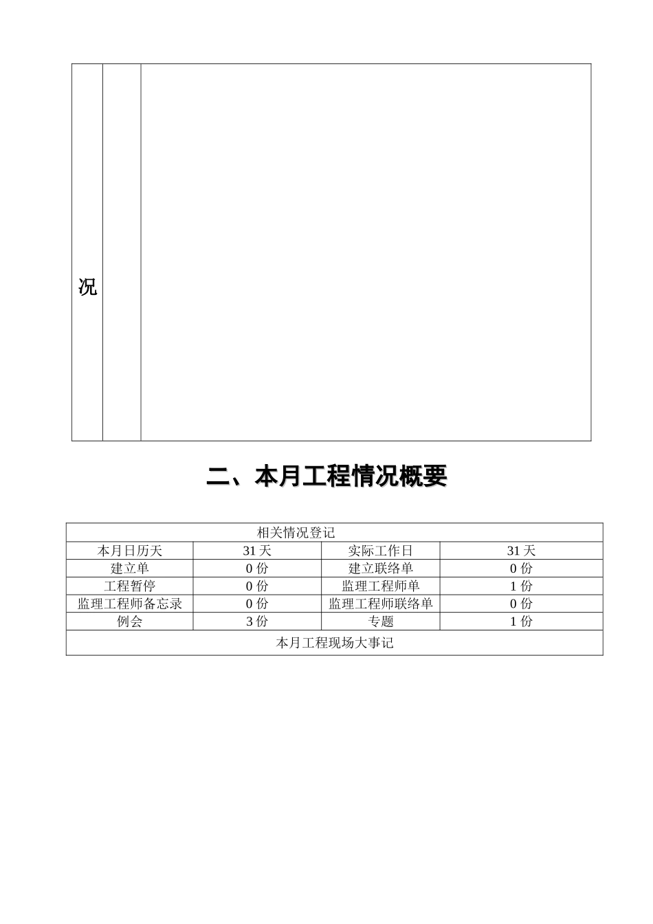
一、工程概况工程概工程名称:吉安中心公园暨广场工程建立吉安行政中心筹建工作指导小组设计深圳政设计研究院监理江西中昌工程咨询监理施工杭州萧宏建立集团工程施工合同工开工日:2009年12月1日开工日:2010年9月30日工程简况吉安中心公园暨广场工程工程位于江西吉安城南新区工程四至范围为北接崇文路南达文体路西临冬青路东至春兰路。该工程总占地面积约11万平方米其中广场占地面积约3万平方米〔含有1.6万平方米的大型地下停车库〕公园部分占地面积约8万平方米工程总估算约1.3亿元。公园主要分三个功能区:艺术休闲区、健身区、中心广场区。一、中心广场区:包括地下停车库工程、园林绿化工程、园林景观工程、给排水工程、电气照明工程、暖通工程等1、地下停车库工程:地下一层地下1层部分2层构造地下停车库建筑面积15732M2层高3.9M覆土约3M。地上构造建筑面积970.46M2。地下构造根底为柱下根底构造防水底板、侧墙屋面采用自防水钢筋砼防水二道设防。况二、本月工程情况概要二、本月工程情况概要相关情况登记本月日历天31天实际工作日31天建立单0份建立联络单0份工程暂停0份监理工程师单1份监理工程师备忘录0份监理工程师联络单0份例会3份专题1份本月工程现场大事记1、11月16日开工典礼;2、11月25日收初步设计图纸;3、11月25日设计交桩;4、11月27日设计交底初步设计图纸会审;5、12月9日第一次工地会议;6、12月14日收建筑第一、二册、园建每一、二册施工图;7、12月15日监理召集施工临时现场会;8、12月18日第二次工地会议;9、12月25日第三次工地会议;10、12月25日勘察、设计、质监站、监理、施工第一次验槽;11、12月31日收建筑第三、四、五册施工图。三、本月工程质量控制情况评价三、本月工程质量控制情况评价本月质量控制情况登记本月抽查、见证试验次数1次试验结果不合格次数0次设备开箱检查次数0次检查不符合要求次数0次本月工序报验次数1次其中一次验收合格计1次发出监理单〔质量控制类〕0份工程质量情况简析本月主要进展地下停车库基坑开挖工作一、工程实体质量:基杭开挖总体质量良好放坡根本符合要求平面位置及高程控制较好持力层无扰动现象部分软弱地块按设计等要求进展了处理。二、监理程序的执行:1、开工前测量、图纸会审等工作已完成。2、工程理架构尚未完全建立质量保证体系不完善。3、施工组织设计、基坑开挖专项方案开工前未书面向监理申报经监理工程师催促已补报监理已审批。4、构造专项施工方案已申报监理审核后返回修改中。5、主要材料及半成品供给商、检测、塔吊安装等资质能按要求进展申报本月已确认的有钢筋〔萍乡钢铁有限责任、淄博张钢钢铁〕、砼〔吉安兴盛混凝土〕、防水材料〔广东科顺化工实业〕、塔吊安装〔徐州建筑工程机械〕、检测〔吉安建筑工程质量检测中心〕。下月质量控制重点下月主要进展地下停车库基坑开挖、根底及侧墙施工控制重点如下:一、工程理架构的建立、质量保证体系的完善。二、基坑开挖平面位置及高程控制验槽。三、根底垫层砼浇筑防水施工。四、根底及底板钢筋的加工与安装根底及底板砼浇筑、后浇带处理等。五、侧墙模板、钢筋、砼工程。四、本月工程进度控制情况评价四、本月工程进度控制情况评价工程开工日2009年12月1日工程开工日2010年9月30日本月方案完成至2009年12月31日本月批准延长工0天累计延长工0天发出监理单〔进度控制类〕1份本月工程进度情况简析本月施工进展缓慢累计完成基坑土方开挖约70000M3未开场根底垫层及防水工程作业。主要原因为施工组织不利工程理架构仍未完全建立机械、人员投入缺乏冬雨季措施不到位目前仍未向监理工程师提交总体施工进度方案同施工承诺的进度方案比拟本月约滞后10天。下月工程进度展望一、完成全部基坑土方开挖。二、完成全部根底及底板。三、完成部分侧墙〔完成程度视承包人是否加大投入将上月滞后的进度赶回来〕五、本月费用控制情况评析五、本月费用控制情况评析工程总额价9813万元累计完成金额占总额百分比0.8本月监理批准付款0万元累计批准付款额0万元本月发生批准索赔0万元累计发生索赔额0万元发出监理单〔造价控制类〕0份工程费用控制情况简析1、完成工程量及情况:本月...

1、当您付费下载文档后,您只拥有了使用权限,并不意味着购买了版权,文档只能用于自身使用,不得用于其他商业用途(如 [转卖]进行直接盈利或[编辑后售卖]进行间接盈利)。
2、本站所有内容均由合作方或网友上传,本站不对文档的完整性、权威性及其观点立场正确性做任何保证或承诺!文档内容仅供研究参考,付费前请自行鉴别。
3、如文档内容存在违规,或者侵犯商业秘密、侵犯著作权等,请点击“违规举报”。

碎片内容

吉安市中心公园暨广场工程监理月报

确认删除?
VIP
微信客服
  • 扫码咨询
会员Q群
  • 会员专属群点击这里加入QQ群
客服邮箱
回到顶部