电脑桌面
添加小米粒文库到电脑桌面
安装后可以在桌面快捷访问

华昌达机电设备有限公司装备工业园工程厂房监理月报VIP免费

华昌达机电设备有限公司装备工业园工程厂房监理月报_第1页
1/20
华昌达机电设备有限公司装备工业园工程厂房监理月报_第2页
2/20
华昌达机电设备有限公司装备工业园工程厂房监理月报_第3页
3/20
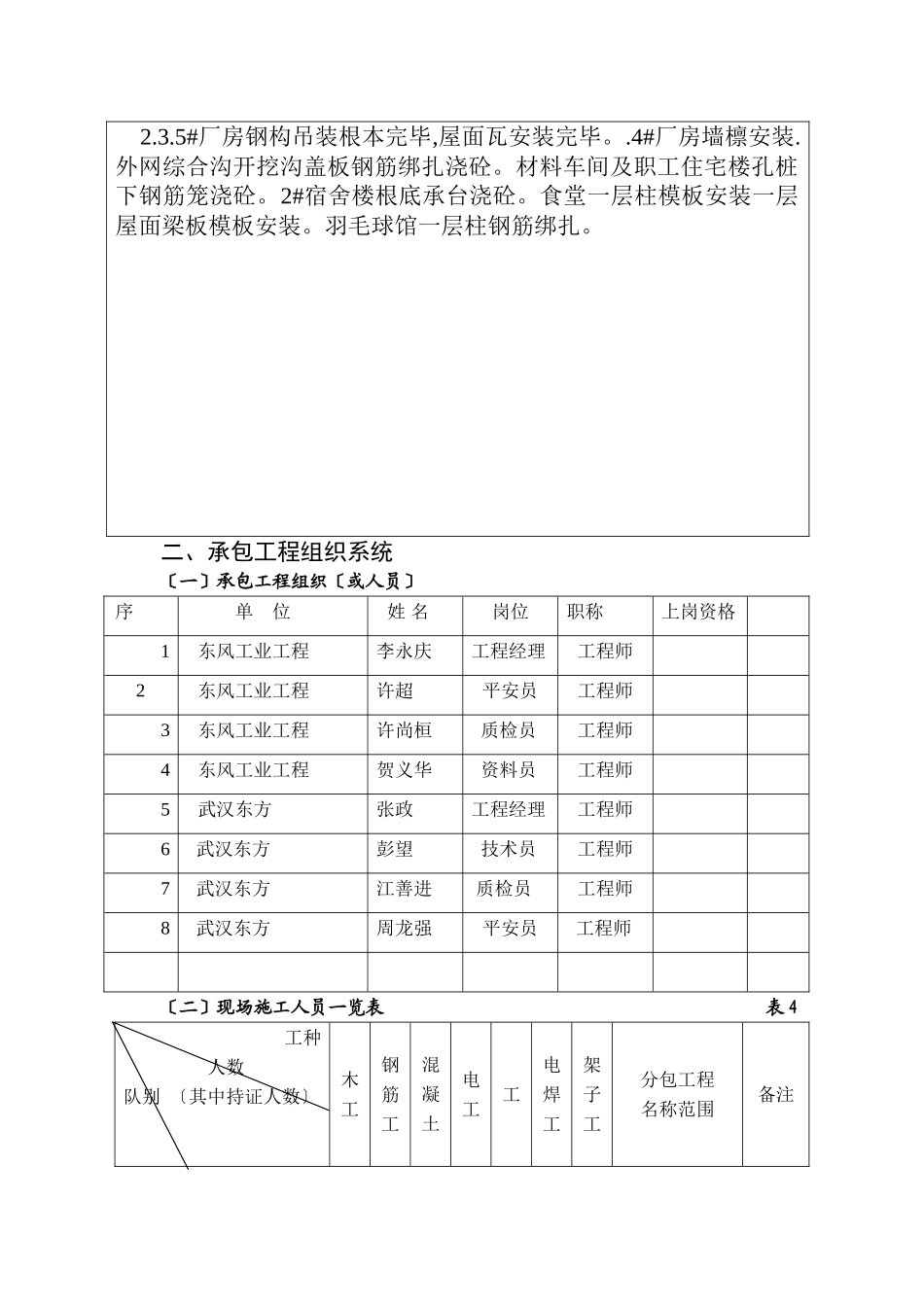
一、工程概况〔一〕工程根本情况表1工程名称华昌达机电设备装备工业园工程2.3.4.5厂房工程地点十堰茅箭经济开发区工程性质钢构造开工日2021.12.13开工日工天数120质量目的合格合同价款666万/720万承包方式总包工程工程一览表表2工程名称建筑面积〔㎡〕构造类型及层数工程造价〔万元〕开工时间目前进度华昌达装备工业园2.3.5厂房11200一层7202021.12.13屋面瓦安装华昌达装备工业园4厂房11100一层6662021.12.15墙檩安装〔二〕工程组织系统表表3名称现场负责人职务职称建立华昌达机电设备胡政设计湖北安厦设计院崔学峰监视十堰质量监视站监理湖北联兴监理王柳承包东风工业工程李永庆武汉东方建筑集团十堰分张政〔三〕本施工根本情况2.3.5#厂房钢构吊装根本完毕,屋面瓦安装完毕。.4#厂房墙檩安装.外网综合沟开挖沟盖板钢筋绑扎浇砼。材料车间及职工住宅楼孔桩下钢筋笼浇砼。2#宿舍楼根底承台浇砼。食堂一层柱模板安装一层屋面梁板模板安装。羽毛球馆一层柱钢筋绑扎。二、承包工程组织系统〔一〕承包工程组织〔或人员〕序单位姓名岗位职称上岗资格1东风工业工程李永庆工程经理工程师2东风工业工程许超平安员工程师3东风工业工程许尚桓质检员工程师4东风工业工程贺义华资料员工程师5武汉东方张政工程经理工程师6武汉东方彭望技术员工程师7武汉东方江善进质检员工程师8武汉东方周龙强平安员工程师〔二〕现场施工人员一览表表4工种人数队别〔其中持证人数〕木工钢筋工混凝土电工工电焊工架子工分包工程名称范围备注1212202154〔三〕现场施工机械一览表表5序施工机械名称数量是否正常运行1搅拌机4台正常2振动棒6台正常3挖机3台正常三、工程进度控制〔一〕完成工程总进度方案的情况说明2.3.5#厂房完成总工程量的90。4#厂房完成总工程量的60。外网完成总工程量的40。材料车间\职工住宅楼\单生宿舍\食堂\羽毛球馆完成总工程量的20。〔二〕本实际完成情况与方案进度比拟表表6〔标段、施工段〕工程名称方案完成实际完成备注2.3.5#厂房地坪浇筑完毕、水电安装完毕、屋面瓦安装完毕2#3#地坪浇筑完毕屋面瓦安装完毕4#厂房屋面瓦.墙面瓦墙檩安装〔三〕本进度完成情况的分析本进度比拟缓慢,没能按进度方案完本钱月进度.彩卷迟迟不能进场,造成施工现场无法开展施工.四、工程质量控制〔一〕检验批〔工序〕质量验收统计表表7序验收部位分项工程名称检验批〔工序〕名称监理验收情况合格项数一次验收合格项数12.3.5#厂房根底承台根底钢筋绑扎合格合格24#厂房根底承台根底钢筋绑扎合格合格32.3.5#厂房根底承台根底模板安装合格合格44#厂房根底承台根底模板安装合格合格52.3.5#厂房根底承台根底混凝土合格合格64#厂房根底承台根底混凝土合格合格7食堂根底承台根底钢筋绑扎合格合格8羽毛球馆根底承台根底钢筋绑扎合格合格9食堂根底承台根底模板安装合格合格10羽毛球馆根底承台根底模板安装合格合格11食堂根底承台根底混凝土合格合格12羽毛球馆根底承台根底混凝土合格合格〔注:政工程本处统计的是工序〕〔二〕分部或子分部〔部位〕工程质量验收统计表表8序分部工程名称报验单验收备注〔注:政工程本处统计的是部位〕〔三〕主要施工试验情况表表9序试验编试验内容是否见证取样施工部位试验组数合格组数试验结监理结〔四〕本工程质量分析与评价表10分部或分项〔工序或部位〕工程质量情况及存在问题工程名称2.3.5#厂房根底合格4#厂房根底合格食堂根底合格羽毛球馆根底合格综合评价五、工程造价控制〔一〕工程量审批情况无〔二〕工程款支付凭证1、本月签署的工程计量及工程款支付有关凭证:无2、工程款审批及支付汇总表造价控制表11序本月工程造价控制情况累计完成情况本月支付价款〔元〕累计支付价款〔元〕下月方案工程工程名称合同价本月申报金额〔元〕本月核定金额〔元〕金额〔元〕完成百分比形象进度工程价款〔元〕〔三〕本造价控制及工程款审批情况的说明无六、平安监理〔一〕事故统计表12本月事故事故简况累计事故当月平安施工天数累计平安施工天数备注无〔二〕平安施工状况及平安监理工作情况评述〔含事故隐患及事故的处理〕对施工的平安施工提出以下几点要求1.对施工现场四周做好防护工作,对路边作业区域用...

1、当您付费下载文档后,您只拥有了使用权限,并不意味着购买了版权,文档只能用于自身使用,不得用于其他商业用途(如 [转卖]进行直接盈利或[编辑后售卖]进行间接盈利)。
2、本站所有内容均由合作方或网友上传,本站不对文档的完整性、权威性及其观点立场正确性做任何保证或承诺!文档内容仅供研究参考,付费前请自行鉴别。
3、如文档内容存在违规,或者侵犯商业秘密、侵犯著作权等,请点击“违规举报”。

碎片内容

华昌达机电设备有限公司装备工业园工程厂房监理月报

确认删除?
VIP
微信客服
  • 扫码咨询
会员Q群
  • 会员专属群点击这里加入QQ群
客服邮箱
回到顶部