电脑桌面
添加小米粒文库到电脑桌面
安装后可以在桌面快捷访问

厂房柱基础工程施工方案VIP免费

厂房柱基础工程施工方案_第1页
1/18
厂房柱基础工程施工方案_第2页
2/18
厂房柱基础工程施工方案_第3页
3/18
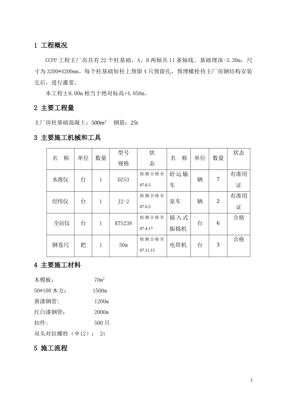
目录1工程概况2主要工程量3主要施工机械和工器具4主要施工材料5施工流程6施工方法7质量目标与保证措施8安全、环境保护、文明施工控制措施9劳动力计划表10施工进度计划表11附图附图一、主厂房柱基础土方图附图二、主厂房柱基础模板示意图12附表附表一、规程规范目录清单1附表二、质量记录目录清单附表三、安全、环境保护、文明施工控制措施表21工程概况CCPP工程主厂房共有22个柱基础,A、B两轴共11条轴线。基础埋深-3.30m,尺寸为3200*4200mm。每个柱基础短柱上预留4只预留孔,预埋螺栓待主厂房钢结构安装完后,进行灌浆。本工程±0.00m相当于绝对标高+4.850m。2主要工程量主厂房柱基础混凝土:500m3钢筋:25t3主要施工机械和工具名称单位数量型号规格状态名称单位数量状态水准仪台1DZS3检测合格至07.6.5砼运输车辆7有准用证经纬仪台1J2-2检测合格至07.6.5泵车辆2有准用证全站仪台1RTS238检测合格至07.4.17插入式振捣机台6合格钢卷尺把150m检测合格至07.11.15电焊机台3合格4主要施工材料木模板:70m250*100木方:1500m黄漆钢管:1200m红白漆钢管:2000m扣件:500只双头对拉螺栓(Φ12):2t5施工流程35.1主厂房柱基础施工先从B轴线开始施工,A轴线11个柱基础待电气楼及变压器的深基础施工完后再安排施工。5.2主厂房每个柱基础均为一次成型。5.4施工流程图46施工方法施工过程:定位放线→土方开挖→地基验槽→基础施工→回填6.1土方工程6.1.1因旁路烟囱及排气装置等基础穿过主厂房柱基础,计划先开挖B轴线的3、4#基础,然后开挖其它柱基础。6.1.2开工前根据业主提供的测量控制网点,由测量人员根据现场实际情况做好测量临时控制网的布设,控制点的布设要满足施工定位的精度要求,同时按照有关测量规范进行。6.1.3雨季施工时,防止边坡塌方边坡覆盖彩条布,坡底叠草包。6.1.4现场场地平均地坪相对标高为-0.75m。6.1.5柱基础将采用大开挖施工,按1:1放坡,设置800mm工作面进行施工。6.1.6土方开挖根据现场的实际情况,土方开挖采用机械开挖的形式,土方装运至指定的卸点(二期规划场地土方堆场区域)。根据工程量的大小及施工进度的安排,利用1台1m3反铲挖土机进行土方的开挖。土方开挖具体要求如下:a)、开挖前修建土方的运输道路,以利车辆的行驶,适当铺设路基箱。b)、按土方开挖图放好石灰线土方开挖,严格控制好土方的上下边坡线位置。c)、派专业测量人员跟踪测量控制基坑底标高,土方严禁超挖,为防止基底土的扰动,基坑底预留300mm高土方为人工修整。d)、组织人员边开挖边进行边坡的修整,确保边坡稳定无虚土并不塌方。e)、在基底及时开设0.3m×0.3m明沟及设置集水井(500×500×800mm),连续不断抽水,确保基坑干燥。f)、开挖时注意保护PHC管桩不受损坏。6.1.7回填6.1.7.1土方回填前必须基础的隐蔽工程均已验收通过。6.1.7.2基础施工完后,土方应分层对称夯实回填。清理干净基坑内的杂物垃圾及积水;利用原土回填,原土回填必须剔除大粒径的块石。6.1.7.3主厂房柱基础回填压实系数不小于0.94。6.2垫层施工56.2.1本工程垫层砼采用C15商砼,厚100mm,四周大于基础100mm。6.2.2按设计图纸要求,利用50*100的方木支好垫层模板,用短钢筋或木桩固定牢固方木,控制好模板的外形尺寸与厚度。6.2.3确保垫层的标高达到-3.3m,垫层砼面层平整,铁板净光后木蟹拉毛。6.3基础放线与高程控制6.3.1根据测设在厂区四周的控制网,用全站仪将纵横轴线引入基坑内,并测设在基础垫层面上,以红油漆在垫层面上标出基准点,每条轴线均应双向控制,以便校核。再根据互相垂直的轴线,用钢尺施放出基础的外边控制线。6.3.2基础砼的面标高控制,应由专业测量人员将基坑外附近的水准点转测到基坑内,并做出符合规范要求的高程控制点,以此点对基础高程进行控制。6.3.3基础砼的面标高控制,宜用模板的上口做至设计标高来控制承台面标高。6.4PHC管桩处理6.4.1在垫层浇筑前按设计规范要求,对PHC桩进行抽查做低应变及大应变试验,试验合格后才能进行下道工序的施工。6.4.2垫层浇筑完毕后即行桩位的验收,桩顶标高超过±50mm的要进行桩的处理,对高低桩的处理严格按下列规定的执行:6.4.2.1当桩顶标高高...

1、当您付费下载文档后,您只拥有了使用权限,并不意味着购买了版权,文档只能用于自身使用,不得用于其他商业用途(如 [转卖]进行直接盈利或[编辑后售卖]进行间接盈利)。
2、本站所有内容均由合作方或网友上传,本站不对文档的完整性、权威性及其观点立场正确性做任何保证或承诺!文档内容仅供研究参考,付费前请自行鉴别。
3、如文档内容存在违规,或者侵犯商业秘密、侵犯著作权等,请点击“违规举报”。

碎片内容

厂房柱基础工程施工方案

确认删除?
VIP
微信客服
  • 扫码咨询
会员Q群
  • 会员专属群点击这里加入QQ群
客服邮箱
回到顶部