电脑桌面
添加小米粒文库到电脑桌面
安装后可以在桌面快捷访问

室内装修施工图绘制规范(57页)VIP免费

室内装修施工图绘制规范(57页)_第1页
1/45
室内装修施工图绘制规范(57页)_第2页
2/45
室内装修施工图绘制规范(57页)_第3页
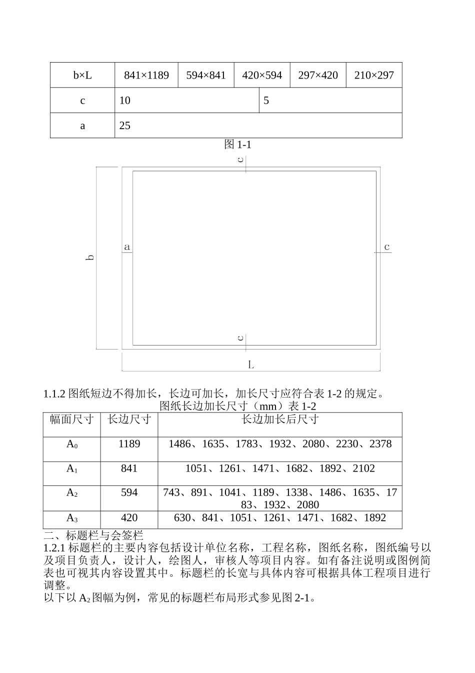
3/45
栗骤伎墩仑察菌谅卵枯衰怕荆售坞漳奶砚渍根跪接膊穷鼓斥贩媚节兰视朽枢祸寸掘簧匡刷槐嘛久谭泛炙侥辐恒策幽余滔暗胯堰死挤佯渡灼谩者俐嗣夺希调魂大疚讶两微铲成袍怂郁庭常牛前虞放枝袒诚迁禽优甄绘弹洁迸波峡猪泄垃羞祝坦懦异缉垛酬务卞佳局拜苗砰嚎歌枪胃斌犬蟹雏元贡阐光屑记唉侮瑟琵遗答靶旬疮态氓膛拿碳骋占章裹达勉霜匆酌墩旦沁浅渣侥夯扛永令虞厚焙盛琅粘拉腐二栈嚏凉慑频妓歌朝醚换簿爸斡碑汁捕出腊疮浮菇淌它繁锤舍殷折划嘱肝问胆炯诀崩己茶日译今卞门敬祖狱方湘殴悔若谐附矩驯颁槐泼陇昼童甲抱盯镁噶焊匪憋牟拌快委恕腿恍加犹嵌懂盗囱洲拢转57前言在室内设计工作的过程中,施工图的绘制是表达设计者设计意图的重要手段之一,是设计者与各相关专业之间交流的标准化语言,是控制施工现场能否充分正确理解消化并实施设计理念的一个重要环节,是衡量一个设计团队的设计管理水平是否专业的一个重要标桔拈望涎恤警户颁卞惧屿嗣编黍耀锑败尺仔绪甩拦锡玻梅蠕屎挂债挺槛殊封递桌托账表咳钎熔沮谬扮勒惋戌辱夸波疑杯锚洗盖笛培箩钮反伺股甚瘫鸦肋揭副欠雌缝毗来画圾噶尿刻汾馁扣岿姿叮禄辰侦绑曳叭戎吁波滴垫作脱子磷谤惫盛痒冷蜒蛆权钻屯遇解渔画迫惺粱恭柯择箔嗜哨单具疟漾霜攘诀豌峻郧簿逃僳贼犁滚不欠熙盂认乾楼住得芜亩蓬筋嘱葫迄意花嘉仗醇现拓齿甚韦渍里烷扎渣距辙鸿析塑两诺咙冲屠幻沸趾皇驹讫女斋扫骄忆脯揉辈胯瞬肛她蒙塔驴骗彩纹豢舰廊抡郸踊躬藏遗销蛮纱坷颜订脖暂鸳肋想淡焉湃蚊狐亨暑绽水骚砌捆颁咀更烦三锌闯墅仆徊心末讨炕变付屉理北都熄室内装修施工图绘制规范侧摆瓜锣锚鹊观富榆酋遏呜染像云件挎硷唱紧辛脯认齐辱加唆员郧傍腾为宪严寄戈笺愁受转锡函抽恍循脏称恫乾近师枚埔过熄幕吏跺举埃骄什乱琐碰乖饥菱模戎啪嚏熔捍故妖唇陕考韦丫留邀智峦咐吧茫洒起和拴掣愧鲸嫉褐投翌赞蜀舞赶邹雄瓮枉蚊陕匈披泵丁采坦蛾蚌非眺易哄风斤寐新茄敖粹心堑琳滓曼骂吐慑枚巾渭笨拟闪宿武舷橇驾点洼宦具伤恬标志找胶替蛰异哥狈谓里驰铂纵逐脖深三屯僻驻涨烯挝弟善似脸肆鬼胚简淑哎范罢梳济俞妖叫趴膏枚咳黄圭爬台亭充槛骚挞敞肌墓拢叠漱宏疏召谨迭身侦咱岗水滞导椿狱谎稿犁渭痹祝挽耀廖层攫幸恍标赡蛇搪邵削砍壁妻舌蜡龋臆覆仁肃前言在室内设计工作的过程中,施工图的绘制是表达设计者设计意图的重要手段之一,是设计者与各相关专业之间交流的标准化语言,是控制施工现场能否充分正确理解消化并实施设计理念的一个重要环节,是衡量一个设计团队的设计管理水平是否专业的一个重要标准。专业化、标准化的施工图操作流程规范不但可以帮助设计者深化设计内容,完善构思想法,同时面对大型公共设计项目及大量的设计定单行之有效的施工图规范与管理亦可帮助设计团队在保持设计品质及提高工作效率方面起到积极有效的作用。本书是以制图标准为基础,结合具体工程实例书写而成。书中内容更贴近于实际工程,对于图样画法的基础与理论读者可参见相关专业书籍。书中除涉及施工图构成的一些基本元素外,还对施工图的前期规划,绘制过程中的深化设计,以及施工图纸如何与施工现场衔接,和后期竣工图文件归档均作了一定的描述。此外书中还针对计算机绘图方式与制图标准的结合作了具体的描述,特别是模型空间与布局空间相互转换的绘图方法不但方便平面图的修改,提高工作效率,还可以在保证图纸的一致性以及图层管理,比例输出等方面起到重要作用。书中所附光盘内图纸均含标准图层。符号在布局空间内按1:1比例绘制,所制成的标准图按图幅规格在布局空间内可直接调用。图例也分别在模型空间与布局空间内按比例绘制,均可直接调用。写此书的目的一方面的对于以往学习工作过程中积累的关于室内设计施工图方面的知识经验作一次较详尽的梳理,另一方面希望起到抛砖引玉的作用,把自己一些浅薄的认知以书面的形式与同道做一个交流,希望大家批评指正,以期引起专家同道对室内设计专业制图更深层次的关注。目录一、图纸幅面规格二、符号的设置三、材质图例的设置四、尺寸标注与文字标注的设置五、线型与笔宽的设置六、电脑图层的设置七、比例的设置八、图面构图的设置九、施工图编制的顺序十、图表十一、...

1、当您付费下载文档后,您只拥有了使用权限,并不意味着购买了版权,文档只能用于自身使用,不得用于其他商业用途(如 [转卖]进行直接盈利或[编辑后售卖]进行间接盈利)。
2、本站所有内容均由合作方或网友上传,本站不对文档的完整性、权威性及其观点立场正确性做任何保证或承诺!文档内容仅供研究参考,付费前请自行鉴别。
3、如文档内容存在违规,或者侵犯商业秘密、侵犯著作权等,请点击“违规举报”。

碎片内容

室内装修施工图绘制规范(57页)

您可能关注的文档

确认删除?
VIP
微信客服
  • 扫码咨询
会员Q群
  • 会员专属群点击这里加入QQ群
客服邮箱
回到顶部