电脑桌面
添加小米粒文库到电脑桌面
安装后可以在桌面快捷访问

学生公寓施工组织设计方案(100页)VIP免费

学生公寓施工组织设计方案(100页)_第1页
1/60
学生公寓施工组织设计方案(100页)_第2页
2/60
学生公寓施工组织设计方案(100页)_第3页
3/60
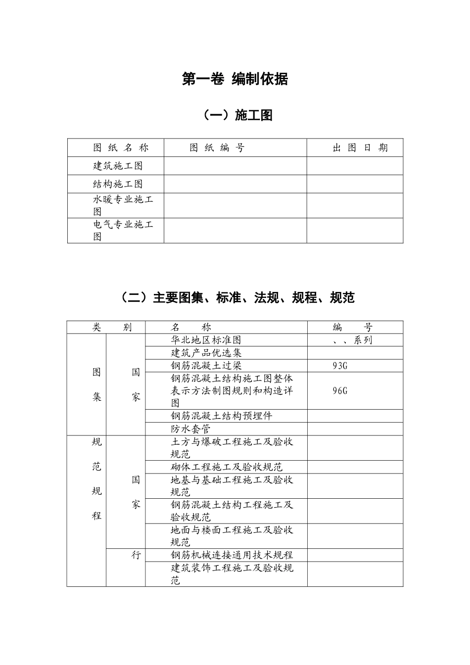
学生公寓施工组织计划编制日期:年月日编制单位:目录第一卷编制依据(一)施工图图纸名称图纸编号出图日期建筑施工图结构施工图水暖专业施工图电气专业施工图(二)主要图集、标准、法规、规程、规范类别名称编号图集国家华北地区标准图、、系列建筑产品优选集钢筋混凝土过梁93G钢筋混凝土结构施工图整体表示方法制图规则和构造详图96G钢筋混凝土结构预埋件防水套管规范规程国家土方与爆破工程施工及验收规范砌体工程施工及验收规范地基与基础工程施工及验收规范钢筋混凝土结构工程施工及验收规范地面与楼面工程施工及验收规范行钢筋机械连接通用技术规程建筑装饰工程施工及验收规范业采暖与卫生工程施工及验收规范电气装置安装工程施工及验收规范钢筋焊接及验收规程建筑工程冬期施工规程建筑工程施工测量规程01-21-95通风与空调工程施工及验收规范建筑施工高处作业安全技术规程施工现场临时用电安全技术规范建筑机械使用安全技术规程地方建筑安装分项工程施工工艺规程01-26-96标准国家建筑安装工程质量检验评定统一标准建筑工程质量检验评定标准建筑采暖卫生与煤气工程质量检验评定标准通风与空调工程质量检验评定标准建筑电气安装工程质量检验评定标准地方工程建设监理规程企业质量手册及程序文件(三)建设单位提供施工用地、水、电等条件建设单位提供施工用地5600m2,首层面积为1549.80m2,施工现场场地基本能满足施工要求。水、电按建设单位指定地点引入,提供电源。第二卷工程概况(一)工程简介序号项目内容工程名称学生公寓工程业主设计单位建筑面积。29m2工程地点结构形式全现浇钢筋混凝土结构基础形式条形基础建筑用途首层活动室、宿舍二至七层宿舍(二)建筑设计特点序号项目内容建筑规模面积()占地标准层建筑面积层数:层高度()首层:至层:檐高23.95m屋面喷刷带色的苯丙乳液保护层外墙面贴白色、灰色亚光面砖内墙面刷乳胶漆、釉面砖楼地面地砖、花岗石顶棚乳胶漆顶棚、纸面石膏板吊顶刷乳胶漆、硅钙板顶棚门窗塑钢窗、塑钢门、木门防水屋面采用聚氨酯防水涂膜保温屋面采用厚聚苯乙烯泡沫塑料板水暖采暖采用上供下回单管垂直系统,采用钢制翅片管型散热器给水由市政给水管网直接供给消防楼内设独立消火栓系统,与学生会堂合用消防泵排水首层采用单排,管材采用UPVC管电气强电照明、变配电设备弱电电视、电话、计算机网络防雷屋面及室外防雷接地电气消防消火栓、事故照明(三)结构设计特点土质情况持力层为砂质粉土、粘质粉土、局部粉质粘土地基承载力标准值基础类型条形基础结构形式全现浇钢筋混凝土抗震设防烈度八度抗震等级二级混凝土强度等级基础垫层:其它:钢筋类别热轧Ⅰ级、Ⅱ级钢筋接头类别焊接第三卷施工部署(一)工程目标1、质量目标:结构工程创结构长城杯,单位工程创北京市优质工程。2、安全目标:确保无重伤、无死亡事故。3、工期目标:科学组织施工,合理安排工序穿插,确保合同工期实现。4、现场管理目标:北京市文明安全工地。5、管理体系:管理机制采用项目法施工管理。质量体系经认证并符合—:标准的质量体系。(二)管理组织机构1、组织机构:本工程按项目法组织施工,所派项目经理承担过创结构长城杯工程项目管理,并积累了丰富的施工管理经验的一级项目经理担任;项目总工选派有较高技术管理水平、并有创优管理经验、参加过获优质工程项目管理的工程技术人员任本项目总工程师。根据工程特点,组建精干项目经理部,对本项目的人、财、物按照项目法施工管理的要求实行统一组织,统一布置,统一计划,统一协调,统一管理,并认真执行质量标准,充分发挥各职能部门、各岗位人员的职能作用,认真履行管理职责,确保本项目质量体系持续、有效的运行。通过我们科学、严谨的工作质量和项目管理经验,确保实现合同规定的工期、结构工程创结构长城杯、单位工程创北京市优质工程、现场达北京市文明安全工地的预定目标。项目部班子主要成员及各主要组室的职责执行我单位的《质量手册》和《程序文件》。(1)领导班子:由项目经理、项目副经理、项目总工程师组成,负责对工程的领导、指挥、协调、决策等重大事宜,对工程进度、成本、质量...

1、当您付费下载文档后,您只拥有了使用权限,并不意味着购买了版权,文档只能用于自身使用,不得用于其他商业用途(如 [转卖]进行直接盈利或[编辑后售卖]进行间接盈利)。
2、本站所有内容均由合作方或网友上传,本站不对文档的完整性、权威性及其观点立场正确性做任何保证或承诺!文档内容仅供研究参考,付费前请自行鉴别。
3、如文档内容存在违规,或者侵犯商业秘密、侵犯著作权等,请点击“违规举报”。

碎片内容

学生公寓施工组织设计方案(100页)

确认删除?
VIP
微信客服
  • 扫码咨询
会员Q群
  • 会员专属群点击这里加入QQ群
客服邮箱
回到顶部