电脑桌面
添加小米粒文库到电脑桌面
安装后可以在桌面快捷访问

审计底稿-燃料消耗数量发电煤耗VIP免费

审计底稿-燃料消耗数量发电煤耗_第1页
1/2
审计底稿-燃料消耗数量发电煤耗_第2页
2/2
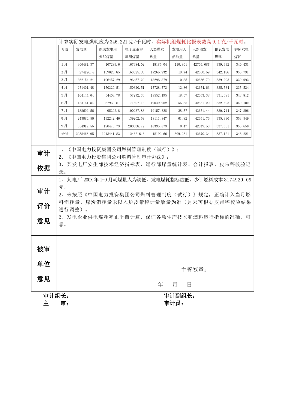
审计工作底稿被审计单位:某发电厂编号:审计项目名称:某某公司资产负责损益专项审计附件:共页审计事项200x年1-9月燃料消耗数量、发电煤耗审计日期200X年10月29日审计事项摘要1、燃料消耗数量少计32774.45吨,少计燃料成本817万元200x年1-9月该厂入炉煤皮带秤计量入炉煤量1246216.28吨,实际进成本消耗量1213441.83吨,少计消耗量32774.45吨,折合金额8174929.09元。各月详细情况见下表:200X年皮带秤煤量(吨)安生部报表煤量(吨)差值(吨)发电天然煤单价(元/吨)金额(元)1月167684.02167289.6-394.42252.04-99409.622月163025.83159025.85-3999.98237.46-949835.253月196457.29196457.290270.4104月150320.51150320.510248.0205月57272.3654408.78-2863.58223.76-640754.666月71507.1367930.81-3576.32261.56-935422.267月100237.8395292.8-4945.03254.62-1259103.548月139202.59132242.46-6960.13248.93-1732585.169月200508.72190473.73-10034.99254.89-2557818.60合计1246216.281213441.83-32774.45-8174929.09注:皮带秤煤量包括皮带秤计量和运行已记录的电子皮带秤校验煤量2、耗煤量少计32774.45吨情况分析:1)1月报表煤量少计属于运行统计误差;2)2月报表煤量人为调整,未采用皮带秤数据;3)5月-9月报表煤量是按皮带秤煤量乘以0.95计算。耗用煤量应按电子皮带秤计量,并根据皮带秤校验结果进行微调,而实际皮带秤校验偏差均未达到5%,因此5月-9月耗煤量属于人为调整。3、皮带秤校验煤量未全部计入耗用煤量根据运行部煤量统计表统计数据看,未将每次皮带秤校验煤量正确计入耗用煤量,如:9/6、8/5、8/26等皮带秤校验煤量未计。4、不能真实反映机组实际的煤耗:200X年1-9月生产技术报表显示发电煤耗为337.121克/千瓦时,按皮带秤计量煤量计算实际发电煤耗应为346.221克/千瓦时,实际机组煤耗比报表数高9.1克/千瓦时。月份发电量报表发电用天然煤量电子皮带秤耗用煤量天然煤发热量发电用天然油量天然油发热量报表发电煤耗实际发电煤耗1月306487.37167289.6167684.0218185.04110.80142704.687339.632340.4312月274226.4159025.85163025.8317266.93218.7442650.69342.186350.7913月362154.24196457.29196457.2918296.8790.8542666.79339.093339.0934月271401.48150320.51150320.5117728.77312.8642654.63335.534335.5345月104144.0454408.7857272.3618552.19518.5742653.38331.385348.8126月133161.8467930.8171507.1319049.98256.5542651.29332.623350.1027月188692.5695292.8100237.8319157.32828.5742651.44330.744347.8968月243880.56132242.46139202.5918111.84761.8242651.76335.890353.5499月354319.56190473.73200508.7218395.8730.4742349.53337.851355.650合计2238468.051213441.831246216.318192.66309.23142670.34337.121346.221审计依据1、《中国电力投资集团公司燃料管理制度(试行)》;2、《中国电力投资集团公司燃料管理审计办法》;3、某发电厂安生部技术经济指标表、运行部煤量统计表、会计报表、皮带秤校验记录。审计评价意见1、某电厂200X年1-9月耗煤量人为调低,发电煤耗指标虚低,少计燃料成本8174929.09元。2、未按照《中国电力投资集团公司燃料管理制度(试行)》规定,正确计入当月燃料消耗量,煤炭消耗量未以入炉皮带秤计量数量为准(月末可根据皮带秤校验结果进行调整)。2、发电企业供电煤耗率正平衡计算,保证各项生产技术和燃料运行指标的准确、可靠。被审单位意见主管签章:年月日审计组长:审计副组长:主审:审计员:

1、当您付费下载文档后,您只拥有了使用权限,并不意味着购买了版权,文档只能用于自身使用,不得用于其他商业用途(如 [转卖]进行直接盈利或[编辑后售卖]进行间接盈利)。
2、本站所有内容均由合作方或网友上传,本站不对文档的完整性、权威性及其观点立场正确性做任何保证或承诺!文档内容仅供研究参考,付费前请自行鉴别。
3、如文档内容存在违规,或者侵犯商业秘密、侵犯著作权等,请点击“违规举报”。

碎片内容

审计底稿-燃料消耗数量发电煤耗

墨香书阁+ 关注
实名认证
内容提供者

热爱教学事业,对互联网知识分享很感兴趣

确认删除?
VIP
微信客服
  • 扫码咨询
会员Q群
  • 会员专属群点击这里加入QQ群
客服邮箱
回到顶部