电脑桌面
添加小米粒文库到电脑桌面
安装后可以在桌面快捷访问

抹灰施工技术交底(补充)VIP免费

抹灰施工技术交底(补充)_第1页
1/12
抹灰施工技术交底(补充)_第2页
2/12
抹灰施工技术交底(补充)_第3页
3/12
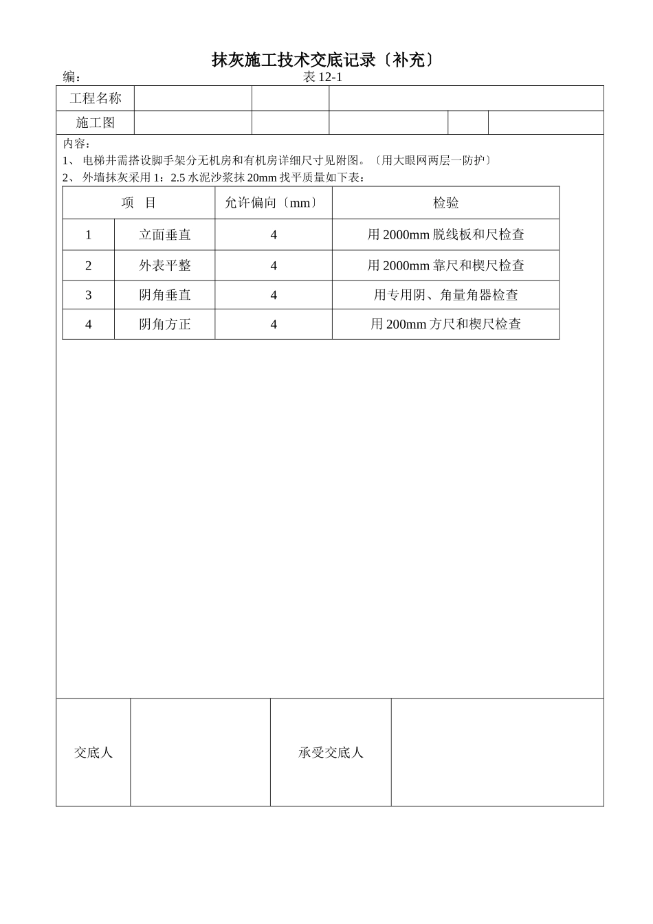
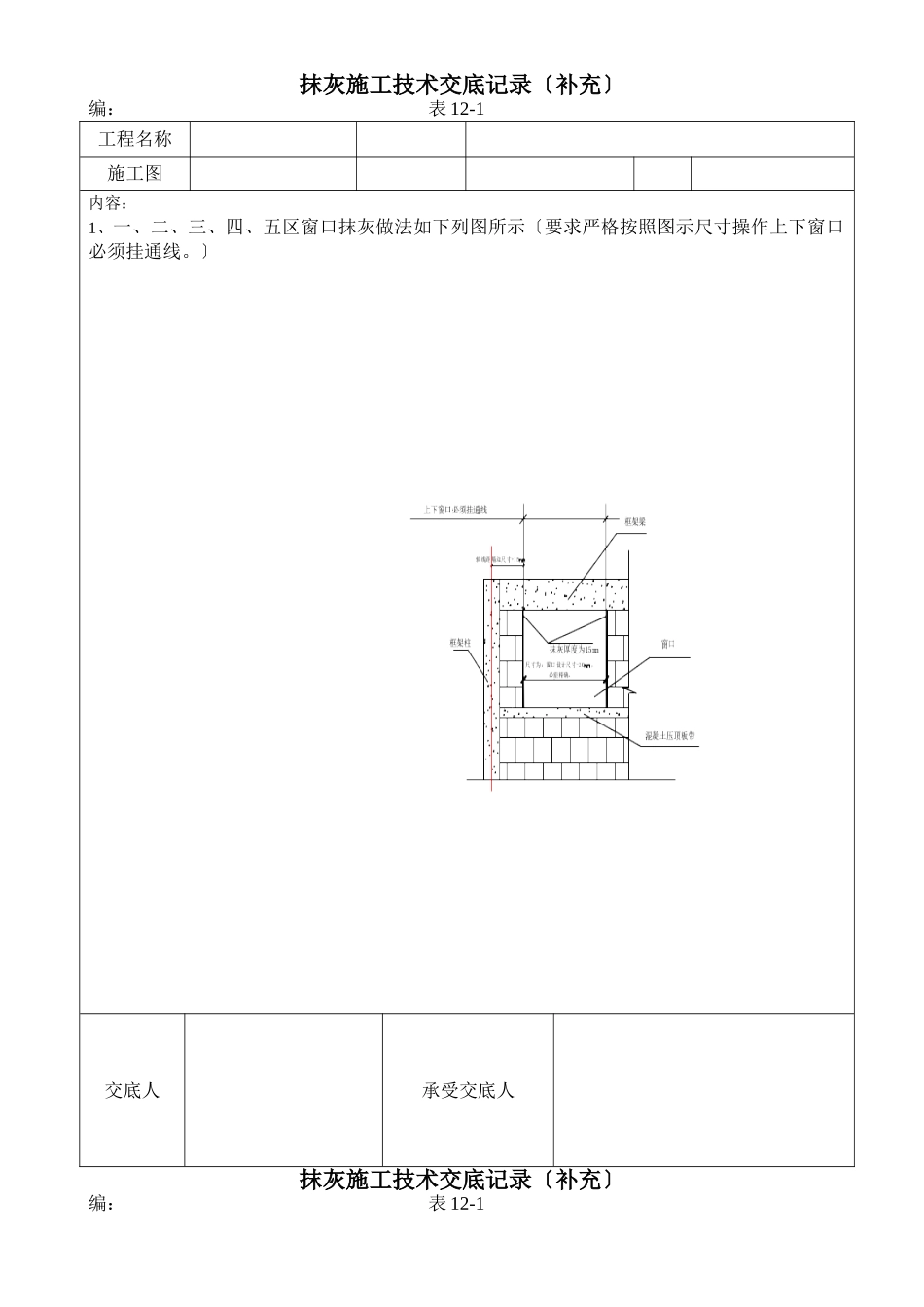
抹灰施工技术交底记录〔补充〕编:表12-1工程名称施工图内容:1、电梯井需搭设脚手架分无机房和有机房详细尺寸见附图。〔用大眼网两层一防护〕2、外墙抹灰采用1:2.5水泥沙浆抹20mm找平质量如下表:项目允许偏向〔mm〕检验1立面垂直4用2000mm脱线板和尺检查2外表平整4用2000mm靠尺和楔尺检查3阴角垂直4用专用阴、角量角器检查4阴角方正4用200mm方尺和楔尺检查交底人承受交底人抹灰施工技术交底记录〔补充〕编:表12-1工程名称施工图内容:1、一、二、三、四、五区窗口抹灰做法如下列图所示〔要求严格按照图示尺寸操作上下窗口必须挂通线。〕交底人承受交底人抹灰施工技术交底记录〔补充〕编:表12-1工程名称施工图内容:1、一、二、三、四、五区门口侧壁不抹灰。如下列图:交底人承受交底人抹灰施工技术交底记录〔补充〕编:表12-1工程名称施工图内容:〔一〕、一、二、三、四、五区窗口上框架梁底皮抹灰厚度详细如下:当窗外侧为玻璃幕时抹灰厚度为2cm。当窗垛为干挂大理石时抹灰厚度为5.5cm。〔二〕、一、二、三、四、五区楼层内框架柱抹灰详细要求如下:1、抹灰前彻底去除柱面残留的脱模剂、铁锈、养护时抹的干水泥、覆盖塑料薄膜形成的柱子外表泥浆及其他污物详细操作时先用铁铲将柱子上的水泥浆去除干净把干水泥扫干净然后用细水从上至下放水同时把柱面清扫干净。2、在清理完的柱子上涂刷界面剂即抹一道掺108胶的1:1素水泥浆〔15—20水重的108胶〕:将1:1素水泥浆加掺水重15—20的108胶充分搅拌均匀。然后再抹底层、面层灰〔同空心砖墙面抹灰〕。3、砼柱面与砖墙面接点处理如下列图所示:交底人承受交底人抹灰施工技术交底记录〔补充〕编:表12-1工程名称施工图内容:〔一〕、一、二、三、四、五区构造柱、过梁、圈梁与砖墙交接处加玻纤网格布每边伸入墙内100mm。〔二〕、一、二、三、四、五区角做1:2水泥砂浆护角柱子及门口角护角高度不低于2m每侧宽度不小于5cm窗垛角护角高度不低于1.5m每侧宽度不小于5cm。〔三〕、外墙有幕墙处抹灰要求压光。〔四〕、面层抹灰:先抹一面墙成活后再抹另一面〔对称墙面先完成〕以保证阴角尺寸。门口两边及上沿用靠尺压紧收齐。交底人承受交底人抹灰施工技术交底记录〔补充〕编:表12-1工程名称施工图内容:1、你队施工范围内的精装修房间按照?︱标段室内二次装修与总包及专业承包配合施工的部位、?、精装修房间分布图及图纸说明施工。2、消火栓箱反面设置单层钢板网搭入墙体200mm四角加设300mm×300mm钢板网详细如下列图所示:3、在所有角处做模板护角在框架柱与空心砖墙交接的阴角设置塑料布用钢钉加2cm×2cm垫片固定塑料布。4、在消火栓箱安装完毕支撑加固完毕且做完工序交接后假设预留洞口上皮与消火栓箱上皮间隔大于3cm在消火栓箱上皮加设混凝土板详细尺寸如下:交底人承受交底人抹灰施工技术交底记录〔补充〕编:表12-1工程名称施工图内容:交底人承受交底人抹灰施工技术交底记录〔补充〕编:表12-1工程名称施工图内容:交底人承受交底人抹灰施工技术交底记录〔补充〕编:表12-1工程名称施工图内容:一区、会客室、接待室、值班室、收发室、四区会议室、五区接待室、值班室、收发室、休息室、踢脚改为100mm白钢踢脚抹灰不留踢脚线高度。交底人承受交底人抹灰施工技术交底记录〔补充〕编:表12-1工程名称施工图内容:一、二、三、四、五区楼梯间滴水线做法如图:交底人承受交底人抹灰施工技术交底记录〔补充〕编:表12-1工程名称施工图内容:一、二、三、四、五区楼梯间滴水线做法如图:交底人承受交底人抹灰施工技术交底记录〔补充〕编:表12-1工程名称施工图内容:在地面切缝时为防止构造柱周围地面开裂在地面与构造柱之间设置分隔缝缝宽3-5mm〔或按设计要求〕用切割机切割如图:交底人承受交底人

1、当您付费下载文档后,您只拥有了使用权限,并不意味着购买了版权,文档只能用于自身使用,不得用于其他商业用途(如 [转卖]进行直接盈利或[编辑后售卖]进行间接盈利)。
2、本站所有内容均由合作方或网友上传,本站不对文档的完整性、权威性及其观点立场正确性做任何保证或承诺!文档内容仅供研究参考,付费前请自行鉴别。
3、如文档内容存在违规,或者侵犯商业秘密、侵犯著作权等,请点击“违规举报”。

碎片内容

抹灰施工技术交底(补充)

您可能关注的文档

确认删除?
VIP
微信客服
  • 扫码咨询
会员Q群
  • 会员专属群点击这里加入QQ群
客服邮箱
回到顶部