电脑桌面
添加小米粒文库到电脑桌面
安装后可以在桌面快捷访问

危险性较大工程安全专项施工方案论证细则(脚手架工程)VIP免费

危险性较大工程安全专项施工方案论证细则(脚手架工程)_第1页
1/9
危险性较大工程安全专项施工方案论证细则(脚手架工程)_第2页
2/9
危险性较大工程安全专项施工方案论证细则(脚手架工程)_第3页
3/9
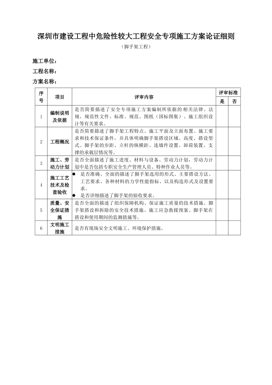
深圳市建设工程中危险性较大工程安全专项施工方案论证细则(脚手架工程)施工单位:工程名称:方案名称:序号项目评审内容评审标准是否1编制说明及依据是否简要描述了安全专项施工方案编制所依据的相关法律、法规、规范性文件、标准、规范、图纸(国标图集)、施工组织设计等有关要求。2工程概况是否简要描述了脚手架工程特点、施工平面及立面布置、施工要求和技术保证条件,并具体明确脚手架搭设区域、高度、搭设型式、脚手架的步距、立杆的纵横距、连墙件设置、卸荷装置、支撑的承载层情况等。3施工、劳动力计划是否全面描述了施工进度、材料与设备、劳动力计划,劳动力计划中是否包括专职安全生产管理人员、特种作业人员等。4施工工艺技术及检查验收是否准确、全面的描述了脚手架选用的形式、主要搭设方法、工艺要求、各种材料的力学性能指标、以及构造形式及设置要求。是否详细描述了脚手架的验收要求。5质量、安全保证措施是否全面的描述了组织保障机构、保证施工质量的技术措施、脚手架搭设和拆除的安全技术措施、施工应急救援预案、脚手架在搭设和使用期间的监测措施等。6文明施工措施是否有现场安全文明施工、环境保护措施。7计算书及相关附图验算项目及计算内容是否包括各项荷载设计值及荷载组合,纵横水平杆强度和刚度计算,连接扣件的抗滑移计算,立杆整体和局部稳定计算,连墙件计算,立杆支撑层承载力计算,悬挑设施的计算,脚手架的分段卸载计算等。是否每项计算列出了计算简图;附图中是否包括了脚手架立杆及纵横水平杆平面布置图、立面图、剖面图、剪刀撑布置图、节点大样图、监测平面布置图及连墙件布设位置图等。8审查要点(按此要点重点审查安全专项施工方案的相关部分)一、构配件:脚手架的构配件材料的截面尺寸、重量及物理力学参数应按目前材料市场上的实际情况选取;杆件、配件、材料的规格、重量和质量要求;二、现场搭设:立杆间距和水平杆件步距要求;支架立杆严禁采用搭接;相邻立杆接头严禁位于同一高度;杆件对接头的位置要求;扫地杆高度要求;悬挑脚手架悬挑结构施工要求;卸荷设施、装置施工要求;脚手架设置地面和楼盖的承载能力及加固、支撑措施;立杆的支垫要求;脚手架纵向剪刀撑设置要求;节点构造要求;扣件的紧固力矩要求;附着拉结的设置要求;架体搭设偏差规定;施工荷载控制要求。三、设计计算:设计和计算应符合现行标准的相应规定;有关标准的采用应合适;支撑层、架体、承传载、拉结、卸荷、加固等设计项目应齐全,应有相应的设计说明,有必须的、带尺寸标注的平、立、剖面图和构造详图;荷载计算和验算项目应符合规定,不缺项;各项计算应有计算参数、计算式和验算结果;计算书中应有计算简图。结论方案是否通过或有条件通过注:1、每位专家应对施工方案进行符合性审核,审核后应填写“深圳市建设工程中危险性较大工程安全专项施工方案评审记录”,2、该表完成后应将其电子文档传送给组长和协会工程部。检查人(签名):年月日深圳建筑业协会总工程师委员会制深圳市建设工程中危险性较大工程安全专项施工方案评审记录(脚手架工程)施工单位:工程名称:方案名称:评审情况(说明方案中存在的不足和修改意见):续表:注:1、每位专家应将方案中存在的不足和修改意见填写在此表内,完成此表后的电子文档传送给组长汇总;2、组长汇总后填写“深圳市危险性较大分部项工程安全专项施工方案评审记录回执”;3、在与企业交底时将“深圳市危险性较大分部项工程安全专项施工方案评审记录回执”交给企业修改方案;4、交底后组长将“危险性较大分部、分项工程安全专项施工方案评审意见”交给协会工程部以待企业领取。专家签名:年月日深圳建筑业协会总工程师委员会制深圳市危险性较大分部项工程安全专项施工方案评审记录回执(脚手架工程)评审时间:年月日工程名称项目经理施工方案名称编制人施工单位批准人评审情况(说明方案中存在的不足和修改意见):续表:修改情况(由企业填写)计算书已复核□节点、平面相关图已补齐□方案已修改□企业已审批□专业监理工程师已审核□总监...

1、当您付费下载文档后,您只拥有了使用权限,并不意味着购买了版权,文档只能用于自身使用,不得用于其他商业用途(如 [转卖]进行直接盈利或[编辑后售卖]进行间接盈利)。
2、本站所有内容均由合作方或网友上传,本站不对文档的完整性、权威性及其观点立场正确性做任何保证或承诺!文档内容仅供研究参考,付费前请自行鉴别。
3、如文档内容存在违规,或者侵犯商业秘密、侵犯著作权等,请点击“违规举报”。

碎片内容

危险性较大工程安全专项施工方案论证细则(脚手架工程)

确认删除?
VIP
微信客服
  • 扫码咨询
会员Q群
  • 会员专属群点击这里加入QQ群
客服邮箱
回到顶部