电脑桌面
添加小米粒文库到电脑桌面
安装后可以在桌面快捷访问

室内照明和上下水安装工程施工安全技术交底VIP免费

室内照明和上下水安装工程施工安全技术交底_第1页
1/2
室内照明和上下水安装工程施工安全技术交底_第2页
2/2
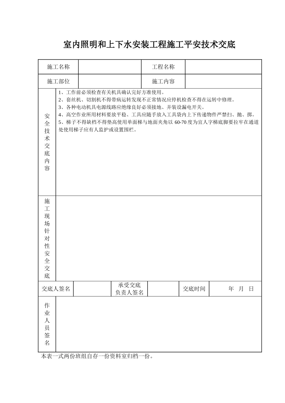
室内照明和上下水安装工程施工平安技术交底施工名称工程名称施工部位施工内容安全技术交底内容1、工作前必须检查有关机具确认完好方准使用。2、套丝机、切割机不得带病运转发现不正常情况应停机检查不得在运转中修理。3、各种电动机具电源线路应绝缘良好必须接地、并装设漏电开关。4、高空作业所用材料要放平稳、工具应随手放入工具袋内上下传递物件严禁扫、抛、掷。5、梯子不得缺档不得垫高使用单面梯与地面夹角以60-70度为宜人字梯底脚要拉牢在通道处使用梯子应有人监护或设置围栏。施工现场针对性安全交底交底人签名承受交底负责人签名交底时间年月日作业人员签名本表一式两份班组自存一份资料室归档一份。

1、当您付费下载文档后,您只拥有了使用权限,并不意味着购买了版权,文档只能用于自身使用,不得用于其他商业用途(如 [转卖]进行直接盈利或[编辑后售卖]进行间接盈利)。
2、本站所有内容均由合作方或网友上传,本站不对文档的完整性、权威性及其观点立场正确性做任何保证或承诺!文档内容仅供研究参考,付费前请自行鉴别。
3、如文档内容存在违规,或者侵犯商业秘密、侵犯著作权等,请点击“违规举报”。

碎片内容

室内照明和上下水安装工程施工安全技术交底

您可能关注的文档

确认删除?
VIP
微信客服
  • 扫码咨询
会员Q群
  • 会员专属群点击这里加入QQ群
客服邮箱
回到顶部