电脑桌面
添加小米粒文库到电脑桌面
安装后可以在桌面快捷访问

国美电器标准作业流程VIP免费

国美电器标准作业流程_第1页
1/38
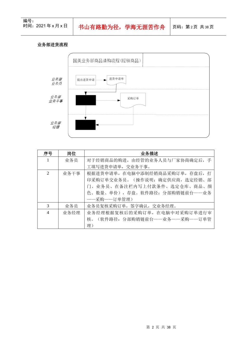
国美电器标准作业流程_第2页
2/38
国美电器标准作业流程_第3页
3/38
第1页共38页编号:时间:2021年x月x日书山有路勤为径,学海无涯苦作舟页码:第1页共38页国美标准作业流程业务部进货流程..............................................................................................................2门店进货流程..................................................................................................................3商品入大库流程..............................................................................................................4商品入门店库房流程.......................................................................................................5采购退回流程..................................................................................................................6门店要货申请流程...........................................................................................................7大库调拨门店流程...........................................................................................................8门店调往大库流程(退残)...........................................................................................9加盟店销售.....................................................................................................................11分部之间调拨流程.........................................................................................................12加盟店或分部之间调拨销售退回.................................................................................13门店自提商品销售流程.................................................................................................14门店送货商品销售流程.................................................................................................15门店欠款销售(门店送货).........................................................................................16门店未提货销售退回.....................................................................................................17门店已提货销售退回.....................................................................................................18门店销售集中送货流程.................................................................................................19门店集中送货销退回(退大库).................................................................................21门店销售带货安装商品流程.........................................................................................23特价商品销售流程.........................................................................................................24商品变价流程................................................................................................................25正品与残次移库............................................................................................................26商品盘点流程................................................................................................................27商品目录维护流程.........................................................................................................28分部往来单位维护流程.................................................................................................29经销商品货款的结算流程.............................................................................................30第2页共38页第1页共38页编号:时间:2021年x月x日书山有路勤为径,学海无涯苦作舟页码...

1、当您付费下载文档后,您只拥有了使用权限,并不意味着购买了版权,文档只能用于自身使用,不得用于其他商业用途(如 [转卖]进行直接盈利或[编辑后售卖]进行间接盈利)。
2、本站所有内容均由合作方或网友上传,本站不对文档的完整性、权威性及其观点立场正确性做任何保证或承诺!文档内容仅供研究参考,付费前请自行鉴别。
3、如文档内容存在违规,或者侵犯商业秘密、侵犯著作权等,请点击“违规举报”。

碎片内容

国美电器标准作业流程

确认删除?
VIP
微信客服
  • 扫码咨询
会员Q群
  • 会员专属群点击这里加入QQ群
客服邮箱
回到顶部