电脑桌面
添加小米粒文库到电脑桌面
安装后可以在桌面快捷访问

强条实施计划(电气)VIP免费

强条实施计划(电气)_第1页
1/29
强条实施计划(电气)_第2页
2/29
强条实施计划(电气)_第3页
3/29
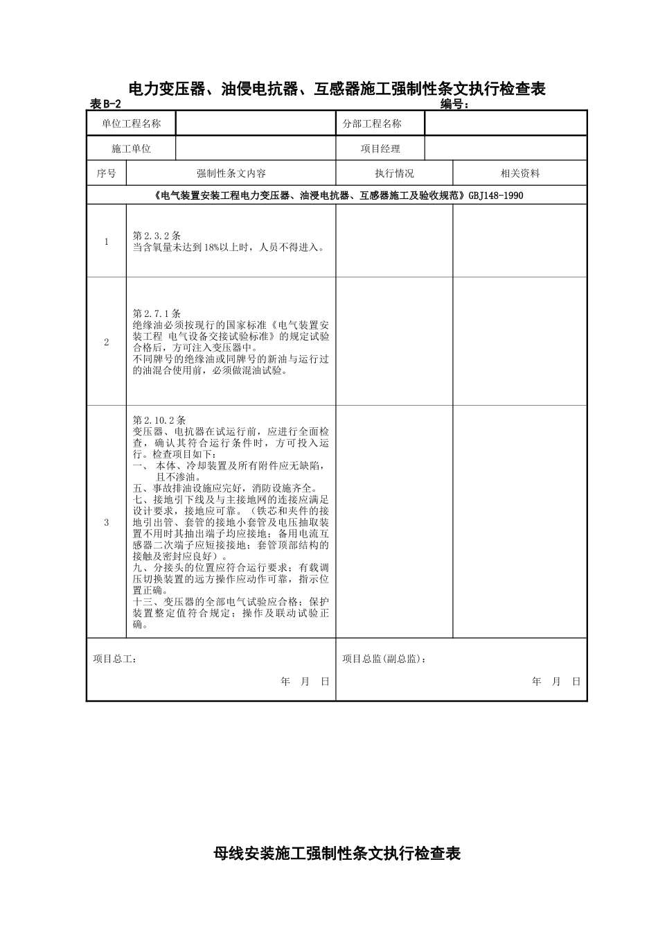
附三电气专业强制性条文执行检查表高压电器施工强制性条文执行检查表表B-1编号:单位工程名称分部工程名称施工单位项目经理序号强制性条文内容执行情况相关资料《电气装置安装工程高压电器施工及验收规范》GBJ147-19901第4.4.1条在验收时,应进行下列检查:三、断路器及其操动机构的联动应正常,无卡阻现象;分、合闸指示正确;辅助开关动作正确可靠。四、密度继电器的报警、闭锁定值应符合规定;电气回路传动正确。五、六氟化硫气体压力、泄漏率和含水量应符合规定。六、接地良好。项目总工:年月日项目总监(副总监):年月日电力变压器、油侵电抗器、互感器施工强制性条文执行检查表表B-2编号:单位工程名称分部工程名称施工单位项目经理序号强制性条文内容执行情况相关资料《电气装置安装工程电力变压器、油浸电抗器、互感器施工及验收规范》GBJ148-19901第2.3.2条当含氧量未达到18%以上时,人员不得进入。2第2.7.1条绝缘油必须按现行的国家标准《电气装置安装工程电气设备交接试验标准》的规定试验合格后,方可注入变压器中。不同牌号的绝缘油或同牌号的新油与运行过的油混合使用前,必须做混油试验。3第2.10.2条变压器、电抗器在试运行前,应进行全面检查,确认其符合运行条件时,方可投入运行。检查项目如下:一、本体、冷却装置及所有附件应无缺陷,且不渗油。五、事故排油设施应完好,消防设施齐全。七、接地引下线及与主接地网的连接应满足设计要求,接地应可靠。(铁芯和夹件的接地引出管、套管的接地小套管及电压抽取装置不用时其抽出端子均应接地;备用电流互感器二次端子应短接接地;套管顶部结构的接触及密封应良好)。九、分接头的位置应符合运行要求;有载调压切换装置的远方操作应动作可靠,指示位置正确。十三、变压器的全部电气试验应合格;保护装置整定值符合规定;操作及联动试验正确。项目总工:年月日项目总监(副总监):年月日母线安装施工强制性条文执行检查表表B-3编号:单位工程名称分部工程名称施工单位项目经理序号强制性条文内容执行情况相关资料《电气装置安装工程母线装置施工及验收规范》GBJ149-19901第2.4.9条母线施焊前,焊工必须经过考试合格。项目总工:年月日项目总监(副总监):年月日电缆敷设施工强制性条文执行检查表表B-4编号:单位工程名称分部工程名称施工单位项目经理序号强制性条文内容执行情况相关资料《电气装置安装工程电缆线路施工及验收规范》GB50168-20061第4.2.9条金属电缆支架全长均应有良好的接地。2第5.2.6条直埋电缆在直线段每隔50~100m处、电缆接头处、转弯处、进入建筑物等处,应设置明显的方位标志或标桩。3第7.0.1条对易受外部影响着火的电缆密集场所或可能着火蔓延而酿成严重事故的电缆线路,必须按设计要求的防火阻燃措施施工。项目总工:年月日项目总监(副总监):年月日电气设备接地强制性条文执行检查表表B-5编号:单位工程名称分部工程名称施工单位项目经理序号强制性条文内容执行情况相关资料《电气装置安装工程接地装置施工及验收规范》GB50169-20061第3.1.1条电气装置的下列金属部分,均应接地或接零:1电气装置的下列金属部分,均应接地或接零:电机、变压器、电器、携带式或移动式用电器具等的金属底座和外壳;2电气设备的传动装置;3屋内外配电装置的金属或钢筋混凝土构架以及靠近带电部分的金属遮栏和金属门;4配电、控制、保护用的屏(柜、箱)及操作台等的金属框架和底座;5交直流电力电缆的接头盒、终端头和膨胀器的金属外壳和可触及的电缆金属护层和穿线的钢管。穿线的钢管之间或钢管和电器设备之间有金属软管过渡的,应保证金属软管段接地畅通;6电缆桥架、支架和井架;7装有避雷线的电力线路杆塔;8装在配电线路杆上的电力设备;9在非沥青地面的居民区内,不接地、消弧线圈接地和高电阻接地系统中无避雷的架空电力线路的金属杆塔和钢筋混凝土杆塔;10承载电气设备的构架和金属外壳;11发电机中性点柜外壳、发电机出线柜、封闭母线的外壳及其他裸露的金属部分;12气体绝缘全封闭组合电器(GIS)的外壳接地端子和箱式变电站的金属箱体;13电热设备的金属外壳;14铠装控制电缆的金属护层;15互感器二次...

1、当您付费下载文档后,您只拥有了使用权限,并不意味着购买了版权,文档只能用于自身使用,不得用于其他商业用途(如 [转卖]进行直接盈利或[编辑后售卖]进行间接盈利)。
2、本站所有内容均由合作方或网友上传,本站不对文档的完整性、权威性及其观点立场正确性做任何保证或承诺!文档内容仅供研究参考,付费前请自行鉴别。
3、如文档内容存在违规,或者侵犯商业秘密、侵犯著作权等,请点击“违规举报”。

碎片内容

强条实施计划(电气)

确认删除?
VIP
微信客服
  • 扫码咨询
会员Q群
  • 会员专属群点击这里加入QQ群
客服邮箱
回到顶部