电脑桌面
添加小米粒文库到电脑桌面
安装后可以在桌面快捷访问

大楼维修改造工程施工组织设计概述VIP免费

大楼维修改造工程施工组织设计概述_第1页
1/65
大楼维修改造工程施工组织设计概述_第2页
2/65
大楼维修改造工程施工组织设计概述_第3页
3/65
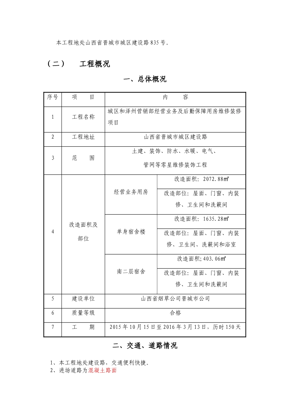
(一)综合说明一、编制说明我公司编制本施工组织设计的指导思想是:以安全及文明施工为突破口,以工程质量为核心,以工期管理为主线,以施工总承包管理为依托,以信息化施工为手段,以业务流程为标准,紧紧围绕本工程的“管理重点”和“施工重点”,抓住工程的要素,充分理解和掌握设计理念,精心组织,精心施工,确保向业主交付一个满意工程。二、编制范围及内容本施工组织设计所编制的范围为:山西省烟草公司晋城市城区和泽州卷烟营销部经营业务和后勤保障用房维修装饰工程(经营业务用房、单身宿舍楼、和南二层宿舍)的施工管理工作。根据本工程的实际情况和业主的要求,主要内容包括综合说明、工程概况、施工总体部署、施工进度安排及保证措施、施工资源配备计划、施工现场总平面布置、土建主要施工方案、机电主要施工方案、质量保证措施、安全生产文明施工保证措施、施工总承包管理保证措施、环境保护、消防保卫、季节性施工保证措施、合理化建议和新产品新技术应用、工程验收交付与工程回访保修等内容。本施工组织设计是我公司对本工程全面理解后所做出的总体策划,并籍此以指导本工程的施工。三、编制依据1、本工程相关资料序号内容编号日期1招标文件晋众招[2015]535号2015.82、主要规程、规范序号类别规范、规程名称编号1国家《混凝土结构工程施工质量验收规范》GB50204-20022国家《混凝土外加剂应用技术规范》GB500119-20033国家《施工现场临时用电安全技术规范》JGJ46-20054国家《建筑地面工程施工质量验收规范》GB50209-20025国家《建筑电气工程施工质量验收规范》GB50303-20026国家《建筑防腐蚀工程施工及验收规范》GB50212-20027国家《建筑给水排水及采暖工程施工质量验收规范》GB50242-20028国家《建筑工程施工质量验收统一标准》GB50300-20019国家《建筑工程项目管理规范》GBT50326-200110国家《建筑机械使用安全技术规程》JGJ33-200111国家《建筑施工安全技术统一规范》2003060012国家《建筑施工高处作业安全技术规范》JGJ80-9113国家《建筑涂饰工程施工及验收规程》JGJ/T29-200314国家《建筑文件归档整理规范》GB/T50328-200015国家《建筑装饰装修工程施工质量验收规范》GB50210-200216国家《砌体工程施工及质量验收规范》GB50203-200217国家《砌体工程现场检测技术标准》GB/T50315-200218国家《砌筑砂浆配合比设计规程》JGJ98-200019国家《外墙饰面砖工程施工及验收规程》JGJ126-200020国家《通风与空调工程施工质量验收规范》GB50243-200221国家《屋面工程质量验收规范》GB50207-200222国家《消防安全疏散标志设置标准》DBJ01-611-200223国家24国家25行业26行业27行业3、其他资料序号类别名称编号1企业公司现行体系文件、施工手册4、现场踏勘情况本工程地处山西省晋城市城区建设路835号。(二)工程概况一、总体概况序号项目内容1工程名称城区和泽州营销部经营业务及后勤保障用房维修装修项目2工程地址山西省晋城市城区建设路3范围土建、装饰、防水、水暖、电气、管网等零星维修装饰工程4改造面积及部位经营业务用房改造面积:2072.88㎡改造部位:屋面、门窗、内装修、卫生间和洗簌间单身宿舍楼改造面积:1635.28㎡改造部位:屋面、门窗、内装修、卫生间、洗簌间和浴室南二层宿舍改造面积;403.06㎡改造部位:屋面、门窗、内装修、卫生间和洗簌间5建设单位山西省烟草公司晋城市公司6质量等级合格7工期2015年10月15日至2016年3月13日,历时150天二、交通、道路情况1、本工程地处建设路,交通便利快捷。2、进场道路为混凝土路面三、供水、供电、排水情况现场雨污水采用分流制:由雨水篦收集道路雨水后,就近排入雨水主管,排出至城市雨水管网;生活污水汇流经小区设的6#和3#化粪池处理后排出至城市污水管网,现场内施工用水由施工单位进行设计后布设,以满足施工和消防需要。电源引至现场内用380/220V低压电源,施工用电由施工单位进行设计后布设,以满足施工需要。(三)施工总体部署一、施工总体目标序号项目目标1质量目标合格2工期目标四、总工期:150日历日;开工日期为2015.10.15,竣工日期为2016.3.13;3安全目标杜绝重大人身伤亡事故和机械事故,一般工伤...

1、当您付费下载文档后,您只拥有了使用权限,并不意味着购买了版权,文档只能用于自身使用,不得用于其他商业用途(如 [转卖]进行直接盈利或[编辑后售卖]进行间接盈利)。
2、本站所有内容均由合作方或网友上传,本站不对文档的完整性、权威性及其观点立场正确性做任何保证或承诺!文档内容仅供研究参考,付费前请自行鉴别。
3、如文档内容存在违规,或者侵犯商业秘密、侵犯著作权等,请点击“违规举报”。

碎片内容

大楼维修改造工程施工组织设计概述

您可能关注的文档

确认删除?
VIP
微信客服
  • 扫码咨询
会员Q群
  • 会员专属群点击这里加入QQ群
客服邮箱
回到顶部