电脑桌面
添加小米粒文库到电脑桌面
安装后可以在桌面快捷访问

高考化学一轮复习 专项突破三 电化学高考命题的探究试题VIP免费

高考化学一轮复习 专项突破三 电化学高考命题的探究试题_第1页
1/6
高考化学一轮复习 专项突破三 电化学高考命题的探究试题_第2页
2/6
高考化学一轮复习 专项突破三 电化学高考命题的探究试题_第3页
3/6
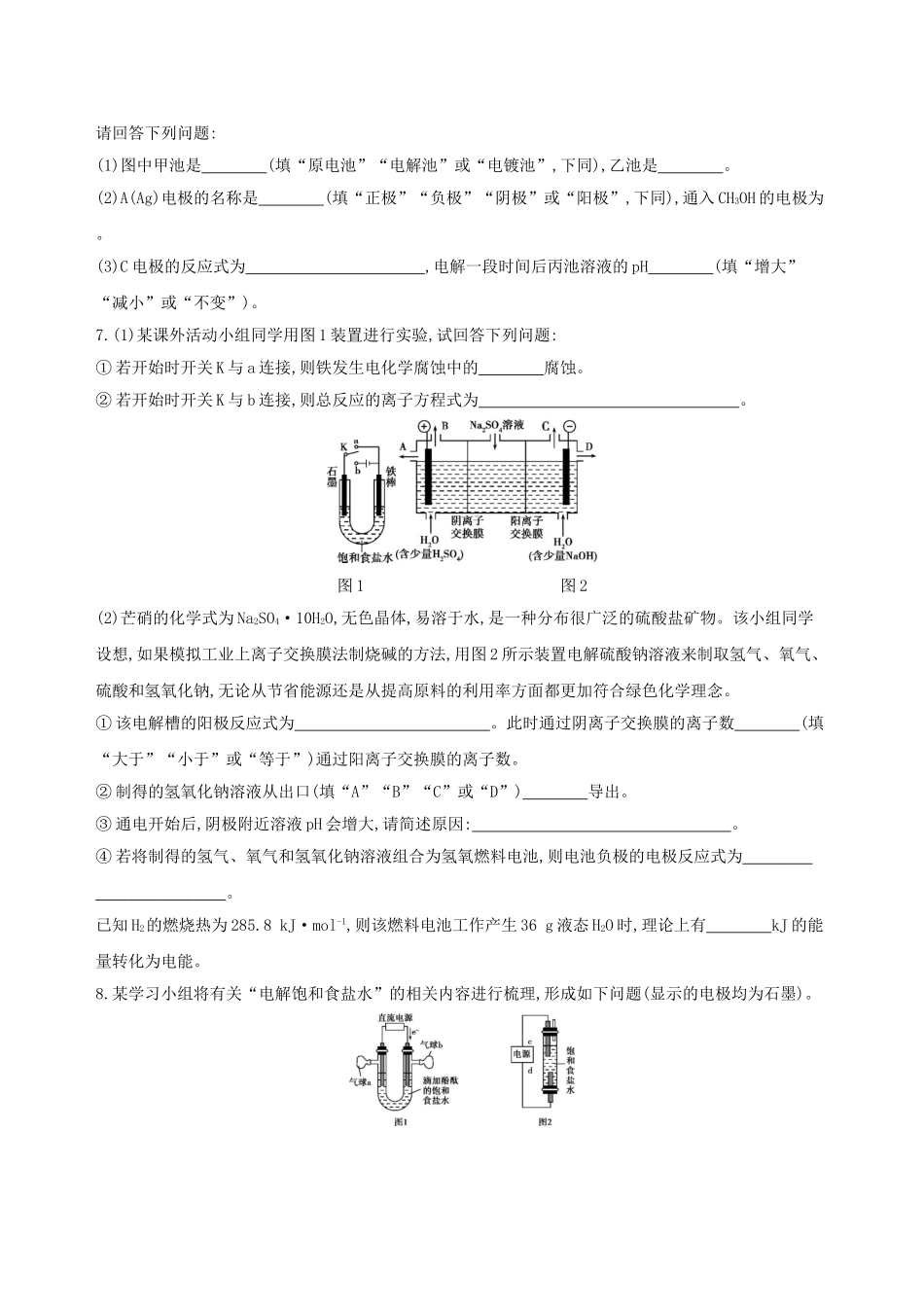
专项突破三电化学高考命题的探究1.某兴趣小组为了分析电解硝酸溶液时放电的离子,设计了如图装置进行实验(石墨电极)。电解过程中,X极产生了红棕色气体,则下列说法不合理的是()A.a极为负极,b极为正极B.电解时,Y极附近溶液pH降低C.相同条件下,阴、阳两极产生的气体体积比是2∶1D.X极的电极反应式是:2H++N+e-NO2↑+H2O2.电化学降解N的原理如图所示。下列说法中不正确的是()A.铅蓄电池的A极为正极,电极材料为PbO2B.铅蓄电池工作过程中负极质量增加C.该电解池的阴极反应为:2N+6H2O+10e-N2↑+12OH-D.若电解过程中转移2mol电子,则交换膜两侧电解液的质量变化差(Δm左-Δm右)为10.4g3.可给笔记本电脑供电的甲醇燃料电池已经面世,其结构示意图如下。甲醇在催化剂作用下提供质子(H+)和电子,电子经外电路、质子经内电路到达另一电极后与氧气反应,电池总反应为:2CH3OH+3O22CO2+4H2O。下列说法不正确的是()A.右电极为电池正极,b处通入的物质是空气B.左电极为电池负极,a处通入的物质是空气C.负极反应式为:CH3OH+H2O-6e-CO2+6H+D.正极反应式为:O2+4H++4e-2H2O4.如图所示,甲池的总反应为N2H4+O2N2+2H2O。下列关于该电池工作时的说法正确的是()A.甲池中负极反应为:N2H4-4e-N2+4H+B.甲池溶液pH不变,乙池溶液pH减小C.甲池中消耗2.24LO2,乙池中理论上产生12.8g固体D.反应一段时间后,向乙池中加一定量CuO固体,能使CuSO4溶液恢复到原浓度5.2015年斯坦福大学研究人员研制出一种可在一分钟内完成充放电的超常性能铝离子电池,内部用AlC和有机阳离子构成电解质溶液,其放电工作原理如下图所示。下列说法中不正确的是()A.放电时,铝为负极、石墨为正极B.放电时,有机阳离子向铝电极方向移动C.放电时的负极反应为Al-3e-+7AlC4Al2CD.充电时的阳极反应为Cn+AlC-e-CnAlCl46.如图是一个电化学过程的示意图。请回答下列问题:(1)图中甲池是(填“原电池”“电解池”或“电镀池”,下同),乙池是。(2)A(Ag)电极的名称是(填“正极”“负极”“阴极”或“阳极”,下同),通入CH3OH的电极为。(3)C电极的反应式为,电解一段时间后丙池溶液的pH(填“增大”“减小”或“不变”)。7.(1)某课外活动小组同学用图1装置进行实验,试回答下列问题:①若开始时开关K与a连接,则铁发生电化学腐蚀中的腐蚀。②若开始时开关K与b连接,则总反应的离子方程式为。图1图2(2)芒硝的化学式为Na2SO4·10H2O,无色晶体,易溶于水,是一种分布很广泛的硫酸盐矿物。该小组同学设想,如果模拟工业上离子交换膜法制烧碱的方法,用图2所示装置电解硫酸钠溶液来制取氢气、氧气、硫酸和氢氧化钠,无论从节省能源还是从提高原料的利用率方面都更加符合绿色化学理念。①该电解槽的阳极反应式为。此时通过阴离子交换膜的离子数(填“大于”“小于”或“等于”)通过阳离子交换膜的离子数。②制得的氢氧化钠溶液从出口(填“A”“B”“C”或“D”)导出。③通电开始后,阴极附近溶液pH会增大,请简述原因:。④若将制得的氢气、氧气和氢氧化钠溶液组合为氢氧燃料电池,则电池负极的电极反应式为。已知H2的燃烧热为285.8kJ·mol-1,则该燃料电池工作产生36g液态H2O时,理论上有kJ的能量转化为电能。8.某学习小组将有关“电解饱和食盐水”的相关内容进行梳理,形成如下问题(显示的电极均为石墨)。(1)图1中,电解一段时间后,气球b中的气体是(填化学式),U形管(填“左”或“右”)边的溶液变红。(2)利用图2制作一种环保型消毒液发生器,电解可制备“84”消毒液的有效成分,则c为电源的极;该发生器中反应的总离子方程式为。(3)氯碱工业是高耗能产业,一种将电解池与燃料电池相组合的新工艺可以节(电)能30%以上。该工艺的相关物质传输与转化关系如图3所示(其中的电极未标出,所用的离子膜都只允许阳离子通过)。图3①燃料电池B中的电极反应式分别为:负极,正极。②分析图3可知,氢氧化钠的质量分数a%、b%、c%由大到小的顺序为。答案精解精析1.答案C电解过程中,X极产生了红棕色气体,则X极的电极反应式为2H++N+e-NO2↑+H2O,则X为电解池的阴极,Y为电解池的阳极。A项,a极为负极,b极为正极;B项,电解时,Y为电解池的阳极,电极反应式为4OH--4e-O2↑+2H2O,Y极附近溶液pH降低;C项,由电极反应式知,相同条件下,阴、阳两...

1、当您付费下载文档后,您只拥有了使用权限,并不意味着购买了版权,文档只能用于自身使用,不得用于其他商业用途(如 [转卖]进行直接盈利或[编辑后售卖]进行间接盈利)。
2、本站所有内容均由合作方或网友上传,本站不对文档的完整性、权威性及其观点立场正确性做任何保证或承诺!文档内容仅供研究参考,付费前请自行鉴别。
3、如文档内容存在违规,或者侵犯商业秘密、侵犯著作权等,请点击“违规举报”。

碎片内容

高考化学一轮复习 专项突破三 电化学高考命题的探究试题

您可能关注的文档

文章天下+ 关注
实名认证
内容提供者

各种文档应有尽有

确认删除?
VIP
微信客服
  • 扫码咨询
会员Q群
  • 会员专属群点击这里加入QQ群
客服邮箱
回到顶部