电脑桌面
添加小米粒文库到电脑桌面
安装后可以在桌面快捷访问

双钢筋叠合板安装施工工艺VIP免费

双钢筋叠合板安装施工工艺_第1页
1/3
双钢筋叠合板安装施工工艺_第2页
2/3
双钢筋叠合板安装施工工艺_第3页
3/3
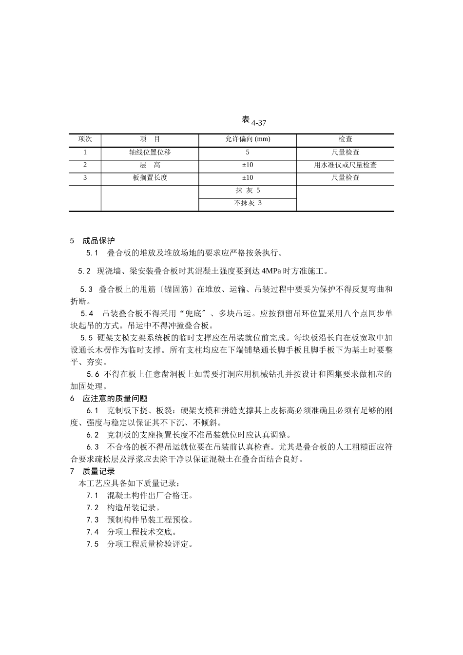
双钢筋叠合板安装施工1范围本工艺适用于多层及高层多种民用建筑叠合楼板或屋面板的安装。对条件合适的工业建筑亦可采用。2施工准备2.1材料及主要机具:双钢筋叠合板:板厚分为50mm和63mm两种系列。平面尺寸以三模为基准50mm系列长4.2m~6.3m宽l.5m~3.9m.共72种;63mm系列长4.2m~7.2m宽1.5m~3.9m共99种。预制叠合板的叠合面应有凹凸差不小于4mm的人工粗糙面外表不得有疏松层和浮浆。双钢筋叠合板要有出厂合格证。支座硬架支模及支板缝的木板、木方或定型支柱等应按施工方案配制。机具;垂直运输机械、钢卷尺、撬棍等。2.2作业条件:根据图纸、、叠合板图集以及洽商的要求绘制叠合板安装图。其中应表示出叠合板的平面位置、型、板缝尺寸、支座搁置长度、支座硬架支模位置、临时支撑位置以便叠合板安装。检查叠合板的质量:详细检查有无裂缝、缺损检查叠合板的外表质量。凡不符合质量要求的不得使用。并按安装图核对叠合板的型和规格。检查墙体或梁的标高及轴线。梁和圈梁的钢筋及模板办完隐、预检。叠合板的堆放及场地要求:场地应事先抄平、整实并筑3∶7灰土两步。堆放的支点位置同吊点。每块叠合板下沿叠合板长向紧靠吊环应放通长垫木上下对齐、对正、垫平、垫实。不同板应分别码放不允许不同板重叠堆放。堆放高度宜不大于6层。条件允许时应随到随上楼。墙四周硬架支模及拼板缝处硬架支撑和板的临时支撑按施工方案安装完毕并做完预检。3操作工艺3.1工艺流程图:检查支座及板缝硬架支模上平标高→画叠合板位置线→吊装叠合板→调整支座处叠合板搁置长度→整理叠合板甩出钢筋3.2因叠合板在支座上搁置长度较小〔或板未进支座〕故一般情况下墙四周宜采用硬架支模一般为单排支柱与墙体锁固间距60~100cm。墙或梁顶标高应下降l~3cm。板的拼缝处亦设硬架支撑一般为双排支柱间距为60~100cm。安装叠合板前应认真检查硬架支模的支撑系统检查墙或梁的标高、轴线以及硬架支模的程度楞的顶面标高并校正。3.3画叠合板位置线:在墙、梁或硬架横楞上的侧面按安装图画出板缝位置线并标出板。拼板之间的板缝一般为100mm、如排板需要时可在80mm~170mm之间变动。但大于100mm的拼缝应置于接近板连续边的一侧。见图4-39。图4-39板缝留置示意图3.4叠合板吊装就位:假设叠合板有预留孔洞时吊装前先查清其位置明确板的就让方向。同时检查、排除钢筋等就位的障碍。吊装时应按预留吊环位置采取八个吊环同步起吊的方式。就但时应使叠合板对准所划定的叠合板位置线按设计支座搁置年度慢降到位稳定落实。3.5调整叠合板支座处的搁置长度:用撬棍按图纸要求的支座处的搁置长度轻轻调整。必要时要借助吊车绷紧钩绳〔但板不离支座〕辅以人工用撬棍共同调整搁置长度。图纸对支座搁置长度无要求时板搁置在混凝土构件上时一般为+20mm〔即伸入支座20mm〕。假设排板需要亦可在+30mm~-50mm之间变动。但假设墙厚≤160mm时筒支边的搁置长度应>0。假设必须小于-50mm应按设计要求加大甩筋长度。搁置长度的状态见图4-40。在砖混构造中板伸入支座的长度一般宜大于50mm。3.6按设计规定整理叠合板四周甩出的钢筋不得弯90°亦不得将其压于板下。4质量图4-404.1保证工程:构件吊运时混凝土强度必须符合设计要求和施工的规定。检查:检查构件出厂证明和同条件养护试块的试验。叠合板接缝处的混凝土必须计量准确浇捣实养护充分其强度必须到达设计要求或施工的规定。检查:观察和检查养护龄28d试块抗压试验及施工记录。叠合板的型、位置、支点锚固必须符合设计要求已无变形损坏现象。检查:观察或尺量检查和检查吊装记录。4.2根本工程:叠合板的标高、坐浆、板缝宽度应符合设计要求和施工的规定。检查:观察、足量检查。4.3允许偏向工程见表4-37。表4-37项次项目允许偏向(mm)检查1轴线位置位移5尺量检查2层高±10用水准仪或尺量检查3板搁置长度±10尺量检查抹灰5不抹灰35成品保护5.1叠合板的堆放及堆放场地的要求应严格按条执行。5.2现浇墙、梁安装叠合板时其混凝土强度要到达4MPa时方准施工。5.3叠合板上的甩筋〔锚固筋〕在堆放、运输、吊装过程中要妥为保护不得反复弯曲和折断。5.4吊装叠合板不得采用“兜底〞、多块吊运。应按预...

1、当您付费下载文档后,您只拥有了使用权限,并不意味着购买了版权,文档只能用于自身使用,不得用于其他商业用途(如 [转卖]进行直接盈利或[编辑后售卖]进行间接盈利)。
2、本站所有内容均由合作方或网友上传,本站不对文档的完整性、权威性及其观点立场正确性做任何保证或承诺!文档内容仅供研究参考,付费前请自行鉴别。
3、如文档内容存在违规,或者侵犯商业秘密、侵犯著作权等,请点击“违规举报”。

碎片内容

双钢筋叠合板安装施工工艺

您可能关注的文档

确认删除?
VIP
微信客服
  • 扫码咨询
会员Q群
  • 会员专属群点击这里加入QQ群
客服邮箱
回到顶部