电脑桌面
添加小米粒文库到电脑桌面
安装后可以在桌面快捷访问

建筑排水工程施工质量监理实施细则VIP免费

建筑排水工程施工质量监理实施细则_第1页
1/10
建筑排水工程施工质量监理实施细则_第2页
2/10
建筑排水工程施工质量监理实施细则_第3页
3/10
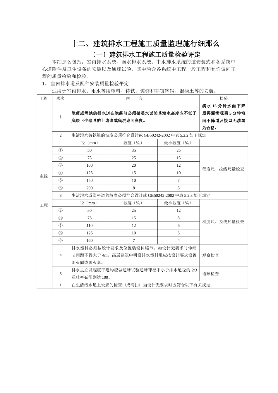
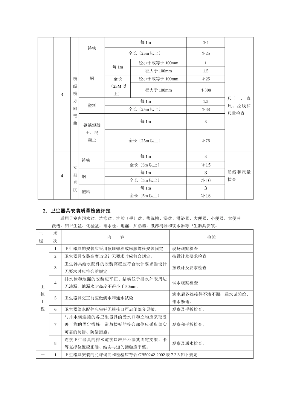
十二、建筑排水工程施工质量监理施行细那么〔一〕建筑排水工程施工质量检验评定本细那么包括:室内排水系统、雨水排水系统、中水排水系统的道安装式和各系统中心道附件及卫生设备的安装以及通球试验。其中隐含各系统中工程一般工程和允许偏向工程的质量检验和检验。1.室内排水道及配件安装质量检验平定适用于室内排水、雨水等用塑料、铸铁、镀锌和非镀锌钢、混凝土等的安装。工程项次内容检验主控工程1隐蔽或埋地的排水道在隐蔽前必须做灌水试验其灌水高度应不低于底层卫生器具的上边缘或底层地面高度。满水15分钟水面下降后再灌满观察5分钟液面不降道及接口无渗漏为合格。2生活污水铸铁道的坡度必须符合设计或GB50242-2002中表5.2.2如下规定径〔mm〕坡度〔‰〕最小坡度〔‰〕①503525程度尺、拉线尺量检查②752515③1002012④1251510⑤150107⑥200853生活污水或塑料道的坡度必须符合设计或GB50242-2002中表5.2.3如下规定径〔mm〕坡度〔‰〕最小坡度〔‰〕程度尺、拉线尺量检查②502512③75158④110126⑤125105⑥160744排水塑料必须按设计要求及位置装设伸缩节。如设计无要求时伸缩节间距不得大于4m。高层建筑中明设排水塑料道应按设计要求设置阻火圈或防火套。观察检查5排水主立及程度干道均应做通球试验通球球径不小于排水道径的2/3通球率必须到达100。通球检查1在生活污水道上设置的检查口或清扫口当设计无要求时应符合以下有关规定:一般工程1在立上应每隔一层设置一个检查口但在最底层和有卫生器具的层必须设置。如为两层建筑时可仅在底层设置立检查口;如有乙字弯时那么在该层乙字弯的上部设置检查口。检查口中心高度距操作地面一般1m允许偏向±20mm;检查口的朝向应便于检修。暗装立在检查口处应安装检修门。2在连接2个及2个以上大便器或3个及3个以上卫生器具的污水横上应设置清扫口。当污水在楼板下悬吊敷设时可将清扫口设在上一层楼地面上污水起点的清扫口与道相垂直的墙面间隔不得小于200mm;假设污水起点设置堵头代替清扫口时与墙面间隔不得小于400mm。3在转角小于135°的污水横上应设置检查口或清扫口。4污水横的直线段应按设计要求的间隔设置检查口或清扫口。观察和尺量检查2埋在地下或地板下的排水道的检查口应设在检查井内。井底外表标高与检查口的法兰相平井底外表应有5坡度坡向检查口。尺量检查3金属排水道上的吊钩或卡箍应固定在承重构造上。固定件间距:横不大于2m;立不大于3m。楼层高度小于或等于4m立可安装1个固定件。立底部的弯处应设支墩或采取固定措施。观察或尺量检查4排水塑料道支、吊架间距应符合GB50242-2002表5.2.9如下规定。径〔mm〕5075110125160尺量检查立1.21.52.02.02.0横0.50.751.101.301.65排水通气不得与风道或烟道连接且应符合以下规定。1通气应高出屋面300mm但必须大于积雪厚度。2在通气出口4m以内有门、窗时通气应高出门、窗顶600mm或引向无门、窗一侧。3在经常有人留的平屋顶上通气应高出屋面2m并应根据防协要求设置防协装置。4屋顶有隔热层应从隔热层板面算起。观察和尺量检查6安装未经消处理的医院含菌污水道不得与其他排水道直接连接。观察检查7饮食业工艺设备引出的排水及饮用水水箱的溢流不得与污水道直接连接并应留出不小于100mm的隔断空间。观察和尺量检查8通向室外的排水穿过墙壁或根底必须下返时应采用450三通和450弯头连接并应在垂直段顶部设置清扫口。观察和尺量检查9由室内通向室外排水检查井的排水井内引入应高于排出或两顶相平并有不小于900的水流转角如跌落差大于300mm可不受角度限制。观察和尺量检查10用于室内排水的程度道与程度道、程度道与立的连接应采用450三通或450四通和900斜三通或900斜四通。立与排出端部的连接应采用两个450弯头或曲率半径不小于4倍径的900弯头。观察和尺量检查11室内排水道安装的允许偏向应符合GB50242-2002表5.2.16如下规定。项次项目允许偏向〔mm〕检验1坐标15用水准仪〔程度2标高±15尺〕、直尺、拉线和尺量检查3横纵横方向弯曲铸铁每1m≯1全长〔25m以上〕≯25钢每1m径小于或等于100mm1径大于100mm1.5全长〔25M以上〕径小于或等于100mm≯25径大于100mm≯308塑料每1m1.5全长〔25m以上〕≯...

1、当您付费下载文档后,您只拥有了使用权限,并不意味着购买了版权,文档只能用于自身使用,不得用于其他商业用途(如 [转卖]进行直接盈利或[编辑后售卖]进行间接盈利)。
2、本站所有内容均由合作方或网友上传,本站不对文档的完整性、权威性及其观点立场正确性做任何保证或承诺!文档内容仅供研究参考,付费前请自行鉴别。
3、如文档内容存在违规,或者侵犯商业秘密、侵犯著作权等,请点击“违规举报”。

碎片内容

建筑排水工程施工质量监理实施细则

您可能关注的文档

海纳百川+ 关注
实名认证
内容提供者

热爱教学事业,对互联网知识分享很感兴趣

确认删除?
VIP
微信客服
  • 扫码咨询
会员Q群
  • 会员专属群点击这里加入QQ群
客服邮箱
回到顶部