电脑桌面
添加小米粒文库到电脑桌面
安装后可以在桌面快捷访问

新建南广铁路工程监理实施细则VIP免费

新建南广铁路工程监理实施细则_第1页
1/24
新建南广铁路工程监理实施细则_第2页
2/24
新建南广铁路工程监理实施细则_第3页
3/24
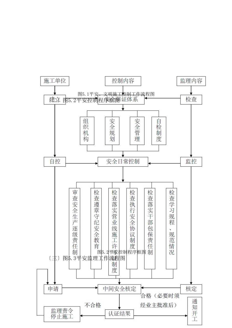
平安监理施行细那么一、工程简介新建南广铁路建立是重点工程工程其设计走向沿珠江水道的西江——东江方向从南宁出发径黎塘、贵港、桂平、平南、梧州、云浮、肇庆、山等站到达广州铁路全长574.734KM。其中南宁至黎塘西段南广铁路与柳南客专四线95.13KM黎塘至肇庆北南广双线段401.607KM肇庆北至三眼桥南广线与贵广线四线并行段61.397KM三眼桥至新广州站段利用在建贵广铁路16.6KM本监理标监理范围为IDK120+000〔=DK116+098.58〕~DK252+662〔花培岭隧道进口〕全长132.657KM。二、监理的根据〔一〕?平安消费法?〔二〕?铁路建立工程平安消费理?〔三〕?铁路建立理?、?铁路工程施工平安技术规程?〔四〕建立部“落实建立工程平安消费监理职责的假设干〞〔五〕地方公布的有关建立工程平安消费及性〔六〕南广铁路合同中的?平安消费协议书?〔七〕南广铁路工程监理二标段施工监理规划。三、控制目的按照?平安消费法?、?建立工程平安理?和广西、广东、平安消费的法律、法规及强迫性施行监理贯彻“平安第一、预防为主〞的方针杜绝较大及以上施工平安事故;杜绝较大及以上道路交通责任事故;杜绝较大及以上火灾事故;控制和减少一般责任事故;遵守、有关路及当地有关平安文明施工的理规定,争创平安文明工地。四、平安文明施工控制工作流程(一)图5.1平安、文明施工控制工作流程图图5.1平安、文明施工控制工作流程图〔二〕图5.2平安控制程序框图图5.2平安控制程序框图〔三〕图5.3平安监理工作流程图图5.3平安监理工作流程图五、平安监理控制重点1、既有铁路、公路的平安防护;2、通航河流施工平台的稳定性、防撞及各种运输船只的平安行驶;3、防高空坠落和落物伤人;4、防现浇梁支架垮塌、掉梁、防起重机和架桥机倾覆;5、水上作业及防洪防汛;6、隧道防塌方;7、火工品的存放和使用严防发生;8、机械设备的平安使用;9、临时用电的平安等理。六、路基施工平安监理〔一〕平安监理工程师应对施工编制的土石方工程和特殊地段的平安技术方案及平安控制保障措施进展审查;并检查施工人员的上岗证和机械操作证;检查施工人员是否进展了岗前平安培训学习是否进展了岗前平安技术交底及其他相应的平安技术措施。〔二〕施工在路基施工前应先做好场地布置对地表水和地下水等影响平安的隐患应制定相应的平安技术措施。〔三〕在泥沼、淤泥、软弱路基地带应探明泥沼性质及深度采取相应的平安技术措施。〔四〕施工在土方机械作业时无关作业人员不得靠近机械;在挖掘机土斗的回转半径范围内人员不得停留或通过;铲运机的运行道路宽度应大于铲运机宽度1.0m;电动蛙式打夯机停用时应切断电源;在水中填筑路堤应先查明水深和流速制定相应的平安措施;高边坡路堤施工应制定相应的平安防护措施;〔五〕施工在对桥涵缺口的锥体和台后路基填土宜采用顺序作业填土和夯实作业应防止互相干扰;在锥体坡面铺砌应与路堤边坡的码砌及逐层填筑保持在同一高度;锥体护坡上不得停放夯具作业人员不得在护坡下休息。〔六〕施工在软土路基施工时应根据现场条件、施工制定相应的平安技术措施并报平安监理工程师审核。〔七〕在运土道路的填筑、路面构造应能符合使用要求;在软土地段填筑路堤应先作好排水并按设计要求做好地基处理;在填筑中应进展沉降和位移观测防止路堤坍塌危身平安。〔八〕平安监理应对施工的挡土墙、护墙明挖根底施工技术方案进展审核并对开挖较深且边坡稳定性较差的基坑应分段跳槽开挖加强临时支护。〔九〕基坑弃土或坑边材料的堆放位置与高度应不影响基坑的稳定。〔十〕砌筑挡土墙、护墙不得重叠作业;大型压实机械与墙背的间隔不应小于1m且应采用静压方式。〔十一〕护坡挡墙施工在使用吊斗提升时装载物不得超过斗帮;使用平板提升时平板应设置防护栏杆及进出装置。〔十二〕支撑渗沟开挖深度超过1.5m时应加设支撑;开挖后应立即回填防止雨水浸泡基坑危身和行车平安。〔十三〕坡面挂网、喷护作业时应设置脚手架不得攀扶锚杆头上下。〔十四〕在雨和冰雪融化不宜开挖堆积体不得间施工。〔十五〕在岩溶及其他坑洞地区路基施工施工应编制专题平安技术方案并检查坑洞内情况对不稳定的岩溶坑洞应加强临时支护坑洞中有害气...

1、当您付费下载文档后,您只拥有了使用权限,并不意味着购买了版权,文档只能用于自身使用,不得用于其他商业用途(如 [转卖]进行直接盈利或[编辑后售卖]进行间接盈利)。
2、本站所有内容均由合作方或网友上传,本站不对文档的完整性、权威性及其观点立场正确性做任何保证或承诺!文档内容仅供研究参考,付费前请自行鉴别。
3、如文档内容存在违规,或者侵犯商业秘密、侵犯著作权等,请点击“违规举报”。

碎片内容

新建南广铁路工程监理实施细则

您可能关注的文档

确认删除?
VIP
微信客服
  • 扫码咨询
会员Q群
  • 会员专属群点击这里加入QQ群
客服邮箱
回到顶部