电脑桌面
添加小米粒文库到电脑桌面
安装后可以在桌面快捷访问

高三物理一轮复习 原子结构和原子核教学一体案VIP免费

高三物理一轮复习 原子结构和原子核教学一体案_第1页
1/9
高三物理一轮复习 原子结构和原子核教学一体案_第2页
2/9
高三物理一轮复习 原子结构和原子核教学一体案_第3页
3/9
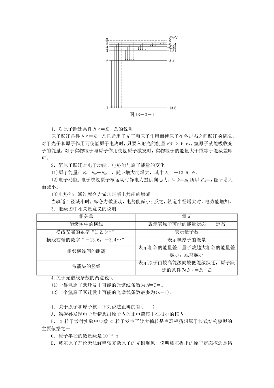
原子结构和原子核1.α粒子散射实验1909~1911年,英国物理学家卢瑟福和他的助手进行了用α粒子轰击金箔的实验,实验发现绝大多数α粒子穿过金箔后基本上仍沿原来方向前进,但有少数α粒子发生了大角度偏转,偏转的角度甚至大于90°,也就是说它们几乎被“撞”了回来。2.原子的核式结构模型在原子中心有一个很小的核,原子全部的正电荷和几乎全部质量都集中在核里,带负电的电子在核外空间绕核旋转。3.光谱(1)光谱:用光栅或棱镜可以把光按波长展开,获得光的波长(频率)和强度分布的记录,即光谱。(2)光谱分类:有些光谱是一条条的亮线,这样的光谱叫做线状谱。有的光谱是连在一起的光带,这样的光谱叫做连续谱。(3)氢原子光谱的实验规律:巴耳末线系是氢原子光谱在可见光区的谱线,其波长公式=R(-),(n=3,4,5,…),R是里德伯常量,R=1.10×107m-1,n为量子数。4.玻尔理论(1)定态:原子只能处于一系列不连续的能量状态中,在这些能量状态中原子是稳定的,电子虽然绕核运动,但并不向外辐射能量。(2)跃迁:原子从一种定态跃迁到另一种定态时,它辐射或吸收一定频率的光子,光子的能量由这两个定态的能量差决定,即hν=Em-En。(h是普朗克常量,h=6.63×10-34J·s)(3)轨道:原子的不同能量状态跟电子在不同的圆周轨道绕核运动相对应。原子的定态是不连续的,因此电子的可能轨道也是不连续的。5.氢原子的能级和轨道半径(1)氢原子的能级公式:En=E1(n=1,2,3,…),其中E1为基态能量,其数值为E1=-13.6_eV。(2)氢原子的半径公式:rn=n2r1(n=1,2,3,…),其中r1为基态半径,又称玻尔半径,其数值为r1=0.53×10-10m。(3)氢原子的能级图:能级图如图13-3-1所示。图13-3-11.对原子跃迁条件hν=Em-En的说明原子跃迁条件hν=Em-En只适用于光子和原子作用而使原子在各定态之间跃迁的情况。对于光子和原子作用而使氢原子电离时,只要入射光的能量E≥13.6eV,氢原子就能吸收光子的能量,对于实物粒子与原子作用使氢原子激发时,实物粒子的能量大于或等于能级差即可。2.氢原子跃迁时电子动能、电势能与原子能量的变化(1)原子能量:En=Ekn+Epn=,随n增大而增大,其中E1=-13.6eV。(2)电子动能:电子绕氢原子核运动时静电力提供向心力,即k=m,所以Ekn=,随r增大而减小。(3)电势能:通过库仑力做功判断电势能的增减。当轨道半径减小时,库仑力做正功,电势能减小;反之,轨道半径增大时,电势能增加。3.能级图中相关量意义的说明相关量意义能级图中的横线表示氢原子可能的能量状态——定态横线左端的数字“1,2,3…”表示量子数横线右端的数字“-13.6,-3.4…”表示氢原子的能量相邻横线间的距离表示相邻的能量差,量子数越大相邻的能量差越小,距离越小带箭头的竖线表示原子由较高能级向较低能级跃迁,原子跃迁的条件为hν=Em-En4.关于光谱线条数的两点说明(1)一群氢原子跃迁发出可能的光谱线条数为N=C=。(2)一个氢原子跃迁发出可能的光谱线条数最多为(n-1)。1.关于原子和原子核,下列说法正确的有()A.汤姆孙发现电子后猜想出原子内的正电荷集中在很小的核内B.α粒子散射实验中少数α粒子发生了较大偏转是卢瑟福猜想原子核式结构模型的主要依据之一C.原子半径的数量级是10-15mD.玻尔原子理论无法解释较复杂原子的光谱现象,说明玻尔提出的原子定态概念是错误的解析:选B汤姆孙发现电子后提出了原子的“枣糕式”模型,选项A错误;卢瑟福主要根据α粒子散射实验中少数α粒子发生了较大偏转猜想了原子核式结构模型,选项B正确;原子半径的数量级是10-10m,选项C错误;玻尔理论是关于原子结构的一种理论,它成功解释了氢原子光谱不连续的特点,解释了当时出现的“紫外灾难”,玻尔理论的提出,打破了经典物理学一统天下的局面,开创了揭示微观世界基本特征的前景,为量子理论体系奠定了基础,这是一个了不起的创举,选项D错误。三种射线两种衰变1.天然放射现象(1)天然放射现象:元素自发地放出射线的现象,首先由贝可勒尔发现。天然放射现象的发现,说明原子核具有复杂的结构。(2)放射性和放射性元素:物质发射某种看不见的射线的性质叫放射性。具...

1、当您付费下载文档后,您只拥有了使用权限,并不意味着购买了版权,文档只能用于自身使用,不得用于其他商业用途(如 [转卖]进行直接盈利或[编辑后售卖]进行间接盈利)。
2、本站所有内容均由合作方或网友上传,本站不对文档的完整性、权威性及其观点立场正确性做任何保证或承诺!文档内容仅供研究参考,付费前请自行鉴别。
3、如文档内容存在违规,或者侵犯商业秘密、侵犯著作权等,请点击“违规举报”。

碎片内容

高三物理一轮复习 原子结构和原子核教学一体案

您可能关注的文档

文章天下+ 关注
实名认证
内容提供者

各种文档应有尽有

相关文档

确认删除?
VIP
微信客服
  • 扫码咨询
会员Q群
  • 会员专属群点击这里加入QQ群
客服邮箱
回到顶部