电脑桌面
添加小米粒文库到电脑桌面
安装后可以在桌面快捷访问

小修工时项目表VIP免费

小修工时项目表_第1页
1/42
小修工时项目表_第2页
2/42
小修工时项目表_第3页
3/42
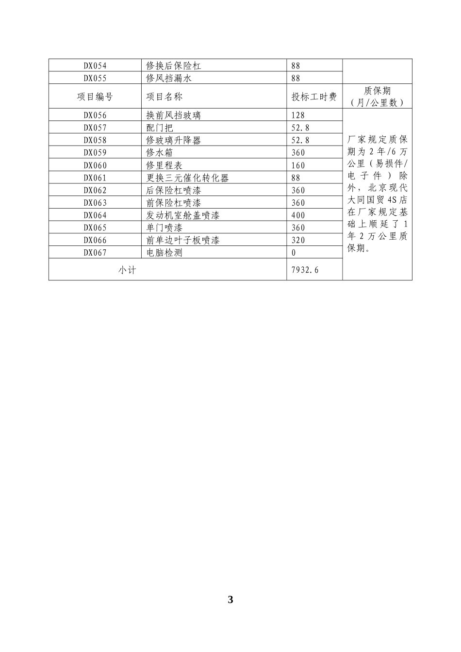
小修工时项目表车型:北京现代伊兰特单位:元项目编号项目名称投标工时费质保期(月/公里数)FX001更换电瓶0厂家规定质保期为2年/6万公里(易损件/电子件)除外,北京现代大同国贸4S店在厂家规定基础上顺延了1年2万公里质保期。FX002更换电子扇88FX003更换发电机皮带17.6FX004更换高压线(套)17.6FX005更换火花塞(套)17.6FX006更换节温器50FX007更换起动机88FX008更换气门室盖垫52.8FX009更换汽油泵52.8FX010更换水泵208FXO11更换水管17.6FX012更换正时皮带264FX013清洗怠速阀17.6FX014清洗调试化油器0FX015清洗节气门体26.4FX016清洗喷油头(免拆/拆洗)26.4FX017清洗水箱散热器160FX018调高压泵0FX019调修喷油头0FX020更换机油泵88FX021换气缸垫176FX022换点火线圈44FX023换活塞环640DX001更换ABS泵132DX002换前刹车分泵52.8DX003换后刹车分泵52.8DX004更换刹车真空助力泵70.4DX005更换半轴防尘套(球笼)88DX006更换后减震52.8DX007更换后刹车片52.8DX008更换轮胎17.6DX009更换前减震器52.8DX010更换前刹车盘、片88DX011更换前刹车片52.8DX012更换外球笼881DX013更换下臂70.4DX014更换下臂球头52.8项目编号项目名称投标工时费质保期(月/公里数)DX015更换转向横拉杆26.4厂家规定质保期为2年/6万公里(易损件/电子件)除外,北京现代大同国贸4S店在厂家规定基础上顺延了1年2万公里质保期。DX016更换转向助力泵88DX017后轮保养0DX018调手刹0DX020轮胎动平衡8DX021轮胎换位(全车)16DX022四轮定位160DX023修离合器换片528DX024换离合器总泵及碗44DX025换离合器分泵及碗44DX026换变速箱后油封352DX027换后半轴88DX028换后轮轴承及油封88DX029修传动轴、换万向节88DX030调刹车量0DX031换刹车总泵皮碗96DX032换刹车分泵皮碗96DX033换筒式避震器52.8DX034更换A/C开关17.6DX035更换大灯(总成)28DX036更换大灯开关16DX037更换灯泡0DX038更换点火开关17.6DX039更换喇叭17.6DX040更换尾灯(总成)28DX041更换雾灯(前)26.4DX042更换仪表灯泡0DX043更换转向灯开关26.4DX044检修线路0DX045修发电机总成0DX046修天线(电动)0DX047修雨刷器0DX048检修全车线路0DX049换小灯总成28DX050修刹车灯0DX051修换机油水温感应器17.6DX052换汽油表浮子52.8DX053修换前保险杠882DX054修换后保险杠88DX055修风挡漏水88项目编号项目名称投标工时费质保期(月/公里数)DX056换前风挡玻璃128厂家规定质保期为2年/6万公里(易损件/电子件)除外,北京现代大同国贸4S店在厂家规定基础上顺延了1年2万公里质保期。DX057配门把52.8DX058修玻璃升降器52.8DX059修水箱360DX060修里程表160DX061更换三元催化转化器88DX062后保险杠喷漆360DX063前保险杠喷漆360DX064发动机室舱盖喷漆400DX065单门喷漆360DX066前单边叶子板喷漆320DX067电脑检测0小计7932.63维护保养工时项目表车型:北京现代伊兰特单位:元项目编号项目名称投标工时费质保期(月/公里数)WX001初级维护厂家规定质保期为2年/6万公里(易损件/电子件)除外,北京现代大同国贸4S店在厂家规定基础上顺延了1年2万公里质保期。WX002一级维护WX003二级维护WX004抽空加氟(不含料费)80WX005换空调滤芯12WX006换机油,换三滤84WX007换机油,机滤30.4WX008换空滤0WX009换汽滤52.8WX010换防冻液52.8WX011加电瓶水0WX012冷却系统清洗保养160WX013清空滤0WX014清洗机油集滤器88WX015润滑系统清洗保养160WX016换变速箱油52.8WX017换自变箱油160WX018换差速器油52.8WX019换分动箱油52.8WX020换刹车油70.4WX021自动变速箱清洗保养224小计1332.84大修工时项目表车型:北京现代伊兰特单位:元5项目编号项目名称投标工时费质保期(月/公里数)DD001发动机大修960厂家规定质保期为2年/6万公里(易损件/电子件)除外,北京现代大同国贸4S店在厂家规定基础上顺延了1年2万公里质保期。DD002离合器大修352DD003变速器大修704DD004后桥总成大修1200DD005前桥总成大修1200DD006制动系大修0DD007转向系大修0DD008全车喷漆2640DD009车身大修1760DD010车架大修1760小计10576零配件报价及来源表车型:北京现代伊兰特单位:元项目编号零配件名称零配件编号投标零配件价格零配件来源FX...

1、当您付费下载文档后,您只拥有了使用权限,并不意味着购买了版权,文档只能用于自身使用,不得用于其他商业用途(如 [转卖]进行直接盈利或[编辑后售卖]进行间接盈利)。
2、本站所有内容均由合作方或网友上传,本站不对文档的完整性、权威性及其观点立场正确性做任何保证或承诺!文档内容仅供研究参考,付费前请自行鉴别。
3、如文档内容存在违规,或者侵犯商业秘密、侵犯著作权等,请点击“违规举报”。

碎片内容

小修工时项目表

您可能关注的文档

确认删除?
VIP
微信客服
  • 扫码咨询
会员Q群
  • 会员专属群点击这里加入QQ群
客服邮箱
回到顶部