电脑桌面
添加小米粒文库到电脑桌面
安装后可以在桌面快捷访问

山东省“安全文化建设示范企业”考评指标VIP免费

山东省“安全文化建设示范企业”考评指标_第1页
1/10
山东省“安全文化建设示范企业”考评指标_第2页
2/10
山东省“安全文化建设示范企业”考评指标_第3页
3/10
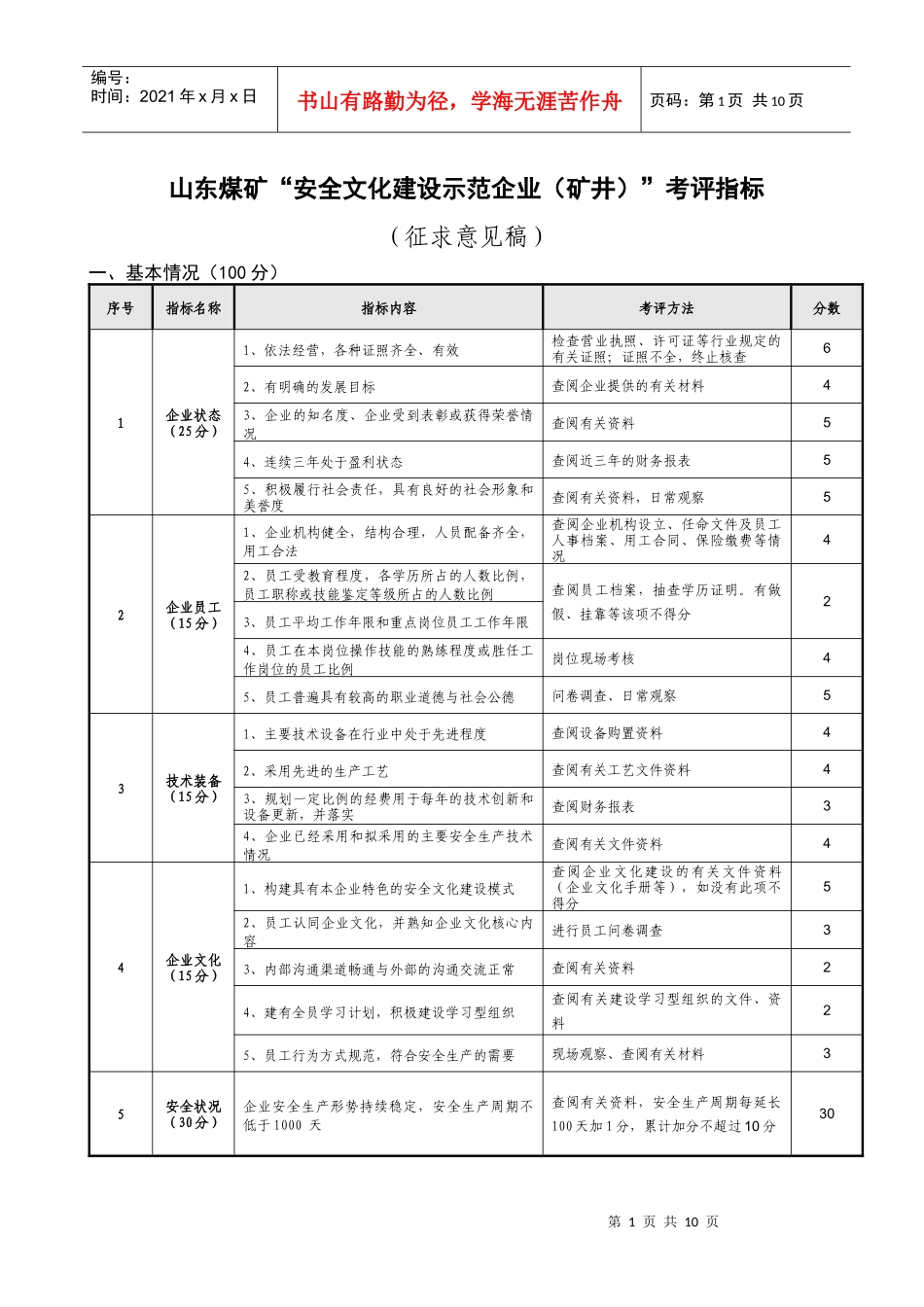
第1页共10页编号:时间:2021年x月x日书山有路勤为径,学海无涯苦作舟页码:第1页共10页山东煤矿“安全文化建设示范企业(矿井)”考评指标(征求意见稿)一、基本情况(100分)序号指标名称指标内容考评方法分数1企业状态(25分)1、依法经营,各种证照齐全、有效检查营业执照、许可证等行业规定的有关证照;证照不全,终止核查62、有明确的发展目标查阅企业提供的有关材料43、企业的知名度、企业受到表彰或获得荣誉情况查阅有关资料54、连续三年处于盈利状态查阅近三年的财务报表55、积极履行社会责任,具有良好的社会形象和美誉度查阅有关资料,日常观察52企业员工(15分)1、企业机构健全,结构合理,人员配备齐全,用工合法查阅企业机构设立、任命文件及员工人事档案、用工合同、保险缴费等情况42、员工受教育程度,各学历所占的人数比例,员工职称或技能鉴定等级所占的人数比例查阅员工档案,抽查学历证明。有做假、挂靠等该项不得分23、员工平均工作年限和重点岗位员工工作年限4、员工在本岗位操作技能的熟练程度或胜任工作岗位的员工比例岗位现场考核45、员工普遍具有较高的职业道德与社会公德问卷调查、日常观察53技术装备(15分)1、主要技术设备在行业中处于先进程度查阅设备购置资料42、采用先进的生产工艺查阅有关工艺文件资料43、规划一定比例的经费用于每年的技术创新和设备更新,并落实查阅财务报表34、企业已经采用和拟采用的主要安全生产技术情况查阅有关文件资料44企业文化(15分)1、构建具有本企业特色的安全文化建设模式查阅企业文化建设的有关文件资料(企业文化手册等),如没有此项不得分52、员工认同企业文化,并熟知企业文化核心内容进行员工问卷调查33、内部沟通渠道畅通与外部的沟通交流正常查阅有关资料24、建有全员学习计划,积极建设学习型组织查阅有关建设学习型组织的文件、资料25、员工行为方式规范,符合安全生产的需要现场观察、查阅有关材料35安全状况(30分)企业安全生产形势持续稳定,安全生产周期不低于1000天查阅有关资料,安全生产周期每延长100天加1分,累计加分不超过10分30第2页共10页第1页共10页编号:时间:2021年x月x日书山有路勤为径,学海无涯苦作舟页码:第2页共10页二、安全诚信(120分)序号指标名称指标内容考评方法分数1安全生产理念(30分)1、有明确的符合本企业实际情况的核心安全理念(安全价值观)、安全愿景、安全使命、安全目标和安全方针,语言精炼、清楚表达,并以书面形式进行发布查阅《企业安全文化手册》,每缺一项扣5分,每增加一项创新内容且效果明显的,另加0.5分,累计加分不超过10分112、安全生产理念符合科学发展观和国家的有关方针政策,反映安全规范,展现企业安全文化思想、安全管理历程及思路、员工安全行为,保障企业安全生产103、安全生产理念符合本企业实际情况,并且切实可行。是企业中大多数员工所共有的,发自内心的,源于现实、高于现实又可以成为新的现实92安全生产承诺(30分)1、煤矿企业按照隶属关系,由其主要负责人与上级主管部门签订《安全生产承诺书》,向上级主管部门、企业职工以及社会公开做出安全生产承诺查阅有关资料82、企业内部,各生产矿井主要负责人与内部管理机构、生产区队与生产矿井、职工个人与生产区队等也层层分别签订《安全生产承诺书》查阅有关资料83、安全生产承诺书应该包括规范的格式、具体的承诺内容以及承诺人亲笔签字查阅有关资料74、建立与安全生产承诺制度配套的执行报告、绩效考核、监督检查等相关实施办法和保障措施查阅有关资料73安全诚信报告(30分)1、定期发布安全生产诚信报告,公布企业履行安全生产主体责任的现状、问题和措施,兑现安全生产各项承诺的执行情况,开展安全生产诚信建设的具体情况,企业履行社会责任的情况查阅有关资料102、公布落实安全生产责任、健全安全管理制度、加大安全投入、强化安全培训、开展隐患排查治理、防治职业危害、执行事故报告和调查处理规定等方面情况查阅有关资料103、公布对各级煤矿安全监察机构、监管部门及有关部门的监察指令、相关意见、建议贯彻落实情况,主动接受社会各界和新闻媒体的监督查阅有关资料1...

1、当您付费下载文档后,您只拥有了使用权限,并不意味着购买了版权,文档只能用于自身使用,不得用于其他商业用途(如 [转卖]进行直接盈利或[编辑后售卖]进行间接盈利)。
2、本站所有内容均由合作方或网友上传,本站不对文档的完整性、权威性及其观点立场正确性做任何保证或承诺!文档内容仅供研究参考,付费前请自行鉴别。
3、如文档内容存在违规,或者侵犯商业秘密、侵犯著作权等,请点击“违规举报”。

碎片内容

山东省“安全文化建设示范企业”考评指标

教育精品店+ 关注
实名认证
内容提供者

优良的服务

确认删除?
VIP
微信客服
  • 扫码咨询
会员Q群
  • 会员专属群点击这里加入QQ群
客服邮箱
回到顶部