电脑桌面
添加小米粒文库到电脑桌面
安装后可以在桌面快捷访问

安全风险分析报告(无纺布VIP免费

安全风险分析报告(无纺布_第1页
1/6
安全风险分析报告(无纺布_第2页
2/6
安全风险分析报告(无纺布_第3页
3/6
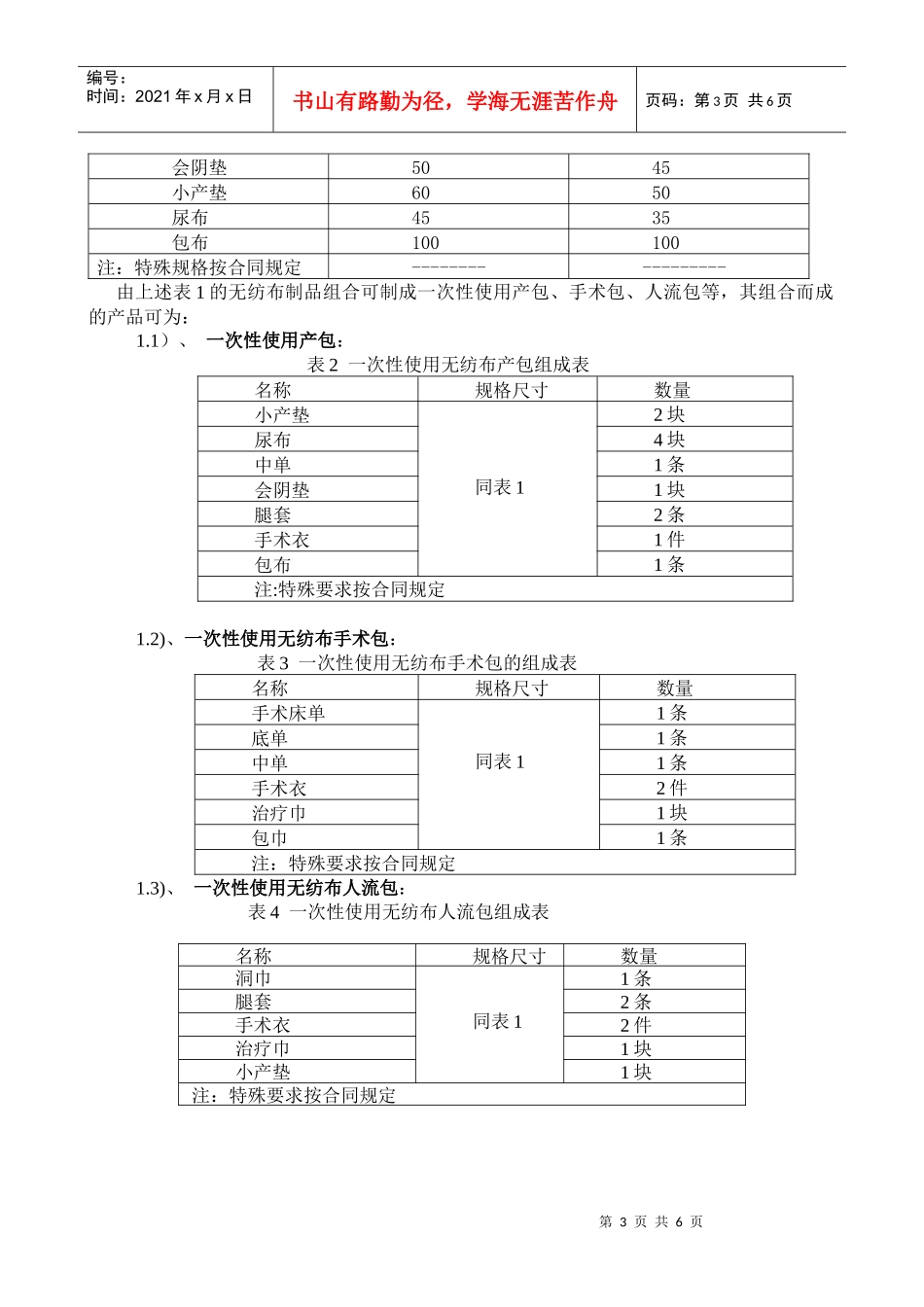
第1页共6页编号:时间:2021年x月x日书山有路勤为径,学海无涯苦作舟页码:第1页共6页安全风险分析报告产品名称:一次性使用无纺布制品风险评价人员及背景:刘顺义:项目组长杨新贵:工程师寇云飞:医师张润梅:工程师编制:杨新贵日期:2010.8.批准:刘顺义日期:2010.9第2页共6页第1页共6页编号:时间:2021年x月x日书山有路勤为径,学海无涯苦作舟页码:第2页共6页1.编制依据1.1相关标准:1)YY0316_2003医疗器械——风险管理对医疗器械的应用2)产品标准及其他1.2产品的有关资料:使用说明书:供医疗机构病房、手术室、产房等部门使用,避免交叉感染,防止医源性传染。2.目的和使用范围本文是对一次使用一次性使用无纺布制品进行风险管理的报告,报告中对所有的可能危害以及每一个危害产生的原因进行了判定。对于每种危害可能产生损害的严重度和危害的发生概率进行了估计。在某一风险水平不可接受时,采取了降低见的控制措施,同时,对采取风险措施后的剩余风险进行了评价。最后,使所有的剩余风险的水平达到可以接受。本报告适用于一次性使用无纺布制品产品,该产品处于小批生产阶段。3.产品描述本风险管理的对象是一次性使用无纺布制品,产品概述、机理、用途:本品为无菌医疗器械,一次性使用,应用于病房、产房、及门诊。适应症:用于医疗机构病房、手术室、产房等部门使用,避免交叉感染,防止医源性传染。禁忌症:包装破损禁止使用4产品由以下部分组成:1).产品组成:表1:名称长(cm)宽(cm)手术床单200100底单150110中单15090剖腹单280150手术衣145128治疗巾7040口罩1914帽子6314洞巾10050腿套9632第3页共6页第2页共6页编号:时间:2021年x月x日书山有路勤为径,学海无涯苦作舟页码:第3页共6页会阴垫5045小产垫6050尿布4535包布100100注:特殊规格按合同规定-----------------由上述表1的无纺布制品组合可制成一次性使用产包、手术包、人流包等,其组合而成的产品可为:1.1)、一次性使用产包:表2一次性使用无纺布产包组成表名称规格尺寸数量小产垫同表12块尿布4块中单1条会阴垫1块腿套2条手术衣1件包布1条注:特殊要求按合同规定1.2)、一次性使用无纺布手术包:表3一次性使用无纺布手术包的组成表名称规格尺寸数量手术床单同表11条底单1条中单1条手术衣2件治疗巾1块包巾1条注:特殊要求按合同规定1.3)、一次性使用无纺布人流包:表4一次性使用无纺布人流包组成表名称规格尺寸数量洞巾同表11条腿套2条手术衣2件治疗巾1块小产垫1块注:特殊要求按合同规定第4页共6页第3页共6页编号:时间:2021年x月x日书山有路勤为径,学海无涯苦作舟页码:第4页共6页4产品预期用途以及与安全有关的特征的判定4.1产品的预期用途、预期目的是什么?如何使用?避免交叉感染,防止医源性传染,方便临床检查,使用即时方便,可节约设备,减轻医务人员的劳动强度,医院可节约大量的消耗性开资。4.2医疗器械是否预期和患者或其他人员接触、如何接触、接触时间长短?表面一次性接触。4.3在医疗器械中包含有何种材料和(或)组分或与其共同使用、或与医疗器械接触?该产品采用非织造布剪裁、缝制成而成。经环氧乙烷灭菌,环氧乙烷残留量不大于10微克/克。4.4是否有能量给予患者或从患者身上获取?无4.5是否有物质提供给患者或从患者身上提取?无4.6是否由医疗器械处理生物材料然后再次使用?否4.7医疗器械是否以无菌形式提供或准备由使用者灭菌,或用其他微生物控制方法灭菌?为以无菌形式提供,一次性使用。采用双层塑封包装,灭菌有效期两年,经环氧乙烷灭菌。4.8医疗器械是否预期由用户进行常规清洁和消毒?否4.9医疗器械是否预期改善患者的环境?否4.10医疗器械是否进行测量?否4.11医疗器械是否进行分析处理?否4.12医疗器械是否预期和医药或其他医疗技术联合使用?否4.13是否有不希望的能量或物质输出?否4.14医疗器械是否对环境敏感?否4.15医疗器械是否影响环境?否4.16医疗器械是否有基本消耗品或福建?否4.17是否需要维护和校准?否4.18医疗器械是否有软件?否4.19医疗器械是否有储存寿命限制?灭菌有效期两年第5页共6页第4页共6页编号:时间:2021年x月x日书山有路勤为径,学海...

1、当您付费下载文档后,您只拥有了使用权限,并不意味着购买了版权,文档只能用于自身使用,不得用于其他商业用途(如 [转卖]进行直接盈利或[编辑后售卖]进行间接盈利)。
2、本站所有内容均由合作方或网友上传,本站不对文档的完整性、权威性及其观点立场正确性做任何保证或承诺!文档内容仅供研究参考,付费前请自行鉴别。
3、如文档内容存在违规,或者侵犯商业秘密、侵犯著作权等,请点击“违规举报”。

碎片内容

安全风险分析报告(无纺布

精华资料店+ 关注
实名认证
内容提供者

大量教育教学资料

确认删除?
VIP
微信客服
  • 扫码咨询
会员Q群
  • 会员专属群点击这里加入QQ群
客服邮箱
回到顶部