电脑桌面
添加小米粒文库到电脑桌面
安装后可以在桌面快捷访问

工程管理部_供应商管理专员VIP专享VIP免费

工程管理部_供应商管理专员_第1页
1/2
工程管理部_供应商管理专员_第2页
2/2
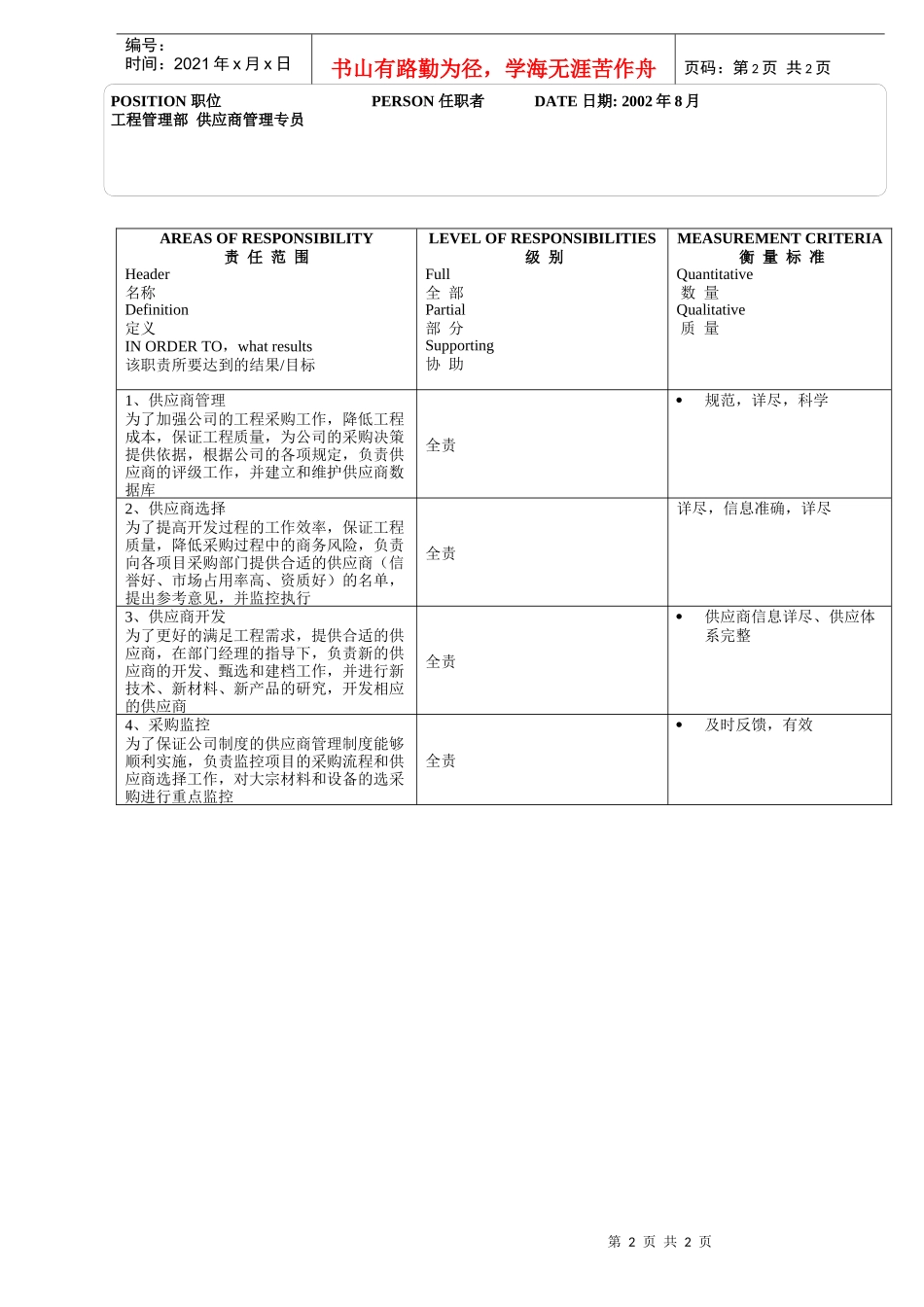
第1页共2页规模PersonnelAuthorizationNonfinancial非经济下属总人数:财务直接下属:机构规模间接下属:类别:经理:专业人员:其他:编号:时间:2021年x月x日书山有路勤为径,学海无涯苦作舟页码:第1页共2页POSITIONDESCRIPTION职位说明书保IDENTITY确立DATE日期:2002年8月ORGANIZATIONUNIT:机构:北京万通实业股份有限公司POSITION:PERSONAPPROVAL职位:工程管理部供应商管理专员任职者:接受SUPERVISOR’SPOSITIONSUPERVISORAPPROVAL主管职位:工程管理部经理主管名称:核准PURPOSE(Whythepositionexists,withinwhatlimitsandaccordingtowhatobjectives)目的(职位存在的理由,限制和目标)为了保证工程进度、质量,在工程中引入新的技术和产品,在公司所属开发范围内,负责供应商管理工作MINIMUMREQUIREMENTS最低要求EDUCATION教育程度Experience经验5年以上从事商务及物资采购经验,2年以上房地产行业供应商管理经验SPECIFICKNOWLEDGE特殊知识熟悉设备材料招投标程序,熟悉工程所用设备、材料品牌、厂家及同行业的价格体系,熟悉商务合同的趁拟定Competencies技能谈判能力,判断能力,沟通、协调能力OPERATINGNETWORK工作网络EXTERNAL外部EXTERNAL外部INTERNAL内部工程管理部供应商管理专员项目工程管理经理及其他人员、工程预算部项目人员供应商、设计单位、监理单位、施工单位、供应商、施工单位本部门经理、规划设计部建筑师、项目工程管理经理、工程预算部项目人员、客户服务部、市场营销部可以影响该岗位的外部职位/机构该岗位可以影响的外部职位/机构第2页共2页第1页共2页编号:时间:2021年x月x日书山有路勤为径,学海无涯苦作舟页码:第2页共2页AREASOFRESPONSIBILITY责任范围Header名称Definition定义INORDERTO,whatresults该职责所要达到的结果/目标LEVELOFRESPONSIBILITIES级别Full全部Partial部分Supporting协助MEASUREMENTCRITERIA衡量标准Quantitative数量Qualitative质量1、供应商管理为了加强公司的工程采购工作,降低工程成本,保证工程质量,为公司的采购决策提供依据,根据公司的各项规定,负责供应商的评级工作,并建立和维护供应商数据库全责规范,详尽,科学2、供应商选择为了提高开发过程的工作效率,保证工程质量,降低采购过程中的商务风险,负责向各项目采购部门提供合适的供应商(信誉好、市场占用率高、资质好)的名单,提出参考意见,并监控执行全责详尽,信息准确,详尽3、供应商开发为了更好的满足工程需求,提供合适的供应商,在部门经理的指导下,负责新的供应商的开发、甄选和建档工作,并进行新技术、新材料、新产品的研究,开发相应的供应商全责供应商信息详尽、供应体系完整4、采购监控为了保证公司制度的供应商管理制度能够顺利实施,负责监控项目的采购流程和供应商选择工作,对大宗材料和设备的选采购进行重点监控全责及时反馈,有效POSITION职位PERSON任职者DATE日期:2002年8月工程管理部供应商管理专员

1、当您付费下载文档后,您只拥有了使用权限,并不意味着购买了版权,文档只能用于自身使用,不得用于其他商业用途(如 [转卖]进行直接盈利或[编辑后售卖]进行间接盈利)。
2、本站所有内容均由合作方或网友上传,本站不对文档的完整性、权威性及其观点立场正确性做任何保证或承诺!文档内容仅供研究参考,付费前请自行鉴别。
3、如文档内容存在违规,或者侵犯商业秘密、侵犯著作权等,请点击“违规举报”。

碎片内容

工程管理部_供应商管理专员

教育教学文库+ 关注
实名认证
内容提供者

本店有大量的教育教学资料,课件

确认删除?
VIP
微信客服
  • 扫码咨询
会员Q群
  • 会员专属群点击这里加入QQ群
客服邮箱
回到顶部