电脑桌面
添加小米粒文库到电脑桌面
安装后可以在桌面快捷访问

实验四比例求和运算电路实验报告VIP免费

实验四比例求和运算电路实验报告_第1页
1/6
实验四比例求和运算电路实验报告_第2页
2/6
实验四比例求和运算电路实验报告_第3页
3/6
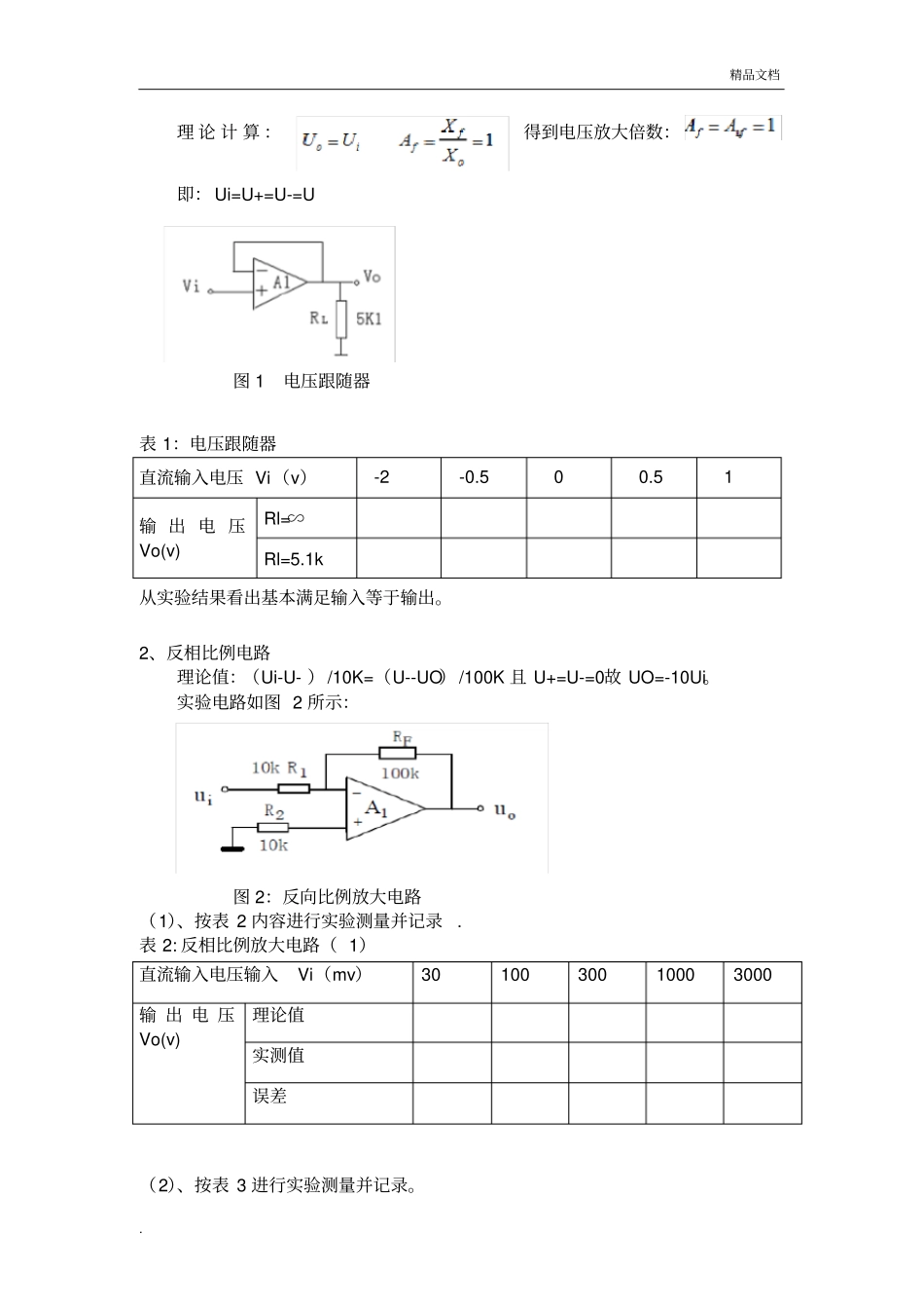
精品文档.实验四比例求和运算电路一、实验目的1.掌握用集成运算放大器组成比例、求和电路的特点及性能。2.学会上述电路的测试和分析方法。二、实验仪器1.数字万用表2.信号发生器3.双踪示波器其中,模拟电子线路实验箱用到直流稳压电源模块,元器件模组以及“比例求和运算电路”模板。三、实验原理(一)、比例运算电路1.工作原理a.反相比例运算,最小输入信号miniU等条件来选择运算放大器和确定外围电路元件参数。如下图所示。AViVoRF100kΩR110kΩR210kΩAB输入电压iU经电阻R1加到集成运放的反相输入端,其同相输入端经电阻R2接地。输出电压OU经RF接回到反相输入端。通常有:R2=R1//RF由于虚断,有I+=0,则u+=-I+R2=0。又因虚短,可得:u-=u+=0由于I-=0,则有i1=if,可得:Fo1iRuuRuu由此可求得反相比例运算电路的电压放大倍数为:1iiif1FioufRiuRRRuuA精品文档.反相比例运算电路的输出电阻为:Rof=0输入电阻为:Rif=R1b.同相比例运算AViVoRF100kΩR110kΩR210kΩAB输入电压iU接至同相输入端,输出电压OU通过电阻RF仍接到反相输入端。R2的阻值应为R2=R1//RF。根据虚短和虚断的特点,可知I-=I+=0,则有oFuRRRu11且u-=u+=ui,可得:ioFuuRRR111FioufRR1uuA同相比例运算电路输入电阻为:iiifiuR输出电阻:Rof=0以上比例运算电路可以是交流运算,也可以是直流运算。输入信号如果是直流,则需加调零电路。如果是交流信号输入,则输入、输出端要加隔直电容,而调零电路可省略。(二)求和运算电路1.反相求和根据“虚短”、“虚断”的概念1212iioFuuuRRR1212()FFoiiRRuuuRR当R1=R2=R,则12()FoiiRuuuR四、实验内容及步骤1、.电压跟随电路实验电路如图1所示。按表1内容进行实验测量并记录。精品文档.理论计算:得到电压放大倍数:即:Ui=U+=U-=U图1电压跟随器表1:电压跟随器直流输入电压Vi(v)-2-0.500.51输出电压Vo(v)Rl=∽Rl=5.1k从实验结果看出基本满足输入等于输出。2、反相比例电路理论值:(Ui-U-)/10K=(U--UO)/100K且U+=U-=0故UO=-10Ui。实验电路如图2所示:图2:反向比例放大电路(1)、按表2内容进行实验测量并记录.表2:反相比例放大电路(1)(2)、按表3进行实验测量并记录。直流输入电压输入Vi(mv)3010030010003000输出电压Vo(v)理论值实测值误差精品文档.表三:反相比例放大电路(2)测试条件被测量理论估算值实测值RL开路,直流输入信号Vi由0变为800mVΔV0ΔVABΔVR2ΔVR1Vi=800mV,RL由开路变为5.1KΔV0L其中RL接于VO与地之间。表中各项测量值均为Ui=0及Ui=800mV时所得该项量值之差。测量结果:从实验数据1得出输出与输入相差-10倍关系,基本符合理论,实验数据(2)主要验证输入端的虚断与虚短。3、同相比例放大电路理论值:Ui/10K=(Ui-UO)/100K故UO=11Ui。实验原理图如下:图3:同相比例放大电路(1)、按表4和表5内容进行实验测量并记录表4:同相比例放大电路(1)表5:同相比例放大电路(2)测试条件被测量理论估算值实测值RL无穷,直流输入信号Vi由0变为800mVΔV0ΔVABΔVR2ΔVR1Vi=800mV,RL由开路变为5.1KΔV0L以上验证电路的输入端特性,即虚断与虚短4、反相求和放大电路直流输入电压Ui(mV)3010030010003000输出电压Uo(mV)理论估算(mV)实测值误差精品文档.理论计算:UO=-RF/R*(Ui1+Ui2)实验原理图如下:实验结果如下:直流输入电压Vi1(V)0.3v-0.3直流输入电压Vi2(V)0.2v0.2理论值(V)输出电压V0(V)5、双端输入求和放大电路理论值:UO=(1+RF/R1)*R3/(R2+R3)*U2-RF/R1*U1实验原理图如下:实验结果:直流输入电压Vi1(V)1v2v0.2v直流输入电压Vi2(V)0.5v1.8v-0.2v理论值(V)输出电压V0(V)五、实验小结及感想1.总结本实验中5种运算电路的特点及性能。电压跟随电路:所测得的输出电压基本上与输入电压相等,实验数据准确,误差很小。反向比例放大器,所测数据与理论估算的误差较小,但当电压加到3V时,理论值与实际值不符,原因是运算放大器本身的构造。精品文档.同相比例放大运算器,所测数据与理论估算的误差较小,但当电压加到3V时,理论值与实际值不符,原因是运算放大器本身的构造。2.分析理论计算与实验结果误差的原因。在实...

1、当您付费下载文档后,您只拥有了使用权限,并不意味着购买了版权,文档只能用于自身使用,不得用于其他商业用途(如 [转卖]进行直接盈利或[编辑后售卖]进行间接盈利)。
2、本站所有内容均由合作方或网友上传,本站不对文档的完整性、权威性及其观点立场正确性做任何保证或承诺!文档内容仅供研究参考,付费前请自行鉴别。
3、如文档内容存在违规,或者侵犯商业秘密、侵犯著作权等,请点击“违规举报”。

碎片内容

实验四比例求和运算电路实验报告

爱的疯狂+ 关注
实名认证
内容提供者

该用户很懒,什么也没介绍

确认删除?
VIP
微信客服
  • 扫码咨询
会员Q群
  • 会员专属群点击这里加入QQ群
客服邮箱
回到顶部