电脑桌面
添加小米粒文库到电脑桌面
安装后可以在桌面快捷访问

底板大体积砼浇筑质量管理办法VIP免费

底板大体积砼浇筑质量管理办法_第1页
1/3
底板大体积砼浇筑质量管理办法_第2页
2/3
底板大体积砼浇筑质量管理办法_第3页
3/3
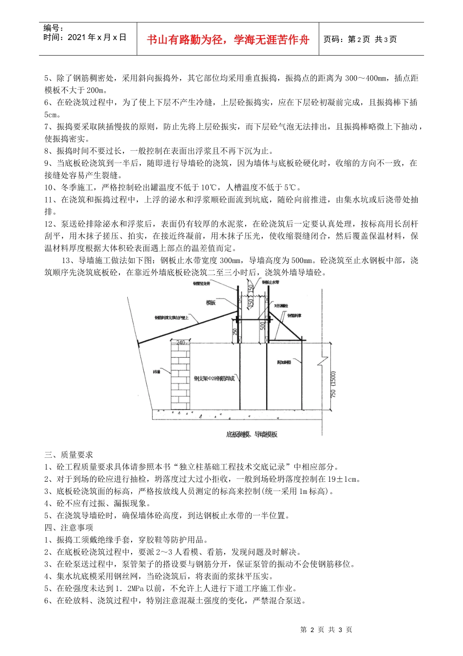
第1页共3页编号:时间:2021年x月x日书山有路勤为径,学海无涯苦作舟页码:第1页共3页底板大体积砼浇筑质量管理办法依据标准:《建筑工程施工质量验收统一标准》GB50300-2001《建筑地基基础工程施工质量验收规范》GB50202-2002《钢筋混凝土结构工程施工质量验收规范》GB50204-2002《普通混凝土配合比设计规程》JGJ55-2000《砌筑砂浆配合比设计规程》JGJ98-2000《普通混凝土用砂质量标准及检验方法》JGJ52-92《普通混凝土用碎石和卵石质量标准及检验方法》GJ53-92《混凝土外加剂应用技术规范》GBJ119-88适用范围本办法适用于工业及民用建筑工程底板大体积砼浇筑项目。一、施工准备(一)、主要机具耙子、扫把、白线、铝合金刮杠、尖锹、平锹、混凝土地泵、插入式振捣器、平板振捣器、电箱、塔吊水泵。(二)施工准备1、混凝土申请:浇筑混凝土前,预先与搅拌站办理商品混凝土委托及申请,委托单的内容包括:混凝土强度等级、方量、坍落度、初凝终凝时间、是否加抗冻剂以及浇筑时间等。2、所有机具均应在浇筑混凝土前进行检查,同时配备专职技工,随时检修。3、在混凝土浇筑期间,要保证水、电、照明不中断。为了防备临时停水停电,事先应在现场准备一定数量的人工拌和振捣用工具,以防出现意外施工缝。4、根据施工方案准备必要的塑料布保温材料及测温用具等。(三)施工条件1、各种专业管线已埋设完毕,钢筋隐蔽、模板预检已通过。2、施工人员的通道架设、泵管的架子已搭设完毕。3、振动棒调试正常及备有一定的振捣棒。4、放料处与浇筑点的联络信号已准备就绪。5、劳动力安排已妥当,名单已上报。6、与城管部门协调好,确保砼的顺利浇筑。7、检查墙、柱插筋位置、数量,预埋件的位置、数量,预留洞的位置、数量,及模板接缝是否严密,支撑系统强度、刚度是否满足要求。8、板内是否清理干净,如铁丝、冷挤压套管、木屑、铁钉、焊渣等。二、施工工艺1、基础底板采用斜面分层的浇筑方法,且砼浇筑由远及近,随着砼浇筑,泵管及架子逐渐拆除。2、由于是大体积砼,为了防止温度裂缝及收缩裂缝出现,除了设计上采取措施外,在施工操作上控制浇筑层厚度,不大于500mm,并通过测温记录与保温覆盖使内外温差控制在25℃以内。3、由于砼坍落度为18~20cm,采用的浇筑坡度为1:6,各地泵同时向后退着浇筑,泵口之间的距离保证接软管后能左右交合。4、根据泵送浇筑时,自然形成一个坡度的实际情况,在每道浇筑带前后布置三道振捣棒,前道振捣棒布置在底排钢筋处和混凝土坡脚处,确保下部砼密实,后道振捣棒布置在混凝土卸料点,解决上部砼的捣实。第2页共3页第1页共3页编号:时间:2021年x月x日书山有路勤为径,学海无涯苦作舟页码:第2页共3页5、除了钢筋稠密处,采用斜向振捣外,其它部位均采用垂直振捣,振捣点的距离为300~400mm,插点距模板不大于200m。6、在砼浇筑过程中,为了使上下层不产生冷缝,上层砼振捣实,应在下层砼初凝前完成,且振捣棒下插5cm。7、振捣要采取陕插慢拔的原则,防止先将上层砼振实,而下层砼气泡无法排出,且振捣棒略微上下抽动,使振捣密实。8、振捣时间不要过长,一般控制在表面出浮浆且不再下沉为止。9、当底板砼浇筑到一半后,随即进行导墙砼的浇筑,因为墙体与底板砼硬化时,收缩的方向不一致,在接缝处容易产生裂缝。10、冬季施工,严格控制砼出罐温度不低于10℃,人槽温度不低于5℃。11、在浇筑和振捣过程中,上浮的泌水和浮浆顺砼面流到坑底,随砼向前推进,由集水坑或后浇带处抽排。12、泵送砼排除泌水和浮浆后,表面仍有较厚的水泥浆,在砼浇筑后一定要认真处理,按标高用长刮杆刮平,用木抹子搓压、拍实,在接近终凝前,用木抹子压光,使收缩裂缝闭合,然后覆盖保温材料,保温材料厚度根据大体积砼表面遇上部点的温差值而定。13、导墙施工做法如下图:钢板止水带宽度300mm,导墙高度为500mm。砼浇筑至止水钢板中部,浇筑顺序先浇筑底板砼,在靠近外墙底板砼浇筑二至三小时后,浇筑外墙导墙砼。三、质量要求1、砼工程质量要求具体请参照本书“独立柱基础工程技术交底记录”中相应部分。2、对于到场的砼应进行抽检,坍落度过大过小拒收,一般到场砼坍落度控...

1、当您付费下载文档后,您只拥有了使用权限,并不意味着购买了版权,文档只能用于自身使用,不得用于其他商业用途(如 [转卖]进行直接盈利或[编辑后售卖]进行间接盈利)。
2、本站所有内容均由合作方或网友上传,本站不对文档的完整性、权威性及其观点立场正确性做任何保证或承诺!文档内容仅供研究参考,付费前请自行鉴别。
3、如文档内容存在违规,或者侵犯商业秘密、侵犯著作权等,请点击“违规举报”。

碎片内容

底板大体积砼浇筑质量管理办法

您可能关注的文档

教育教学文库+ 关注
实名认证
内容提供者

本店有大量的教育教学资料,课件

确认删除?
VIP
微信客服
  • 扫码咨询
会员Q群
  • 会员专属群点击这里加入QQ群
客服邮箱
回到顶部