电脑桌面
添加小米粒文库到电脑桌面
安装后可以在桌面快捷访问

整流桥电路大全VIP免费

整流桥电路大全_第1页
1/22
整流桥电路大全_第2页
2/22
整流桥电路大全_第3页
3/22
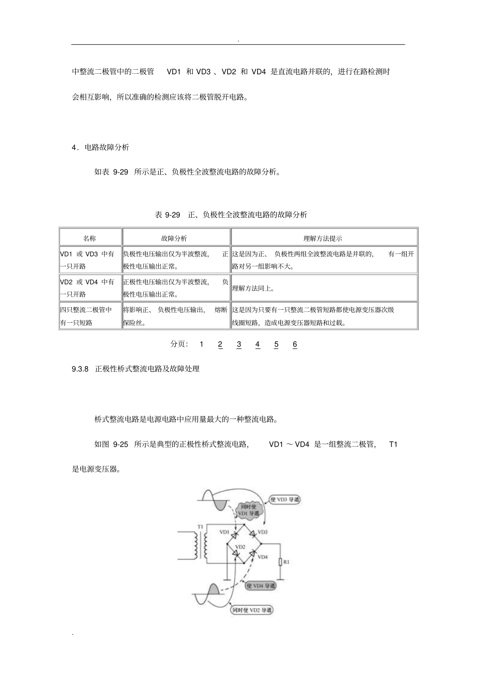
..整流电路大全9.3.7正、负极性全波整流电路及故障处理如图9-24所示是能够输出正、负极性单向脉动直流电压的全波整流电路。电路中的T1是电源变压器,它的次级线圈有一个中心抽头,抽头接地。电路由两组全波整流电路构成,VD2和VD4构成一组正极性全波整流电路,VD1和VD3构成另一组负极性全波整流电路,两组全波整流电路共用次级线圈。图9-24输出正、负极性直流电压的全波整流电路1.电路分析方法关于正、负极性全波整流电路分析方法说明下列2点:(1)在确定了电路结构之后,电路分析方法和普通的全波整流电路一样,只是需要分别分析两组不同极性全波整流电路,如果已经掌握了全波整流电路的工作原理,则只需要确定两组全波整流电路的组成,而不必具体分析电路。..(2)确定整流电路输出电压极性的方法是:两二极管负极相连的是正极性输出端(VD2和VD4连接端),两二极管正极相连的是负极性输出端(VD1和VD3连接端)。2.电路工作原理分析如表9-28所示是这一正、负极性全波整流电路的工作原理解说。表9-28正、负极性全波整流电路的工作原理解说关键词说明正极性整流电路分析正极性整流电路由电源变压器T1和整流二极管VD2、VD4构成。在电源变压器次级线圈上端输出正半周电压期间,VD2导通,VD2导通时的电流回路是:T1次级线圈上端→VD2正极→VD2负极→负载电阻R2→地线→T1的次级线圈抽头→次级抽头以上线圈,构成回路。流过负载电阻R2的电流方向是从上而下,输出正极性单向脉动直流电压。在交流电压变化到另一个半周后,电源变压器次级线圈上端输出负半周电压,使VD2截止。这时,次级线圈下端输出正半周电压使VD4导通,其电流回路是:T1次级线圈下端→VD4正极→VD4负极→负载电阻R2→地线→T1次级线圈抽头→次级抽头以下线圈,构成回路。流过负载电阻R2的电流方向是从上而下,输出正极性单向脉动直流电压。负极性整流电路分析负极性整流电路由电源变压器T1和整流二极管VD1、VD3构成。电源变压器次级线圈下端输出负半周电压加到VD3负极,给VD3正向偏置电压,使之导通,VD3导通时的电流回路是:地端→负载电阻R1→VD3正极→VD3负极→T1次级线圈下端→次级线圈抽头以下线圈→次级线圈抽头→地线,构成回路。这一整流电流流过负载电阻R1的方向是从下而上,输出负极性单向脉动直流电压。当T1次级线圈上的交流输出电压变化到另一个半周时,次级线圈上端为负半周交流电压,使VD1导通,其导通时的电流回路是:地端→负载电阻R1→VD1正极→VD1负极→T1次级线圈上端→次级线圈抽头以上线圈→次级线圈抽头→地线,构成回路。这一整流电流流过负载电阻R1的方向是从下而上,输出负极性单向脉动直流电压。3.故障检测方法关于这一电路的故障检测方法说明下列几点:(1)如果正极性和负极性直流输出电压都不正常时,可以不必检查整流二极管,而是检测电源变压器,因为几只整流二极管同时出现相同故障的可能性较小。(2)对于某一组整流电路出现故障时,可按前面介绍的故障检测方法进行检查。这一电路..中整流二极管中的二极管VD1和VD3、VD2和VD4是直流电路并联的,进行在路检测时会相互影响,所以准确的检测应该将二极管脱开电路。4.电路故障分析如表9-29所示是正、负极性全波整流电路的故障分析。表9-29正、负极性全波整流电路的故障分析名称故障分析理解方法提示VD1或VD3中有一只开路负极性电压输出仅为半波整流,正极性电压输出正常。这是因为正、负极性两组全波整流电路是并联的,有一组开路对另一组影响不大。VD2或VD4中有一只开路正极性电压输出仅为半波整流,负极性电压输出正常。理解方法同上。四只整流二极管中有一只短路将影响正、负极性电压输出,熔断保险丝。这是因为只要有一只整流二极管短路都使电源变压器次级线圈短路,造成电源变压器短路和过载。分页:1234569.3.8正极性桥式整流电路及故障处理桥式整流电路是电源电路中应用量最大的一种整流电路。如图9-25所示是典型的正极性桥式整流电路,VD1~VD4是一组整流二极管,T1是电源变压器。..图9-25正极性桥式整流电路桥式整流电路具有下列几个明显的电路特征和工作特点:(1)每一组桥式整流电路中要用四只整流二极管,或用一只桥堆...

1、当您付费下载文档后,您只拥有了使用权限,并不意味着购买了版权,文档只能用于自身使用,不得用于其他商业用途(如 [转卖]进行直接盈利或[编辑后售卖]进行间接盈利)。
2、本站所有内容均由合作方或网友上传,本站不对文档的完整性、权威性及其观点立场正确性做任何保证或承诺!文档内容仅供研究参考,付费前请自行鉴别。
3、如文档内容存在违规,或者侵犯商业秘密、侵犯著作权等,请点击“违规举报”。

碎片内容

整流桥电路大全

您可能关注的文档

确认删除?
VIP
微信客服
  • 扫码咨询
会员Q群
  • 会员专属群点击这里加入QQ群
客服邮箱
回到顶部