电脑桌面
添加小米粒文库到电脑桌面
安装后可以在桌面快捷访问

工程验收单(全部)改后VIP免费

工程验收单(全部)改后_第1页
1/7
工程验收单(全部)改后_第2页
2/7
工程验收单(全部)改后_第3页
3/7
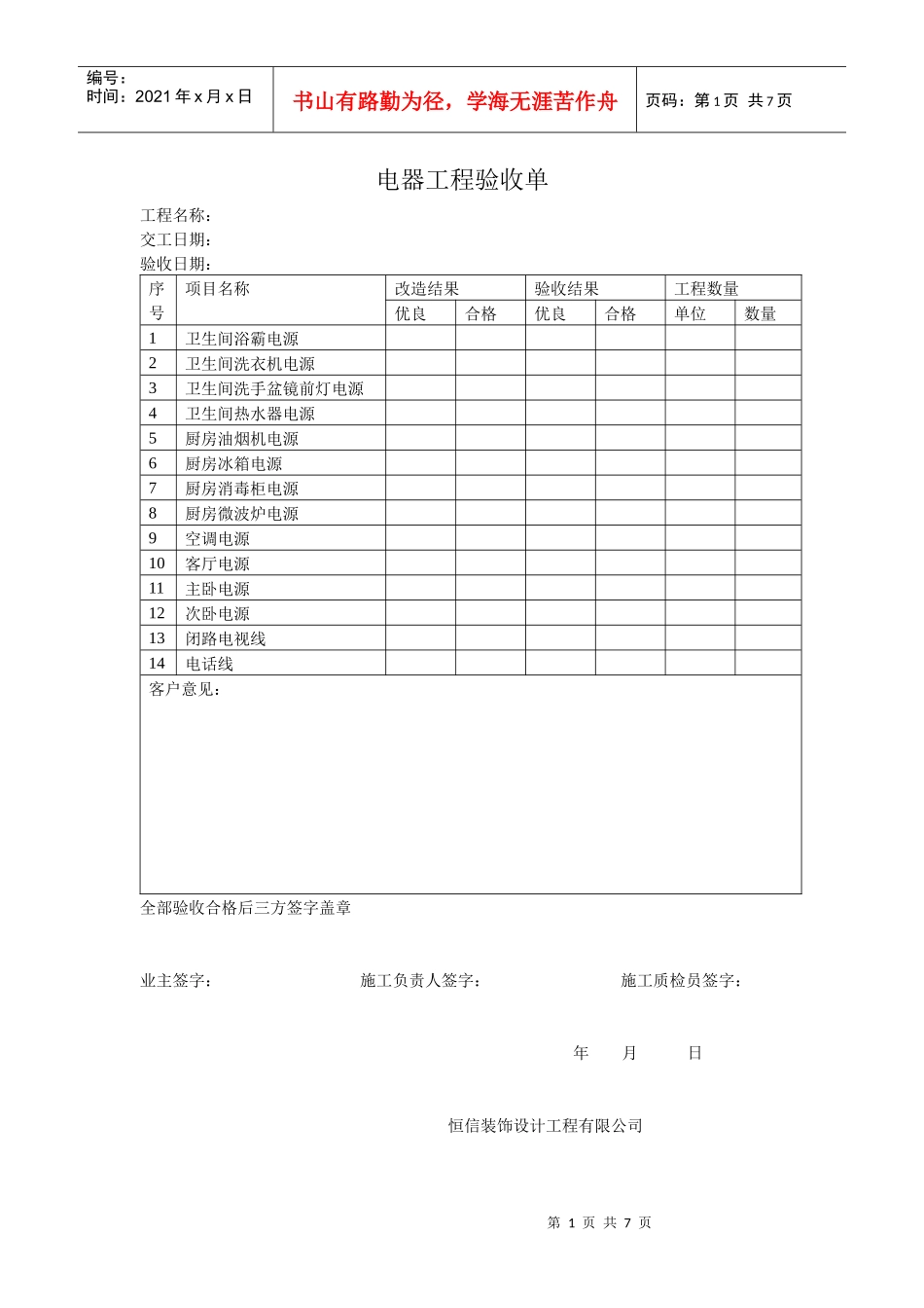
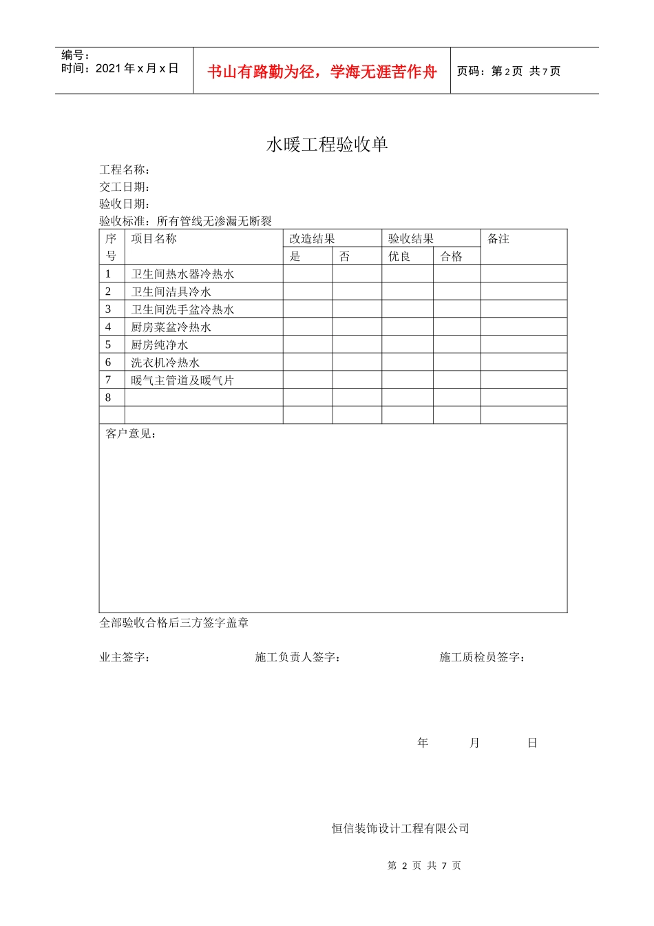
第1页共7页编号:时间:2021年x月x日书山有路勤为径,学海无涯苦作舟页码:第1页共7页电器工程验收单工程名称:交工日期:验收日期:序号项目名称改造结果验收结果工程数量优良合格优良合格单位数量1卫生间浴霸电源2卫生间洗衣机电源3卫生间洗手盆镜前灯电源4卫生间热水器电源5厨房油烟机电源6厨房冰箱电源7厨房消毒柜电源8厨房微波炉电源9空调电源10客厅电源11主卧电源12次卧电源13闭路电视线14电话线客户意见:全部验收合格后三方签字盖章业主签字:施工负责人签字:施工质检员签字:年月日恒信装饰设计工程有限公司第2页共7页第1页共7页编号:时间:2021年x月x日书山有路勤为径,学海无涯苦作舟页码:第2页共7页水暖工程验收单工程名称:交工日期:验收日期:验收标准:所有管线无渗漏无断裂序号项目名称改造结果验收结果备注是否优良合格1卫生间热水器冷热水2卫生间洁具冷水3卫生间洗手盆冷热水4厨房菜盆冷热水5厨房纯净水6洗衣机冷热水7暖气主管道及暖气片8客户意见:全部验收合格后三方签字盖章业主签字:施工负责人签字:施工质检员签字:年月日恒信装饰设计工程有限公司第3页共7页第2页共7页编号:时间:2021年x月x日书山有路勤为径,学海无涯苦作舟页码:第3页共7页瓦工工程验收单工程名称:交工日期:验收日期:验收标准:地、墙面砖平整,无空动及裂纹工程竣工后由于房体出现问题导致墙砖脱落及空鼓等与乙方无关序号项目名称改造结果验收结果备注是否优良合格1卫生间墙面砖2卫生间地面砖3厨房墙面砖4厨房地面砖5地面找平6墙面找平(改造)7防水工程8保温工程客户意见:全部验收合格后三方签字盖章业主签字:施工负责人签字:施工质检员签字:年月日第4页共7页第3页共7页编号:时间:2021年x月x日书山有路勤为径,学海无涯苦作舟页码:第4页共7页恒信装饰设计工程有限公司木工工程验收单工程名称:交工日期:验收日期:序号`项目名称验收结果备注优良合格1.门口2.窗口3.柜门4门5衣柜6橱柜石膏板吊顶7鞋柜8床头形象墙9电视形象墙10厨房、卫生间吊顶11石膏板吊顶客户意见:全部验收合格后三方签字盖章第5页共7页第4页共7页编号:时间:2021年x月x日书山有路勤为径,学海无涯苦作舟页码:第5页共7页业主签字:施工负责人签字:施工质检员签字:年月日恒信装饰设计工程有限公司大白工程验收单工程名称:交工日期:验收日期:验收标准:所有棚面、墙面大白是否平整,有无起皮、开裂、变色等。工程竣工后出现墙体开裂等问题与乙方无关。序号项目名称改造结果验收结果备注是否优良合格1客厅+餐厅+综合2主卧3次卧4书房56789101112客户意见:全部验收合格后三方签字盖章业主签字:施工负责人签字:施工人员签字:第6页共7页第5页共7页编号:时间:2021年x月x日书山有路勤为径,学海无涯苦作舟页码:第6页共7页年月日恒信装饰设计工程有限公司乳胶漆工程验收单工程名称:交工日期:验收日期:验收标准:漆膜表面平整光滑,无流淌、无麻点。序号`项目名称验收结果备注优良合格1客厅2卧室3餐厅45678客户意见:全部验收合格后三方签字盖章第7页共7页第6页共7页编号:时间:2021年x月x日书山有路勤为径,学海无涯苦作舟页码:第7页共7页业主签字:施工负责人签字:施工人员签字:年月日恒信装饰设计工程有限公司

1、当您付费下载文档后,您只拥有了使用权限,并不意味着购买了版权,文档只能用于自身使用,不得用于其他商业用途(如 [转卖]进行直接盈利或[编辑后售卖]进行间接盈利)。
2、本站所有内容均由合作方或网友上传,本站不对文档的完整性、权威性及其观点立场正确性做任何保证或承诺!文档内容仅供研究参考,付费前请自行鉴别。
3、如文档内容存在违规,或者侵犯商业秘密、侵犯著作权等,请点击“违规举报”。

碎片内容

工程验收单(全部)改后

确认删除?
VIP
微信客服
  • 扫码咨询
会员Q群
  • 会员专属群点击这里加入QQ群
客服邮箱
回到顶部