电脑桌面
添加小米粒文库到电脑桌面
安装后可以在桌面快捷访问

建筑平面图实例步骤VIP专享VIP免费

建筑平面图实例步骤_第1页
1/15
建筑平面图实例步骤_第2页
2/15
建筑平面图实例步骤_第3页
3/15
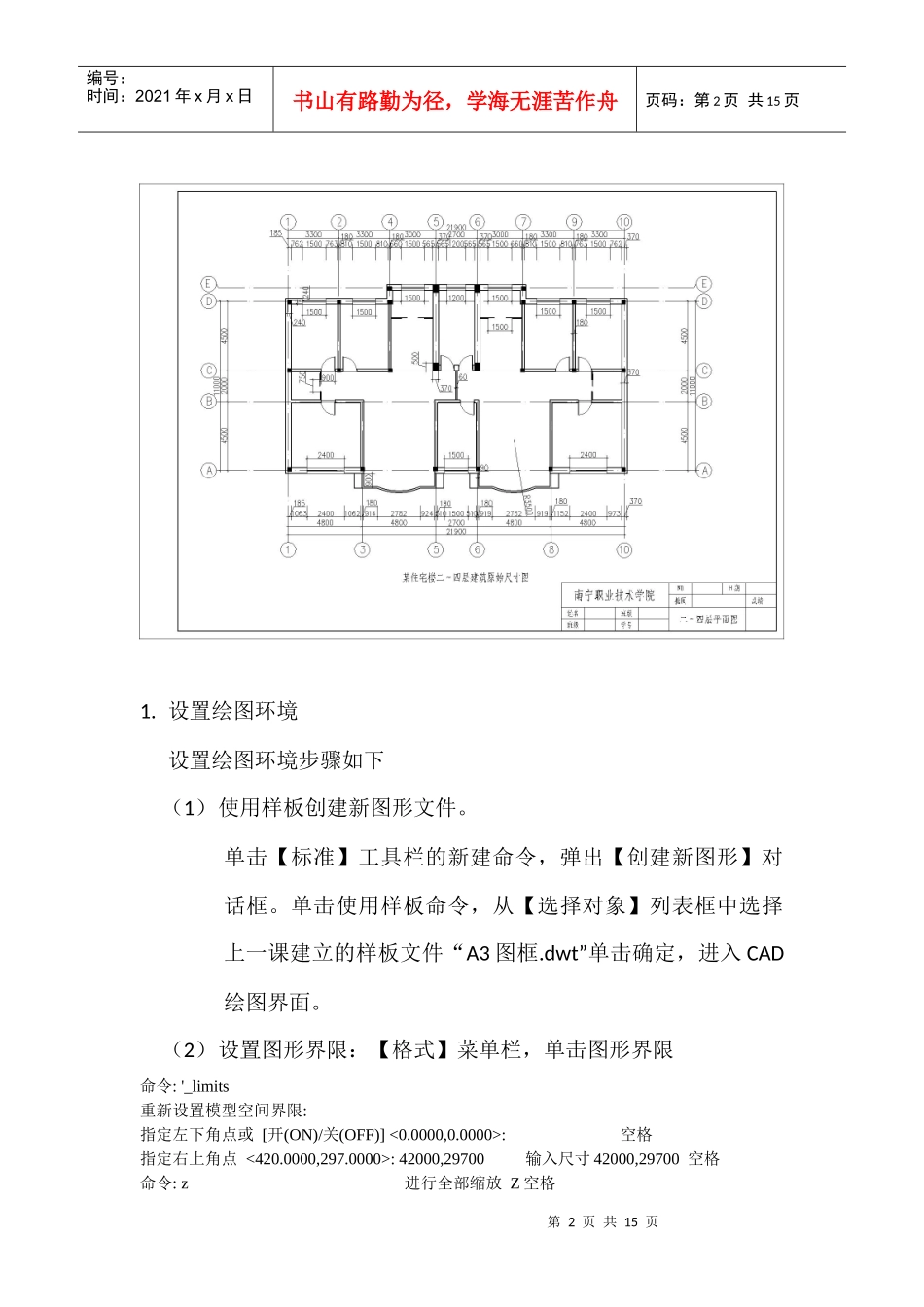
第1页共15页编号:时间:2021年x月x日书山有路勤为径,学海无涯苦作舟页码:第1页共15页建筑平面图实例步骤将以一幢住宅楼的施工图为例,系统讲述利用CAD绘制建筑施工图的方法,主要讲述建筑平面图的绘制方法和过程。绘制过程如下:1.设置绘图环境2.绘制轴线3.绘制墙体4.修剪墙体5.绘制柱子6.开门、窗洞和绘制门、窗图形、绘制阳台7.标注尺寸8.绘制轴号9.标注文本(图名)10.把绘制完成的平面图,放入图框中。第2页共15页第1页共15页编号:时间:2021年x月x日书山有路勤为径,学海无涯苦作舟页码:第2页共15页1.设置绘图环境设置绘图环境步骤如下(1)使用样板创建新图形文件。单击【标准】工具栏的新建命令,弹出【创建新图形】对话框。单击使用样板命令,从【选择对象】列表框中选择上一课建立的样板文件“A3图框.dwt”单击确定,进入CAD绘图界面。(2)设置图形界限:【格式】菜单栏,单击图形界限命令:'_limits重新设置模型空间界限:指定左下角点或[开(ON)/关(OFF)]<0.0000,0.0000>:空格指定右上角点<420.0000,297.0000>:42000,29700输入尺寸42000,29700空格命令:z进行全部缩放Z空格第3页共15页第2页共15页编号:时间:2021年x月x日书山有路勤为径,学海无涯苦作舟页码:第3页共15页ZOOM指定窗口的角点,输入比例因子(nX或nXP),或者[全部(A)/中心(C)/动态(D)/范围(E)/上一个(P)/比例(S)/窗口(W)/对象(O)]<实时>:a空格正在重生成模型。(3)放大A3图框。单击【缩放】快捷键:SC命令:sc空格SCALE选择对象:指定对角点:找到3个框选对象选择对象:空格指定基点:以图框的某一端点作为基点指定比例因子或[复制(C)/参照(R)]<1.0000>:100输入100(注意:本例中采用1:1的比例作图,而按1:100的比例出图,所以设置的绘图范围为4200029700,对应的图框则需放大100倍。)(4)修改图层根据绘图需要,决定图层的数量及相应的颜色和线型。(5)设置线型比例。命令:lts空格LTSCALE输入新线型比例因子<1.0000>:100输入100空格正在重生成模型。(注意:在扩大了图形界限的情况下,为使点划线正常显示,须将全局比例因子按比例放大。)(6)设置文字样式和标注样式。(检查样板文件中是否已经设置好)(7)完成设置并保存文件。打开【图形另存为】对话框,输入文件名:“二~四层建筑平面图”单击【保存】命令按钮。第4页共15页第3页共15页编号:时间:2021年x月x日书山有路勤为径,学海无涯苦作舟页码:第4页共15页2.绘制轴线绘制轴线步骤如下。(1)打开已保存的文件“二~四层建筑平面图.dwg”将“图框标题栏”层关闭,将“轴线”层设置为当前层。打开“正交”设置“对象捕捉”(2)绘制A~E轴线1)绘制A号轴线:命令:l空格LINE指定第一点:指定一点指定下一点或[放弃(U)]:27200输入27200指定下一点或[放弃(U)]:空格结束命令2)绘制B号~E号轴线。通过偏移命令操作,依次类推3)绘制1~10号轴线。同样的操作方法。【图形另存为】对话框第5页共15页第4页共15页编号:时间:2021年x月x日书山有路勤为径,学海无涯苦作舟页码:第5页共15页3.绘制墙体:运用【多线】快捷键:ML将“墙体”层设置为当前层,并锁定“轴线”层。绘制墙体步骤如下:1)绘制外墙:墙厚:370命令:ml空格MLINE当前设置:对正=上,比例=20.00,样式=STANDARD指定起点或[对正(J)/比例(S)/样式(ST)]:s输入S空格输入多线比例<20.00>:370输入370空格当前设置:对正=上,比例=370.00,样式=STANDARD指定起点或[对正(J)/比例(S)/样式(ST)]:j输入J空格输入对正类型[上(T)/无(Z)/下(B)]<上>:z输入z空格当前设置:对正=无,比例=370.00,样式=STANDARD指定起点或[对正(J)/比例(S)/样式(ST)]:指定一点,开始绘制墙体指定下一点:2)绘制内墙:墙厚:180同样使用“多线”命令,S设置为1803)绘制内墙:墙厚:120同样使用“多线”命令,S设置为1204.修剪墙体运用【多线编辑工具】把“轴线”层关闭,将“墙体”层作为当前图层。打开【修改】菜单栏——【对象】——【多线】第6页共15页第5页共15页编号:时间:2021年x月x日书山有路勤为径,学海无涯苦作舟页码:第6页共15页选择T形打开第7页共15页第6页共15页编号:时间:2021年x月x日书山有路勤为径...

1、当您付费下载文档后,您只拥有了使用权限,并不意味着购买了版权,文档只能用于自身使用,不得用于其他商业用途(如 [转卖]进行直接盈利或[编辑后售卖]进行间接盈利)。
2、本站所有内容均由合作方或网友上传,本站不对文档的完整性、权威性及其观点立场正确性做任何保证或承诺!文档内容仅供研究参考,付费前请自行鉴别。
3、如文档内容存在违规,或者侵犯商业秘密、侵犯著作权等,请点击“违规举报”。

碎片内容

建筑平面图实例步骤

确认删除?
VIP
微信客服
  • 扫码咨询
会员Q群
  • 会员专属群点击这里加入QQ群
客服邮箱
回到顶部