电脑桌面
添加小米粒文库到电脑桌面
安装后可以在桌面快捷访问

成本管理-与控制方案设计VIP免费

成本管理-与控制方案设计_第1页
1/7
成本管理-与控制方案设计_第2页
2/7
成本管理-与控制方案设计_第3页
3/7
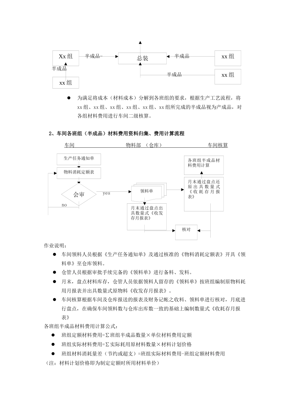
成本管理与控制方案设计某公司二00三年八月一、前言企业经营的核心就是满足客户的同时获得利益。满足客户取决于产品性能价格比,而价格决策取决于成本决策。成本管理是指管理者在满足客户需要的前提下,在控制成本与降低成本的过程中所采取的一切手段,目的是以最低的成本达到预先规定的质量、数量和交货时间,获得竞争优势,实现利润最大化。成本核算中所指产品成本仅仅是指企业生产产品的原材料、人工、折旧等直接可归属于产品成本中的耗费,而未予反映的无形成本还包括如:物流管理成本、资金机会成本及管理成本、组织效率成本及组织设计成本等。成本与质量、价格、销售量之间的关系,以及不同成本之间的相互关系,决定了企业在各项管理活动中必须关注成本,同时也决定了成本控制不能局限于成本本身。管理会计界通过对世界数百家大公司的调查发现,大约85%—90%的整个生命周期的产品成本在设计阶段已被决定。因此这种追求极限的成本思想必须依靠战略构筑、组织措施的配合,才能形成现代完整意义上的成本意识。同时,会计人员应被视为整个成本管理队伍中的一分子,数据的收集分析也应体现在整个价值链过程中,而非仅局限于生产阶段。因此,我们进行某公司公司的成本管理与控制的方案设计时在考虑成本控制的经济性、可控性、重要性等原则基础上,对成本管理和控制实施方案设计时主要对以下几个方面进行了改进:1、成本细化,将成本分解到各班组中。2、改善成本核算方法,以适应班组成本考核。3、完善成本考核体系,考核质量成本,将生产、采购、品质、销售等部门一起纳入考核范围,共同对质量成本负责。4、将定价与生产、成本、销售量链接,改进定价方法。在充分考虑某公司现有成本信息收集、加工、核算、考核流程及计算方法基础上,我们的设计方案主要包括以下几个方面:1、成本资料的收集、加工流程及成本的计算方法(数据的来源)2、成本核算的方法(数据的确认和分类)3、成本考核4、成本导向型销售价格制订方法二、成本资料的收集和加工流程(一)材料费用资料归集、费用计算流程1、生产工艺—总装流程产成品出货检验半成品-半成品半成品半成品为满足将成本(材料成本)分解到各班组的要求,根据生产工艺流程,将xx组、xx组、xx组、xx组、xx组、xx组所完成的半成品视为产成品,对各组材料费用进行车间二级核算。2、车间各班组(半成品)材料费用资料归集、费用计算流程车间物料部(仓库)车间核算yesno作业说明:车间领料人员根据《生产任务通知单》及通过核准的《物料消耗定额表》开具《领料单》至仓库领料。仓管人员根据审批手续完备的《领料单》进行备料、发料。月末,盘点材料库存,仓管人员依据领料人留存的《领料单》按班组编制原物料耗用月报表并出具数量式原物料《收发存月报表》。车间核算根据车间及仓库报送的报表及财务记帐之收料、领料单进行核对,月底进行盘点,在确保车间领料数与仓库出库数一致的基础上编制数量式《收耗存月报表》各班组半成品材料费用计算公式:班组定额材料费用=∑班组半成品数量×单位材料费用定额班组实际材料费用=∑实际耗用原材料数量×材料计划价格班组材料消耗量差(节约或超支)=班组实际材料费用-班组定额材料费用(注:材料计划价格即为制定定额时所用材料单价)Xx组xx组总装总装xx组xx组生产任务通知单物料消耗定额表领料单月末通过盘点出具数量式《收发存月报表》会审月末通过盘点还原出具数量式《收耗存月报表》核对各班组半成品材料费用计算www.3722.cn中国最大的资料库下载3、产成品材料费用资料归集、费用计算流程物资采购部品质部生产部财务部传递单据(领用半成品)汇总表领用材料传递单据汇总表计算公式:生产消耗材料数量=当月库房领用数+上月在线盘点数-当月在线盘点数-实验从在线领用数实验消耗材料数量=实验从在线领用半产品消耗材料数量+实验从库房领用领用数加权平均材料单价=(期初库存材料金额+本期购入材料金额)/(期初库存材料数量+本期购入材料数量)本期领用材料金额=加权平均材料单价×本期领用数量产成品消耗材料单价=(期初在线金额+本期领用金额)/(期初在线材料数量+本期领...

1、当您付费下载文档后,您只拥有了使用权限,并不意味着购买了版权,文档只能用于自身使用,不得用于其他商业用途(如 [转卖]进行直接盈利或[编辑后售卖]进行间接盈利)。
2、本站所有内容均由合作方或网友上传,本站不对文档的完整性、权威性及其观点立场正确性做任何保证或承诺!文档内容仅供研究参考,付费前请自行鉴别。
3、如文档内容存在违规,或者侵犯商业秘密、侵犯著作权等,请点击“违规举报”。

碎片内容

成本管理-与控制方案设计

确认删除?
VIP
微信客服
  • 扫码咨询
会员Q群
  • 会员专属群点击这里加入QQ群
客服邮箱
回到顶部