电脑桌面
添加小米粒文库到电脑桌面
安装后可以在桌面快捷访问

智能建筑修改VIP专享VIP免费

智能建筑修改_第1页
1/33
智能建筑修改_第2页
2/33
智能建筑修改_第3页
3/33
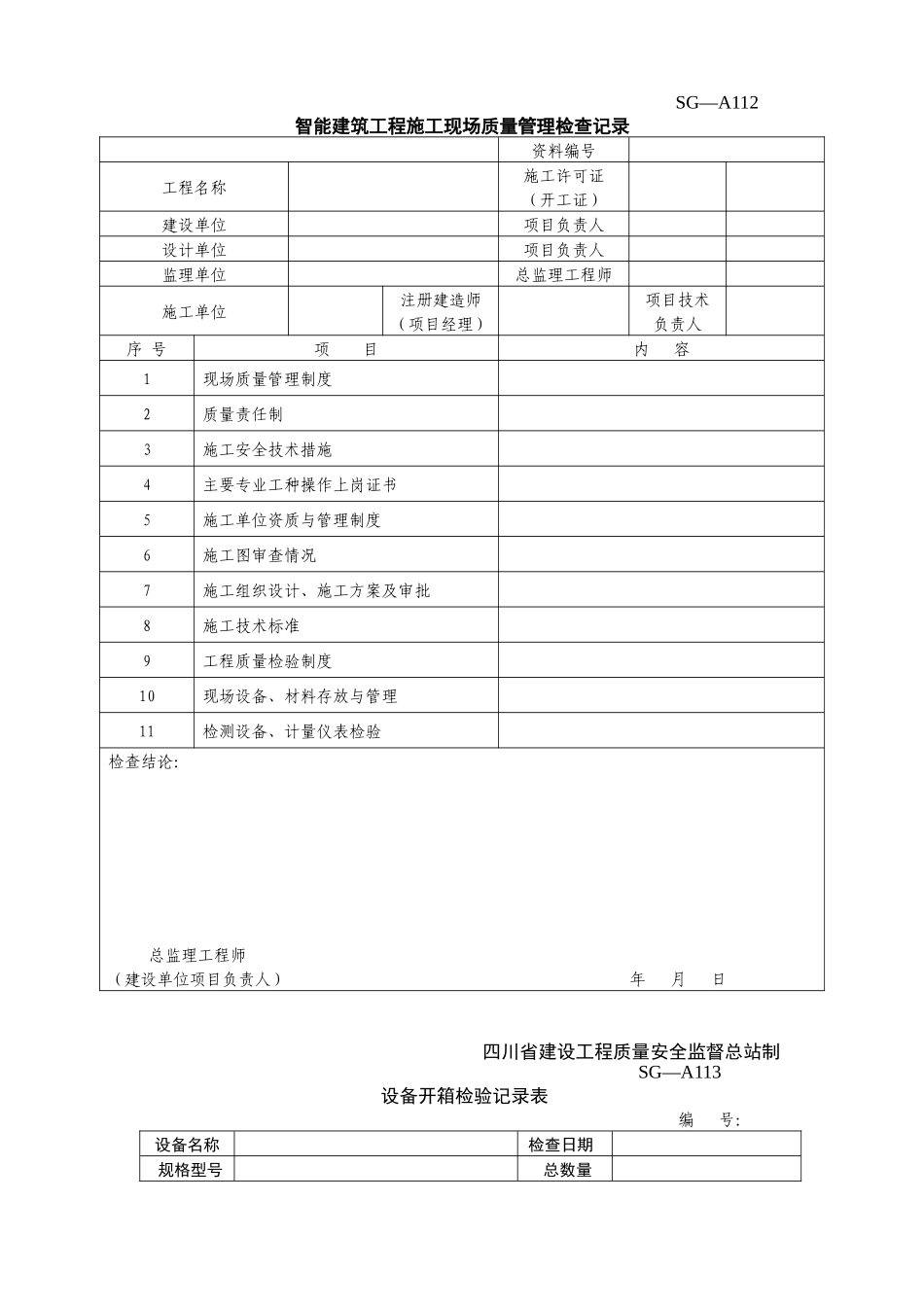
SG—A112智能建筑工程施工现场质量管理检查记录资料编号工程名称施工许可证(开工证)建设单位项目负责人设计单位项目负责人监理单位总监理工程师施工单位注册建造师(项目经理)项目技术负责人序号项目内容1现场质量管理制度2质量责任制3施工安全技术措施4主要专业工种操作上岗证书5施工单位资质与管理制度6施工图审查情况7施工组织设计、施工方案及审批8施工技术标准9工程质量检验制度10现场设备、材料存放与管理11检测设备、计量仪表检验检查结论:总监理工程师(建设单位项目负责人)年月日四川省建设工程质量安全监督总站制SG—A113设备开箱检验记录表编号:设备名称检查日期规格型号总数量装箱单号检验数量检验记录包装情况随机文件备件与附件外观情况测试情况检验结果缺、损附备件明细表序号名称规格单位数量备注结论:签字栏建设(监理)单位施工单位供应单位注:本表由施工单位填写并保存。四川省建设工程质量安全监督总站制SG—A114智能建筑隐蔽工程(随工检查)验收记录资料编号工程名称隐检项目隐检日期隐检部位层轴线标高隐检依据:施工图图号___________________。设计变更/洽商(编号____________)及有关国家现行标准等。主要材料名称及规格/型号:__________________________________________________________________隐检内容:申报人:检查意见:检查结论:□同意隐检□不同意,修改后进行复查复查结论:复查人:复查日期:签字栏施工单位专业技术负责人专业质检员专业工长监理(建设)单位专业工程师四川省建设工程质量安全监督总站制SG—A115智能建筑安装质量及观感质量验收记录资料编号工程名称系统名称检查日期检查项目检查部位123451234512345检查结论:签字栏施工单位专业技术负责人专业质检员专业工长监理(建设)单位专业工程师四川省建设工程质量安全监督总站制SG—A116智能建筑工程设备材料进场检验记录资料编号工程名称检验日期序号名称规格型号进场数量生产厂家检验项目检验结果备注合格证号检验结论:签字栏施工单位专业质检员专业工长检验员监理(建设)单位专业工程师四川省建设工程质量安全监督总站SG—A117智能建筑自检记录工程名称编号系统名称检测部位施工单位注册建造师(项目经理)执行标准名称及编号主控项目自检内容自检结果备注合格不合格一般项目强制性条文施工单位的自检结论专业技术负责人年月日注:1.自检结果栏中,左列打“√”为合格,右列打“√”为不合格;2.备注栏内填写自检时出现的问题。四川省建设工程质量安全监督总站制SG—A118智能建筑______分项工程质量验收记录工程名称结构类型分布(子分部)工程名称检验批数施工单位注册建造师(项目经理)序号检验批名称、部位、区段施工单位检查评定结果监理(建设)单位验收结论1234567891011说明检查结论施工单位专业技术负责人:年月日验收结论监理工程师:(建设单位项目专业技术负责人)年月日四川省建设工程质量安全监督总站制SG—A119智能建筑试运行记录资料编号工程名称系统名称试运行部位序号日期/时间系统试运转记录值班人备注结论:签字栏施工单位专业技术负责人专业质检员施工员监理(建设)单位专业工程师四川省建设工程质量安全监督总站制SG—A120智能建筑分项工程检测记录工程名称编号子分部工程分项工程名称验收部位施工单位注册建造师(项目经理)施工执行标准名称及编号检测项目及抽检数检测记录备注检测结论:监理工程师签字检测负责人签字(建设单位项目专业技术负责人)年月日年月日四川省建设工程质量安全监督总站制SG—A121智能化集成系统子分部工程检测记录工程名称编号子分部名称智能化集成系统检查部位施工单位注册建造师(项目经理)执行标准名称及编号检测内容规范条款检测结果记录结果评价备注合格不合格主控项目接口功能4.0.4集中监视、储存和统计功能4.0.5报警监视及处理功能4.0.6控制和调节功能4.0.7联动配置及管理功能4.0.8权限管理功能4.0.9冗余功能4.0.10一般项目文件报表生成和打印功能4.0.11数据分析功能4.0.12检测结论:监理工...

1、当您付费下载文档后,您只拥有了使用权限,并不意味着购买了版权,文档只能用于自身使用,不得用于其他商业用途(如 [转卖]进行直接盈利或[编辑后售卖]进行间接盈利)。
2、本站所有内容均由合作方或网友上传,本站不对文档的完整性、权威性及其观点立场正确性做任何保证或承诺!文档内容仅供研究参考,付费前请自行鉴别。
3、如文档内容存在违规,或者侵犯商业秘密、侵犯著作权等,请点击“违规举报”。

碎片内容

智能建筑修改

确认删除?
VIP
微信客服
  • 扫码咨询
会员Q群
  • 会员专属群点击这里加入QQ群
客服邮箱
回到顶部