电脑桌面
添加小米粒文库到电脑桌面
安装后可以在桌面快捷访问

投标施工组织设计VIP免费

投标施工组织设计_第1页
1/79
投标施工组织设计_第2页
2/79
投标施工组织设计_第3页
3/79
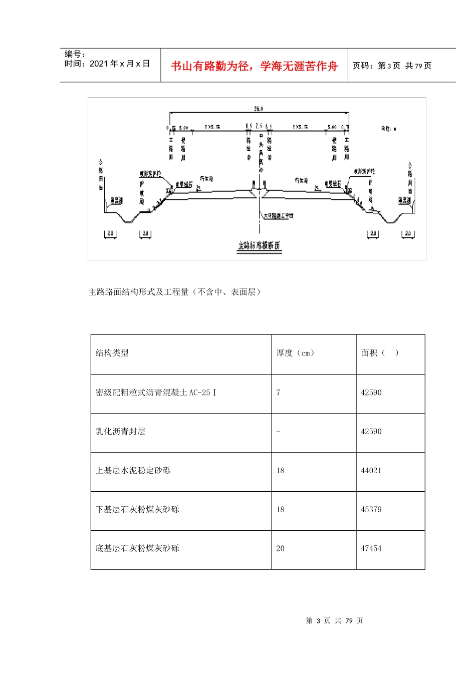
第1页共79页编号:时间:2021年x月x日书山有路勤为径,学海无涯苦作舟页码:第1页共79页第一章工程概况第1节工程简介1.1.1建设地点、建设规模国道主干线北京绕城公路(六环路)XX至XX段工程起自昌平区八达岭高速公路与六环路相交的XX立交西侧,终点与现况军温路相接,路线全长19.6公里。全线按全封闭、全立交的高速公路标准设计,设计行车速度为100km/h,设计荷载标准为汽车-超20级,挂车-120级。本工程为第五合同段,道路位于京密引水渠东侧约400米,斜穿史家桥村,道路起点桩号为第2页共79页第1页共79页编号:时间:2021年x月x日书山有路勤为径,学海无涯苦作舟页码:第2页共79页K5+800,终点桩号为K7+700,标段全长1.9公里,道路面积为48620m2。本段六环路主要以路基填方为主,约27.5万m3。在史家桥村附近设通道桥一座,跨史家桥河设跨河桥一座,在上庄北路与六环路相交处设分离式立交一座,桥梁面积为3920m2。道路采用雨水边沟排水,本段共设置排水涵洞8道。1.1.2分项工程简述道路工程:本标段主路横断面为两幅路形式,双向四车道:中央分隔离带宽2.5m,土路肩宽0.75m;单侧机动车道宽为0.5+2×3.75+3.0=11m,路基标准宽度为26m。道路红线宽度为80m。路面采用向外直线两面坡形式,横坡度为2%,土路肩坡度为3%。为保证路基边坡的稳定,路基两侧设2.0m宽护坡道,路基边坡坡度为1:1.5。路基填方大于3米边坡采用六角形预制砼网格护砌,小于3米采用三维喷播植草护坡。上庄北路规划为城市次干路,上跨六环路,路基宽12m。行车道宽9m,两侧路肩宽1.5m。主路横断面如下图所示:第3页共79页第2页共79页编号:时间:2021年x月x日书山有路勤为径,学海无涯苦作舟页码:第3页共79页主路路面结构形式及工程量(不含中、表面层)结构类型厚度(cm)面积()密级配粗粒式沥青混凝土AC-25Ⅰ742590乳化沥青封层-42590上基层水泥稳定砂砾1844021下基层石灰粉煤灰砂砾1845379底基层石灰粉煤灰砂砾2047454第4页共79页第3页共79页编号:时间:2021年x月x日书山有路勤为径,学海无涯苦作舟页码:第4页共79页总厚度74上庄北路路面结构形式及工程量结构类型厚度(cm)面积()密级配细粒式沥青混凝土AC-13Ⅰ46030粗粒式沥青混凝土AC-30Ⅰ76030乳化沥青封层-6030上基层石灰粉煤灰砂砾混合料156399下基层石灰粉煤灰砂砾混合料156667底基层石灰粉煤灰砂砾混合料157069总厚度56道路填方及挖方工程量第5页共79页第4页共79页编号:时间:2021年x月x日书山有路勤为径,学海无涯苦作舟页码:第5页共79页填方数量()挖方数量()六环主路22.3万1422上庄北路5.2万714合计27.5万2136硬路肩结构与主路采用相同的路面结构。在K6+700~K7+000段设置路面结构排水防渗设施。桥梁工程:本标有K6+012.126通道桥,史家桥河跨河桥及上庄北路分离式立交桥各一座。K6+012.126通道桥主桥宽26m,与被交9m宽道路斜交角度为67.3528°,桥全长24m。上部结构采用一孔16m预制简支宽腹T梁,90cm高T梁共14片,下部结构为重力式桥台及D=1.2m钻孔灌注桩共24棵。桥面结构为11cm厚沥青砼铺装层,防水层及10cm厚砼铺装层。桥梁面积624。K6+478.085史家桥河桥主桥宽26m,道路中线与规划河底宽9m的史家桥河河道中线交角37.0271°,桥全长88m。上部结构为25+30+25m预制简支T梁共42片,中跨30m梁高1.6m,边跨25m梁高1.4m。下部结构边墩采用重力式桥台及D=1.2m钻孔灌注桩共24棵,4片预应力砼盖梁下设D=1.2m双柱墩共8根,基础采用承台加砼系梁及D=1.5m钻孔灌注桩第6页共79页第5页共79页编号:时间:2021年x月x日书山有路勤为径,学海无涯苦作舟页码:第6页共79页共8棵。在左右半幅桥间设桥台间挡墙。桥面结构为11cm厚沥青砼铺装层,防水层及10cm厚砼铺装层。桥梁面积2288。K7+281.874上庄北桥跨线桥宽12m,上庄北路中线与六环路中线交角63.2757°,桥全长84m。上部结构为4×20m预制简支T梁共24片,20m梁高1.1m。下部结构边墩采用肋板式桥台,2片预应力砼盖梁下设肋板式柱墩共4根,边墩基础采用承台加砼系梁及D=1.2m钻孔灌注桩共8棵。中墩基础采用承台及D=1.2m钻孔灌注桩共6棵,3片预应力砼盖梁下设D=1.5m双柱墩共3根。桥面结构为9cm厚...

1、当您付费下载文档后,您只拥有了使用权限,并不意味着购买了版权,文档只能用于自身使用,不得用于其他商业用途(如 [转卖]进行直接盈利或[编辑后售卖]进行间接盈利)。
2、本站所有内容均由合作方或网友上传,本站不对文档的完整性、权威性及其观点立场正确性做任何保证或承诺!文档内容仅供研究参考,付费前请自行鉴别。
3、如文档内容存在违规,或者侵犯商业秘密、侵犯著作权等,请点击“违规举报”。

碎片内容

投标施工组织设计

确认删除?
VIP
微信客服
  • 扫码咨询
会员Q群
  • 会员专属群点击这里加入QQ群
客服邮箱
回到顶部