电脑桌面
添加小米粒文库到电脑桌面
安装后可以在桌面快捷访问

新采购管理流程VIP免费

新采购管理流程_第1页
1/5
新采购管理流程_第2页
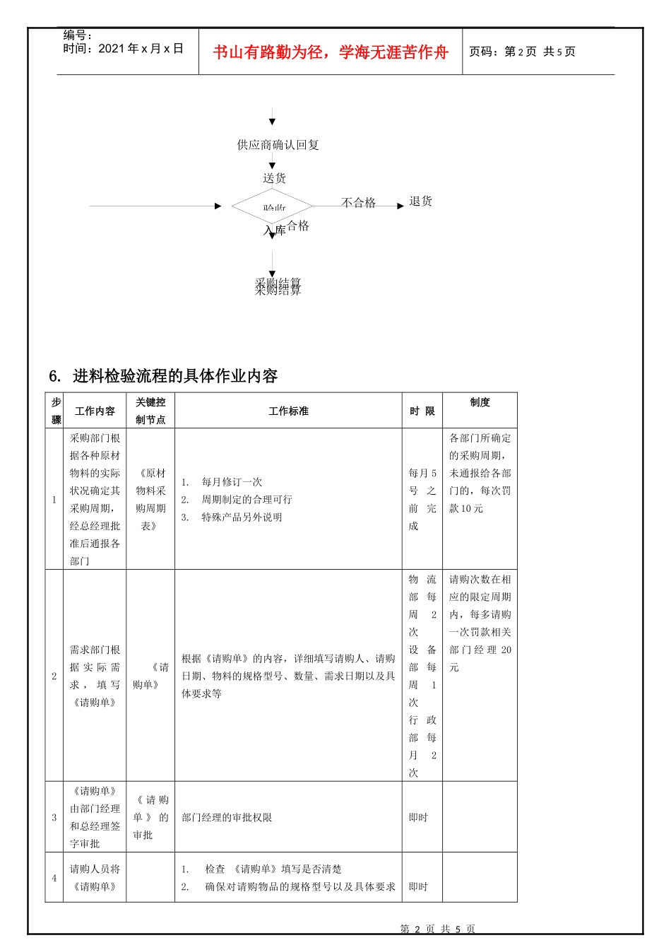
2/5
新采购管理流程_第3页
3/5
SJS-B-SY-1二级文件版本号:1.0采购管理流程制定审核批准日期日期日期2010-04-15发布2010-07-1实施1.目的为了规范采购流程,控制采购成本,提高采购物料品质,及时高效的为相关部门提供所需物料和服务。第1页共5页请购需求编号:时间:2021年x月x日书山有路勤为径,学海无涯苦作舟页码:第1页共5页2.适用范围本标准适用于公司所有物料和服务的采购。3.定义3.1采购周期:采购物料所需要的时间,从下订单开始到物料到库。3.2物料:指与企业正常运营所需的所有物品,如原辅料、设备、办公用品、劳保用品等。4.权责4.1事业部:制定并公布《物料采购周期表》、执行采购活动、订单跟踪订单、采购结算4.2仓库负责通知品控部或相关部门验货。4.3品控部或相关部门负责验货5.进料检验流程图采购签收采购下订单外出现金采购供应商询价、议价外出现金采购请购单审核第2页共5页第1页共5页编号:时间:2021年x月x日书山有路勤为径,学海无涯苦作舟页码:第2页共5页6.进料检验流程的具体作业内容步骤工作内容关键控制节点工作标准时限制度1采购部门根据各种原材物料的实际状况确定其采购周期,经总经理批准后通报各部门《原材物料采购周期表》1.每月修订一次2.周期制定的合理可行3.特殊产品另外说明每月5号之前完成各部门所确定的采购周期,未通报给各部门的,每次罚款10元2需求部门根据实际需求,填写《请购单》《请购单》根据《请购单》的内容,详细填写请购人、请购日期、物料的规格型号、数量、需求日期以及具体要求等物流部每周2次设备部每周1次行政部每月2次请购次数在相应的限定周期内,每多请购一次罚款相关部门经理20元3《请购单》由部门经理和总经理签字审批《请购单》的审批部门经理的审批权限即时4请购人员将《请购单》1.检查《请购单》填写是否清楚2.确保对请购物品的规格型号以及具体要求即时供应商确认回复送货验收不合格退货入库采购结算合格验收入库采购结算第3页共5页第2页共5页编号:时间:2021年x月x日书山有路勤为径,学海无涯苦作舟页码:第3页共5页交到采购部,由事业部经理签收《请购单》充分了解,对采购有难度的物品,要求请购人员一起参加采购3.审阅采购物品的数量和需求日期,对数量和日期有问题的地方,及时与请购人员沟通。4.对采购物品的费用进行估算5.《请购单》的第一联交由请购人员保存,留下剩余三联5分配采购任务1.根据《请购单》安排工作,将第二联交给相关人员,其中采购工程师负责原辅料和设备采购,事业部助理负责行政物品采购,第三联全部交给事业部助理,由其负责跟踪,第四联放事业部经理,做存档。2.急需的物品优先采购原则3.事业部经理确定采购方式4.采购难度大、时间紧的物品经理协助一起采购即时6询价、比价、议价《询价比价议价表》1.向厂商详细说明品名,规格、质量要求、数量、交货期、地点以及付款方式2.同规格产品有几家供应宜均询价3.调查是否有其他较有利的代用品4.了解供应商的供应能力,是否能按期交货,并保质保量,向供应商索要相关检测报告和证件7审批1.事业部经理根据提供的价格以及供应商的资料,确定供应商和采购价格2.对采购的数量和交货期与《请购单》不一致时,及时通知请购部门3.对采购的价格出现异常时,及时通知请购部门和财务部,重大的要报生产副总即时对采购的价格出现重大异常时,没有上报生产副总的,每次罚款20元8下订单《订货单》1.在填写订货单时,一定要填写品名、规格、单位、数量、单价、总金额、付款方式、订货时间、交货时间、联系人、联系电话以及供货单位、订货单位,并有双方盖章2.如果订货单是传真件,必须在订货单中注明“传真件有效”,且电话确认3.订货单必须有事业部经理签字即时《订货单》没有供应商盖章的,则每次罚款当事人20元;《订货单》没有及时交仓库的,则每次罚款当时人5元。9订单跟踪《订单时间控制表》由事业部助理填写《订单时间控制表》,并进行跟踪没有进行跟踪且造成到货不及时的,每批订单罚款10元。第4页共5页第3页共5页编号:时间:2021年x月x日书山有路勤为径,学海无涯苦作舟页码:第4页共5页10验货《来料检验处理状况单》《入库单》1.到货后,及时通知仓管和品控部或请购...

1、当您付费下载文档后,您只拥有了使用权限,并不意味着购买了版权,文档只能用于自身使用,不得用于其他商业用途(如 [转卖]进行直接盈利或[编辑后售卖]进行间接盈利)。
2、本站所有内容均由合作方或网友上传,本站不对文档的完整性、权威性及其观点立场正确性做任何保证或承诺!文档内容仅供研究参考,付费前请自行鉴别。
3、如文档内容存在违规,或者侵犯商业秘密、侵犯著作权等,请点击“违规举报”。

碎片内容

新采购管理流程

确认删除?
VIP
微信客服
  • 扫码咨询
会员Q群
  • 会员专属群点击这里加入QQ群
客服邮箱
回到顶部