电脑桌面
添加小米粒文库到电脑桌面
安装后可以在桌面快捷访问

数字监控项目政府采购进行竞争性谈判VIP免费

数字监控项目政府采购进行竞争性谈判_第1页
1/23
数字监控项目政府采购进行竞争性谈判_第2页
2/23
数字监控项目政府采购进行竞争性谈判_第3页
3/23
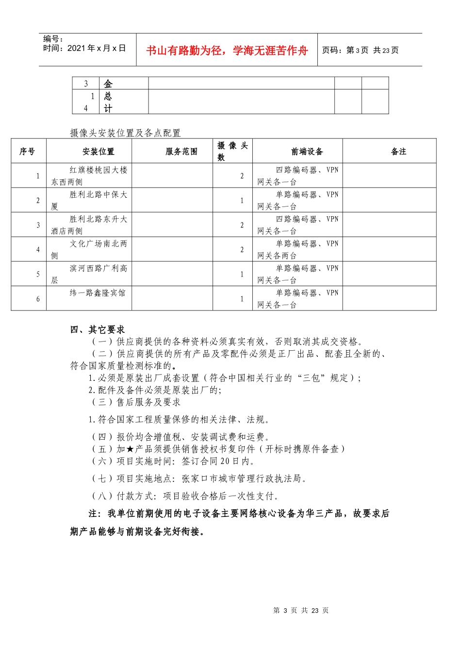
第1页共23页编号:时间:2021年x月x日书山有路勤为径,学海无涯苦作舟页码:第1页共23页第一部分竞争性谈判邀请函河北省张家口市政府采购中心受张家口市城市管理行政执法局的委托,对其所需的数字监控项目政府采购进行竞争性谈判,欢迎合格的供应商就竞争性谈判文件中的全部内容进行报价。一、项目编号:B10—110303二、项目名称:数字监控项目三、项目内容:球型摄像机、单路射频编码器、VPN网关、网络视频存储系统、网络存储硬盘等四、竞争性谈判文件领取时间及地点(一)时间:2011年3月10日至3月15日(工作时间)(二)地点:河北省张家口市桥西区西苑北路36号4楼(乘18路公交车到佳禾住宅小区下车,路东原华航中专)五、投标保证金:谈判前,供应商须向集中采购机构缴纳投标保证金人民币壹万元整。投标保证金缴纳,只接受单位银行汇票(未在张家口市区开户的供应商)及现金支票(已在张家口市区开户的供应商)两种方式,并必须注明“投标保证金”字样(原件必须在谈判时向集中采购机构按时递交)。六、谈判文件递交截止时间:2011年3月18日(星期五)上午10:00整七、谈判地点:河北省张家口市桥西区西苑北路36号4楼(乘18路公交车到佳禾住宅小区下车,路东原华航中专)逾期收到或不符合规定的谈判文件恕不接受。集中采购机构:张家口市政府采购中心地址:河北省张家口市桥西区西苑北路36号4楼(乘18路公交车到佳禾住宅小区下车,路东原华航中专)开户名称:张家口市市级财政支付中心开户银行:建行北站支行账号:13001678608050501703电话:0313—2082165联系人:李超第2页共23页第1页共23页编号:时间:2021年x月x日书山有路勤为径,学海无涯苦作舟页码:第2页共23页第二部分竞争性谈判项目内容及要求一、竞争性谈判项目内容球型摄像机、单路射频编码器、VPN网关、网络视频存储系统、网络存储硬盘等二、现场踏勘投标人应在招标文件发出2日内对项目现场及周围环境自行踏勘。无论投标人是否踏勘过现场(联系电话:03135809993),均被认为在递交投标文件之前已踏勘现场,对本合同项目的风险和义务已经了解,并在其投标文件中已充分考虑了现场和环境因素。踏勘现场所发生的费用由投标人自行承担。三、技术规格及要求序号设备名称设备参数单位数量1球型摄像机DS-2AM1-617X;6寸36倍彩色日夜型(室外)模拟中速智能球;1/4(SONY)CCD540线/600线;一体机ICR台92★单路视频编码器EC1101-HF单路视频编码器(H.264,FullD1,支持EPON接口卡),含电源台43四路视频编码器EC1004-HF四路视频编码器(H.264,FullD1,支持EPON接口卡),含电源台24★VPN网关FC1000-HF主机,交流电源。台75★网络视频存储系统NeoceanVX1500,单64位处理器,2GB缓存,2个GE端口,单电源,含管理软件,最大支持3个扩展柜,共64块SATA硬盘台1NeoceanVX1500磁盘扩展柜台1VX系列首次安装服务,3年基本维保套16网络存储硬盘一体化SATA硬盘(1T),带热插拔托架块167视频电缆国标HYV75-5128编百米58控制电缆国标RVV4×0.5百米59接入电源电缆国标RVV3×1.5百米510防雨设备箱40㎝×40㎜个711辅助材料费12集成费1税第3页共23页第2页共23页编号:时间:2021年x月x日书山有路勤为径,学海无涯苦作舟页码:第3页共23页3金14总计摄像头安装位置及各点配置序号安装位置服务范围摄像头数前端设备备注1红旗楼桃园大楼东西两侧2四路编码器、VPN网关各一台2胜利北路中保大厦1单路编码器、VPN网关各一台3胜利北路东升大酒店两侧2四路编码器、VPN网关各一台4文化广场南北两侧2单路编码器、VPN网关各两台5滨河西路广利高层1单路编码器、VPN网关各一台6纬一路鑫隆宾馆1单路编码器、VPN网关各一台四、其它要求(一)供应商提供的各种资料必须真实有效,否则取消其成交资格。(二)供应商提供的所有产品及零配件必须是正厂出品、配套且全新的、符合国家质量检测标准的。1.必须是原装出厂成套设置(符合中国相关行业的“三包”规定);2.配件及备件必须是原装出厂的;(三)售后服务及要求1.符合国家工程质量保修的相关法律、法规。(四)报价均含增值税、安装调试费和运费。(五)加★产品须提供销售授权书复印件(开标时携原件备查)(六)项目...

1、当您付费下载文档后,您只拥有了使用权限,并不意味着购买了版权,文档只能用于自身使用,不得用于其他商业用途(如 [转卖]进行直接盈利或[编辑后售卖]进行间接盈利)。
2、本站所有内容均由合作方或网友上传,本站不对文档的完整性、权威性及其观点立场正确性做任何保证或承诺!文档内容仅供研究参考,付费前请自行鉴别。
3、如文档内容存在违规,或者侵犯商业秘密、侵犯著作权等,请点击“违规举报”。

碎片内容

数字监控项目政府采购进行竞争性谈判

您可能关注的文档

确认删除?
VIP
微信客服
  • 扫码咨询
会员Q群
  • 会员专属群点击这里加入QQ群
客服邮箱
回到顶部