电脑桌面
添加小米粒文库到电脑桌面
安装后可以在桌面快捷访问

施工组织设计办公楼VIP免费

施工组织设计办公楼_第1页
1/94
施工组织设计办公楼_第2页
2/94
施工组织设计办公楼_第3页
3/94
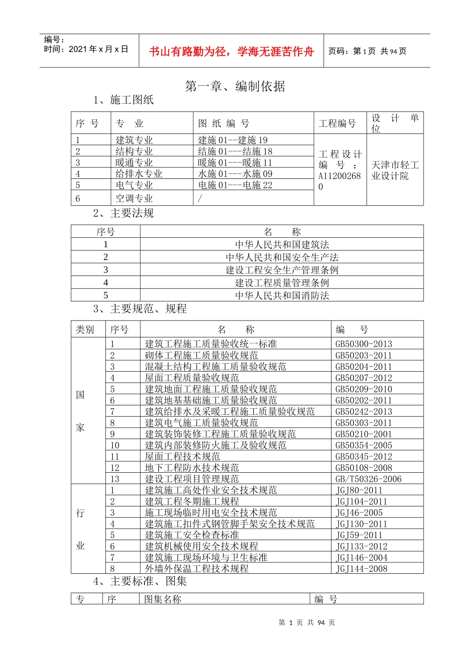
第1页共94页编号:时间:2021年x月x日书山有路勤为径,学海无涯苦作舟页码:第1页共94页第一章、编制依据1、施工图纸序号专业图纸编号工程编号设计单位1建筑专业建施01--建施19工程设计编号:A112002680天津市轻工业设计院2结构专业结施01---结施183暖通专业暖施01---暖施114给排水专业水施01---水施095电气专业电施01---电施226空调专业/2、主要法规序号名称1中华人民共和国建筑法2中华人民共和国安全生产法3建设工程安全生产管理条例4建设工程质量管理条例5中华人民共和国消防法3、主要规范、规程类别序号名称编号国家1建筑工程施工质量验收统一标准GB50300-20132砌体工程施工质量验收规范GB50203-20113混凝土结构工程施工质量验收规范GB50204-20114屋面工程质量验收规范GB50207-20125建筑地面工程施工质量验收规范GB50209-20106建筑地基基础施工质量验收规范GB50202-20117建筑给排水及采暖工程施工质量验收规范GB50242-20138建筑电气施工质量验收规范GB50303-20119建筑装饰装修工程施工质量验收规范GB50210-200110建筑内部装修防火施工及验收规范GB50354-200511屋面工程技术规范GB50345-201212地下工程防水技术规范GB50108-200813建设工程项目管理规范GB/T50326-2006行业1建筑施工高处作业安全技术规范JGJ80-20112建筑工程冬期施工规程JGJ104-20113施工现场临时用电安全技术规范JGJ46-20054建筑施工扣件式钢管脚手架安全技术规范JGJ130-20115建筑施工安全检查标准JGJ59-20116建筑机械使用安全技术规程JGJ133-20127建筑施工现场环境与卫生标准JGJ146-20048外墙外保温工程技术规程JGJ144-20084、主要标准、图集专序图集名称编号第2页共94页第1页共94页编号:时间:2021年x月x日书山有路勤为径,学海无涯苦作舟页码:第2页共94页业号建筑1地面做法05J9092屋面做法05J9093外装修做法10J1214内装修做法05J9095卫生间做法05J9096楼梯做法05J9097室外工程做法05J9098地下室防水做法05J9099无障碍设施做法03J926结构10砌体房屋结构构造新12G0111钢筋混凝土结构构造新12G0212墙下扩张基础新12G0313钢筋混凝土过梁新12G0414现浇混凝土楼梯新12G0515管沟及盖板02J33116现浇混凝土框架、剪力墙、梁板11G101-117现浇混凝土板式楼梯11G101-218独立基础、条形基础、筏形基础及桩基承台11G101-3水暖19穿墙、楼板新02S202S620支、吊架做法S16121板下吊架安装做法新02N422采暖管道保温新02N323其他供暖工程做法新02N1电气24电气竖井设备安装《国标》JSTT-15525线槽配线安装《国标》96SD18126总等电位联结做法《国标》02D501-227建筑防雷设施安装图集《国标》03D501-35、其它序号名称1新疆圣牧高科乳业股份有限公司工程量清单、招标文件、投标方案。2勘察报告:新疆建筑科学研究院3本工程施工合同、招标答疑4中国建筑工业出版社发行的《建筑施工手册》(第五版)5中国建筑项目管理手册6中国建筑技术质量管理文件7中国建筑安全生产管理手册8中国建筑施工现场安全防护标准图册ZJQ00-GL-029-2010第二章、工程概况1、工程建设概况第3页共94页第2页共94页编号:时间:2021年x月x日书山有路勤为径,学海无涯苦作舟页码:第3页共94页序号项目内容1项目名称有机婴幼儿配方奶粉生产线项目办公楼工程2建筑规模5293.46㎡3建筑层数三层4建筑高度12.9m5建设地址兵团乌鲁木齐工业园区6建设单位新疆圣牧高科乳业股份有限公司7设计单位天津市轻工业设计院8地勘单位新疆建筑科学研究院9施工单位新疆三星建工集团有限公司监理单位新疆工程建设项目管理有限公司10质量标准合格11工期目标开工日期:2017年5月13日,竣工日期:2017年11月15日,总日历天数:183天(按实际施工日期)12安全文明目标责任事故死亡率为零,确保无安全事故发生,争创“市文明施工现场”。1施工范围全套施工图纸及工程量清单范围内的所有工作内容2、建筑设计概况序号项目内容1平面布局长×宽=93.6m×21.4m2平面功能分为A区和B区,A区实验区,B区办公区3建筑物性质甲类建筑物4耐火等级防火等级二级5防水等级屋面防水等级II级;6设计年限50年7标高设计标高±0.000m相对于绝对标高:1156.5m。8建筑层数无地下室一层二层三层第4页共94页第3页共94页...

1、当您付费下载文档后,您只拥有了使用权限,并不意味着购买了版权,文档只能用于自身使用,不得用于其他商业用途(如 [转卖]进行直接盈利或[编辑后售卖]进行间接盈利)。
2、本站所有内容均由合作方或网友上传,本站不对文档的完整性、权威性及其观点立场正确性做任何保证或承诺!文档内容仅供研究参考,付费前请自行鉴别。
3、如文档内容存在违规,或者侵犯商业秘密、侵犯著作权等,请点击“违规举报”。

碎片内容

施工组织设计办公楼

确认删除?
VIP
微信客服
  • 扫码咨询
会员Q群
  • 会员专属群点击这里加入QQ群
客服邮箱
回到顶部