电脑桌面
添加小米粒文库到电脑桌面
安装后可以在桌面快捷访问

上海地区嘉定区2019年度初三物理一模卷(含规范标准答案)VIP免费

上海地区嘉定区2019年度初三物理一模卷(含规范标准答案)_第1页
1/9
上海地区嘉定区2019年度初三物理一模卷(含规范标准答案)_第2页
2/9
上海地区嘉定区2019年度初三物理一模卷(含规范标准答案)_第3页
3/9
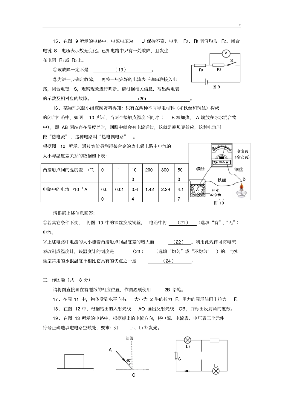
,.2018学年嘉定区九年级第一次质量调研考试理化试卷物理部分(满分150分,考试时间100分钟)物理部分考生注意:1.本试卷物理部分含五大题。2.答题时,考生务必按答题要求在答题纸规定的位置上作答,在草稿纸、本试卷上答题一律无效。一、选择题(共16分)下列各题均只有一个正确选项,请将正确选项的代号用2B铅笔填涂在答题纸的相应位置上,更改答案时,用橡皮擦去,重新填涂。1.能从不同乐器中分辨出小提琴的声音,主要是依据声音的A.响度B.音调C.音色D.速度2.下列各物理量中,可用来鉴别物质的是A.密度B.质量C.力D.体积3.四冲程汽油机在工作时,将机械能转化为内能的是A.吸气冲程B.压缩冲程C.做功冲程D.排气冲程4.下列装置在工作过程中,利用大气压作用的是A.液位计B.液体密度计C.吸盘式挂钩D.船闸5.生活中有许多工具都是杠杆,图1中在使用时属于费力杠杆的是6.如图2所示是滑轮的两种用法,下列说法中正确的是A.甲是定滑轮,使用时可以省力B.甲是动滑轮,使用时不能省力C.乙是定滑轮,使用时不能省力D.乙是动滑轮,使用时可以省力7.在图3所示的电路中,电源电压保持不变。闭合电键S,当滑动变阻器滑片P向右移动时,数值不变的有①电流表A的示数;②电压表V1的示数;③电压表V2的示数;④电压表V1的示数与电流表A的示数的比值。以上四项判断正确的有A.1个B.2个C.3个D.4个图1图2(a)(b)F1甲A乙F2AV1R1PR2AV2图3A.道钉撬B.托盘天平C.筷子D.起瓶器,.8.如图4所示,体积相同的甲、乙实心均匀圆柱体放在水平地面上,且对地面的压强p甲=p乙。现将甲、乙分别从上部沿水平方向切去相同体积,则甲、乙对水平地面的压力变化量ΔF甲和ΔF乙,对水平地面的压强变化量Δp甲和Δp乙关系正确的是A.ΔF甲>ΔF乙,Δp甲>Δp乙B.ΔF甲=ΔF乙,Δp甲=Δp乙C.ΔF甲<ΔF乙,Δp甲>Δp乙D.ΔF甲>ΔF乙,Δp甲=Δp乙二、填空题(共26分)请将结果填入答题纸的相应位置。9.上海市家庭电路的电压是(1)伏,家用空调与电视机是(2)(选填“串联”或“并联”)连接的,当电路中同时工作的家用电器减少时,电路的总电流(3)(选填“变大”、“不变”或“变小”)。10.“嫦娥四号”探测器搭乘长征三号乙运载火箭成功发射,开启了月球背面探测之旅,如图5所示。点火后火箭腾空而起,说明力可以改变物体的(4),火箭和探测器加速上升过程中,探测器的机械能将(5)(选填“变大”、“不变”或“变小”),火箭与大气摩擦产生大量的热,这是通过(6)方式改变物体的内能。11.甲、乙两物体在竖直向上的拉力作用下,沿拉力方向做直线运动,它们的s-t图像如图6所示。则甲物体的速度为(7)米/秒;若乙物体受到的拉力为5牛,经过4秒钟拉力做功为(8)焦,拉力做功的功率为(9)瓦。12.如图7所示是用自拍杆固定手机拍照的情景,手机的镜头相当于(10)(选填“凸透镜”或“凹透镜”),通过镜头所成的是(11)(填“实”或“虚”)像。与直接拿手机自拍相比,使用自拍杆增大了(12)(填“物距”或“像距”)。13.将体积为5×10-4米3、重为6牛的实心物体A用线吊着浸没在水中,如图8所示。物体A受到的浮力为(13)牛;剪断细线的瞬间,物体A受到的合力为(14)牛,它的惯性将(15)(选填“变大”、“不变”或“变小”)。14.若10秒内通过某导体横截面的电荷量为5库,导体两端的电压为4伏,则通过该导体的电流为(16)安,该导体的电阻为(17)欧。如果该导体两端的电压为8伏时,该导体的电阻为(18)欧。甲乙图4136t/秒乙s/米2450甲2468图5图6图7图8A,.VR1R2S图9图10电流表(毫安表)15.在图9所示的电路中,电源电压为U保持不变,电阻R1、R2阻值均为R0。闭合电键S,电压表示数无变化。已知电路中只有一处故障,且发生在电阻R1或R2上。①该故障一定不是(19)。②为进一步确定故障,再将一只完好的电流表正确串联接入电路,闭合电键S,观察现象进行判断。请根据相关信息,写出两电表的示数及相对应的故障。(20)。16.某物理兴趣小组查阅资料得知:只有在两种不同导电材料(如铁丝和铜丝)构成的闭合回路中,如图10所示,当两个接触点温度不同时(B端加热、A端放在冰...

1、当您付费下载文档后,您只拥有了使用权限,并不意味着购买了版权,文档只能用于自身使用,不得用于其他商业用途(如 [转卖]进行直接盈利或[编辑后售卖]进行间接盈利)。
2、本站所有内容均由合作方或网友上传,本站不对文档的完整性、权威性及其观点立场正确性做任何保证或承诺!文档内容仅供研究参考,付费前请自行鉴别。
3、如文档内容存在违规,或者侵犯商业秘密、侵犯著作权等,请点击“违规举报”。

碎片内容

上海地区嘉定区2019年度初三物理一模卷(含规范标准答案)

爱的疯狂+ 关注
实名认证
内容提供者

该用户很懒,什么也没介绍

确认删除?
VIP
微信客服
  • 扫码咨询
会员Q群
  • 会员专属群点击这里加入QQ群
客服邮箱
回到顶部