电脑桌面
添加小米粒文库到电脑桌面
安装后可以在桌面快捷访问

杭州市物联网企业发展情况调查表doc-附件1VIP免费

杭州市物联网企业发展情况调查表doc-附件1_第1页
1/6
杭州市物联网企业发展情况调查表doc-附件1_第2页
2/6
杭州市物联网企业发展情况调查表doc-附件1_第3页
3/6
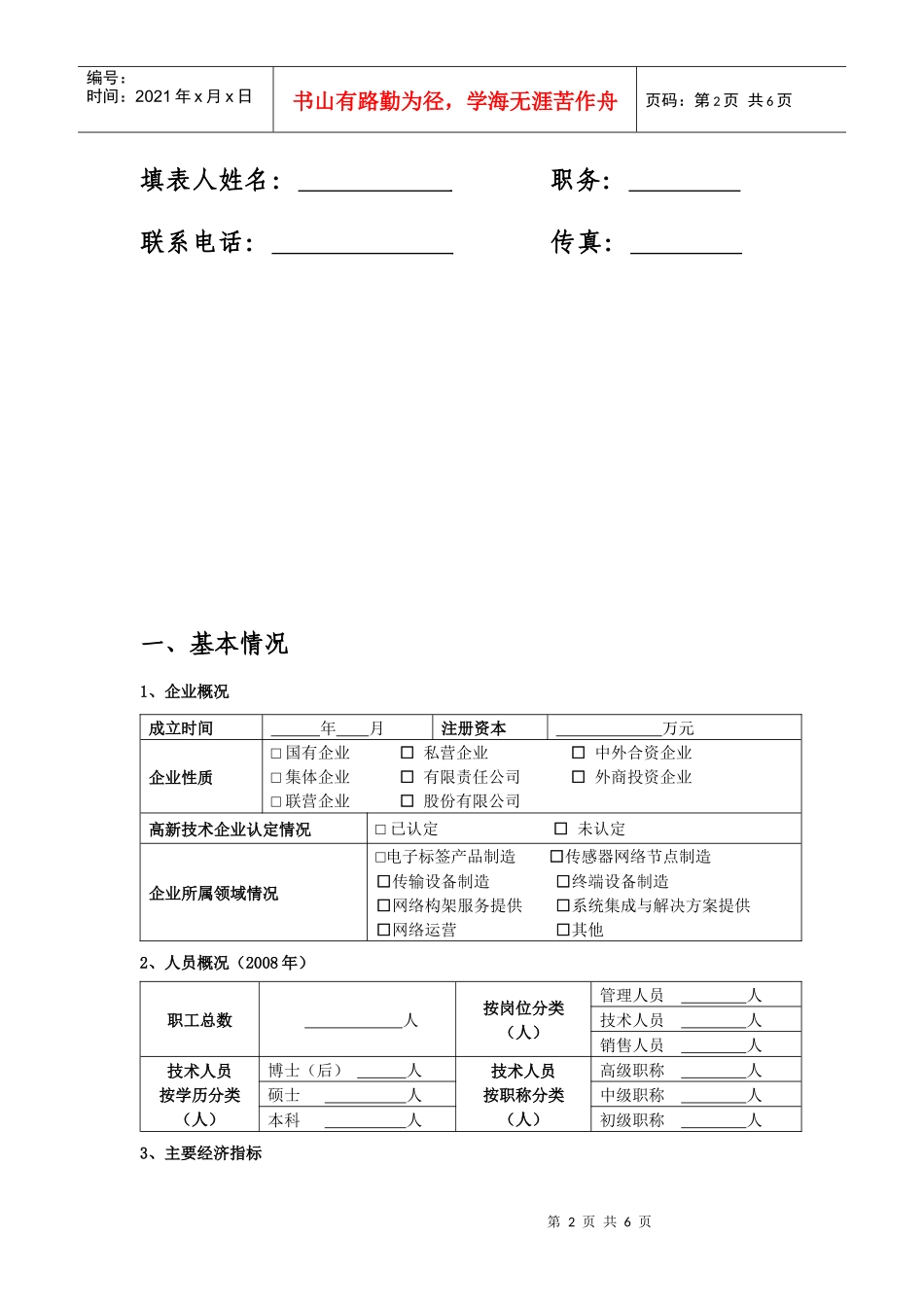
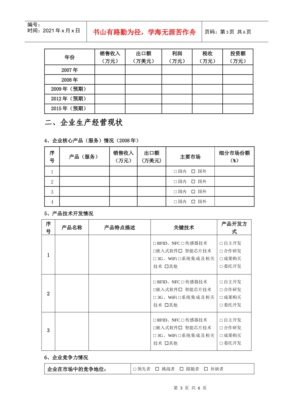
第1页共6页编号:时间:2021年x月x日书山有路勤为径,学海无涯苦作舟页码:第1页共6页附件1杭州市物联网企业发展情况调查表本次调研由杭州市经委组织,旨在了解我市物联网产业发展情况,所获信息用于编制全市物联网产业发展规划,不用于任何商业目的,请结合企业实际如实作答,并在要求时间内上报。如果对问卷有任何疑问,请联系杭州市经委高新处,联系电话:85252043,传真:85252073,电子信箱;sjw.gxc@hz.gov.cn。此调查表可在杭州市工业经济信息网(www.hzjingwei.gov.cn)下载。企业名称(盖章):法人代表:通讯地址:邮编:第2页共6页第1页共6页编号:时间:2021年x月x日书山有路勤为径,学海无涯苦作舟页码:第2页共6页填表人姓名:职务:联系电话:传真:一、基本情况1、企业概况成立时间年月注册资本万元企业性质□国有企业□私营企业□中外合资企业□集体企业□有限责任公司□外商投资企业□联营企业□股份有限公司高新技术企业认定情况□已认定□未认定企业所属领域情况□电子标签产品制造□传感器网络节点制造□传输设备制造□终端设备制造□网络构架服务提供□系统集成与解决方案提供□网络运营□其他2、人员概况(2008年)职工总数人按岗位分类(人)管理人员人技术人员人销售人员人技术人员按学历分类(人)博士(后)人技术人员按职称分类(人)高级职称人硕士人中级职称人本科人初级职称人3、主要经济指标第3页共6页第2页共6页编号:时间:2021年x月x日书山有路勤为径,学海无涯苦作舟页码:第3页共6页年份销售收入(万元)出口额(万美元)利润(万元)税收(万元)投资额(万元)2007年2008年2009年(预期)2012年(预期)2015年(预期)二、企业生产经营现状4、企业核心产品(服务)情况(2008年)序号产品(服务)销售收入(万元)出口额(万美元)主要市场细分市场份额(%)1□国内□国外2□国内□国外3□国内□国外4□国内□国外5、产品技术开发情况序号产品名称产品特点描述关键技术产品开发方式1□RFID、NFC□传感器技术□嵌入式软件□智能芯片技术□3G、WiFi□系统集成及相关技术□其他□自主开发□合作研发□成果购买□委托开发2□RFID、NFC□传感器技术□嵌入式软件□智能芯片技术□3G、WiFi□系统集成及相关技术□其他□自主开发□合作研发□成果购买□委托开发3□RFID、NFC□传感器技术□嵌入式软件□智能芯片技术□3G、WiFi□系统集成及相关技术□其他□自主开发□合作研发□成果购买□委托开发6、企业竞争力情况企业在市场中的竞争地位:□领先者□挑战者□跟随者□补缺者第4页共6页第3页共6页编号:时间:2021年x月x日书山有路勤为径,学海无涯苦作舟页码:第4页共6页企业的竞争优势:□产品□技术□服务□管理□品牌□人才□成本□其他主要竞争对手(主要标杆企业):竞争对手的竞争优势:□产品□技术□服务□管理□品牌□人才□成本□其他三、科研活动情况7、科研投入情况年份科研经费(万元)企业自筹(万元)银行贷款(万元)风险投资(万元)政府资助(万元)占销售收入的比例(%)2007年2008年2009年(预计)2012年(预计)2015年(预计)8、研发机构情况有无独立的研发机构□有□无海外、省外研究机构设立情况□海外家□省外家研发机构类别□国家工程研究中心□国家工程技术研究中心□企业技术中心企业技术中心等级□国家级□省级□市级□无级9、自有专利情况年份发明专利(项)实用新型专利(项)外观设计专利(项)2007年2008年2009年2012年(预计)2015年(预计)10、产学研合作情况有无产学研合作□有□无序号合作院校/研究机构名称总体合作情况第5页共6页第4页共6页编号:时间:2021年x月x日书山有路勤为径,学海无涯苦作舟页码:第5页共6页1□满意□一般□不满意23四、企业未来发展情况11、未来企业发展领域及方式(可多选)发展领域□电子标签产品制造□传感器网络节点制造□传输设备制造□终端设备制造□网络构架服务提供□系统集成与解决方案提供□网络运营□其他发展方式□自主投资□兼并收购□合作(参股/控股)□其他五、存在问题及政策建议12、企业遇到的主要问题(可多选)□人才难招□人才流失严重□资金缺乏□土地紧缺□...

1、当您付费下载文档后,您只拥有了使用权限,并不意味着购买了版权,文档只能用于自身使用,不得用于其他商业用途(如 [转卖]进行直接盈利或[编辑后售卖]进行间接盈利)。
2、本站所有内容均由合作方或网友上传,本站不对文档的完整性、权威性及其观点立场正确性做任何保证或承诺!文档内容仅供研究参考,付费前请自行鉴别。
3、如文档内容存在违规,或者侵犯商业秘密、侵犯著作权等,请点击“违规举报”。

碎片内容

杭州市物联网企业发展情况调查表doc-附件1

您可能关注的文档

精华资料店+ 关注
实名认证
内容提供者

大量教育教学资料

确认删除?
VIP
微信客服
  • 扫码咨询
会员Q群
  • 会员专属群点击这里加入QQ群
客服邮箱
回到顶部