电脑桌面
添加小米粒文库到电脑桌面
安装后可以在桌面快捷访问

板外墙外保温施工组织设计VIP免费

板外墙外保温施工组织设计_第1页
1/20
板外墙外保温施工组织设计_第2页
2/20
板外墙外保温施工组织设计_第3页
3/20
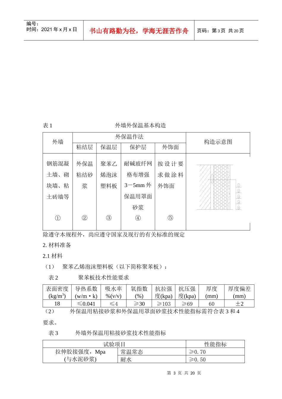
第1页共20页编号:时间:2021年x月x日书山有路勤为径,学海无涯苦作舟页码:第1页共20页目录第一部分一、外墙外保温施工工艺二、质量标准三、质量保证措施四、实现质量目标措施五、成品保护措施六、其他注意事项七、材料节约措施八、安全及文明措施九、安全保证体系十、外保温细部做法附图第2页共20页第1页共20页编号:时间:2021年x月x日书山有路勤为径,学海无涯苦作舟页码:第2页共20页一.外墙外保温施工工艺(一)、施工依据:由于外墙保温施工图集、标准均不统一,主要原因在于主料的变化,且现行图集中部分内容亦不适应现场施工的需要,因此参照依据如下:1、外墙外保温用聚合物砂浆质量检验评定标准。2、建筑节能工程施工质量验收规范3、外墙外保温技术规程JGJ144---20044、《民用建筑热工设计规范》GB50176(二)、工程概况和施工做法1.总则1.1本工程为名门国际东塔楼外墙外保温及涂饰工程,是以聚苯乙烯泡沫塑料为保温材料,耐碱玻纤网格布为增强材料,外墙外保温专用粘接砂浆做粘结剂和外墙外保温专用罩面砂浆作面层的建筑外墙外保温体系。该外墙外保温体系基本构造见表1:1.2窗台滴水线详见附图。分割线不宜采用在聚苯板上报槽,玻纤网格布不易压入槽内,在外保温工程结束后可以让做外涂料一起做,这样及不会渗水也可以避免二次污染和二次返工第3页共20页第2页共20页编号:时间:2021年x月x日书山有路勤为径,学海无涯苦作舟页码:第3页共20页表1外墙外保温基本构造外墙外保温作法构造示意图粘结层保温层保护层外饰面钢筋混凝土墙、砌块墙、粘土砖墙等①外保温粘结砂浆②聚苯乙烯泡沫塑料板③耐碱玻纤网格布增强3-5mm外保温用罩面砂浆④按设计要求做涂料外饰面⑤除遵守本规程外,尚应遵守国家及现行的有关标准的规定2.材料准备2.1材料(1)聚苯乙烯泡沫塑料板(以下简称聚苯板):表2聚苯板技术性能要求表面密度(kg/m3)导热系数(w/m·k)吸水率%(v/v)氧指数(%)抗拉强度(kpa)抗压强度(kpa)厚度(mm)厚度偏差(mm)18≤0.041≤4≥30≥103≥6960±2(2)外保温用粘接砂浆和外保温用罩面砂浆技术性能指标需符合表3和4要求。表3外墙外保温用粘接砂浆技术性能指标试验项目性能指标拉伸胶接强度,Mpa(与水泥砂浆)常温常态≥0.70耐水≥0.50第4页共20页第3页共20页编号:时间:2021年x月x日书山有路勤为径,学海无涯苦作舟页码:第4页共20页耐冻融(冻融循环25次)≥0.50抗拉胶接强度,Mpa(与18±1kg/m3膨胀聚苯板)常温常态≥0.10且聚苯板破坏耐水≥0.10且聚苯板破坏可操作时间,h≥2表4外墙外保温罩面用砂浆性能指标试验项目性能指标拉伸胶接强度,Mpa(与水泥砂浆)常温常态≥0.70耐温≥0.50耐水≥0.50抗拉胶接强度,Mpa(与18±1kg/m3膨胀聚苯板)常温常态≥0.10且聚苯板破坏耐水≥0.10且聚苯板破坏耐冻融≥0.10且聚苯板破坏可操作时间,h≥2柔韧性,28d压折比(抗压强度/抗折强度)≤3抗裂性(厚度5mm以下)无裂纹(3)耐碱玻璃纤维涂塑网格布(以下简称网格布):耐碱性能应符合《耐碱玻璃纤维无捻粗纱》(JC/T572-94)中对耐碱性的要求。建筑密封材料:建筑密封膏,应符合《建筑密封膏》(JCC482∽484-92)标准要求。(4)发泡聚乙烯圆棒:用于填塞膨胀缝,作密封膏的背衬材料,其直径按缝宽的1.3倍选用。(5)金属护角及塑料U形条。2.2主要施工工具电热切割丝、手锯、壁纸刀、螺丝刀、剪刀、扫帚、钢丝刷、墨斗、棕刷、电动搅拌器、冲击钻、抹子、打磨抹子、压子、阴阳角抿子、托线板、2m靠尺第5页共20页第4页共20页编号:时间:2021年x月x日书山有路勤为径,学海无涯苦作舟页码:第5页共20页等2.3施工条件2.3.1外墙和外门窗口施工及验收完毕,基面达到《建筑工程质量验收统一标准》(GB50300—2001)中验收要求中的要求。2.3.2操作地点环境温度和基底温度不低于5℃、风力不大于5级,雨雪天不能施工。2.3.3由土建方清除施工基层上的浮灰、疏松物油污和其他废弃物,油污用10%NaOH溶液清洗并用清水冲净。2.3.4甲方要在我方施工前安装且验收完毕。2.3.5外墙螺栓孔土建方要在我方施工前堵实。3.施工工艺3.1.本作法采用由下到上施工,按“示意图1”的程序施工。3.2.1结构墙体基面必须清理干净,并...

1、当您付费下载文档后,您只拥有了使用权限,并不意味着购买了版权,文档只能用于自身使用,不得用于其他商业用途(如 [转卖]进行直接盈利或[编辑后售卖]进行间接盈利)。
2、本站所有内容均由合作方或网友上传,本站不对文档的完整性、权威性及其观点立场正确性做任何保证或承诺!文档内容仅供研究参考,付费前请自行鉴别。
3、如文档内容存在违规,或者侵犯商业秘密、侵犯著作权等,请点击“违规举报”。

碎片内容

板外墙外保温施工组织设计

确认删除?
VIP
微信客服
  • 扫码咨询
会员Q群
  • 会员专属群点击这里加入QQ群
客服邮箱
回到顶部