电脑桌面
添加小米粒文库到电脑桌面
安装后可以在桌面快捷访问

匀速圆周运动知识点复习VIP免费

匀速圆周运动知识点复习_第1页
1/6
匀速圆周运动知识点复习_第2页
2/6
匀速圆周运动知识点复习_第3页
3/6
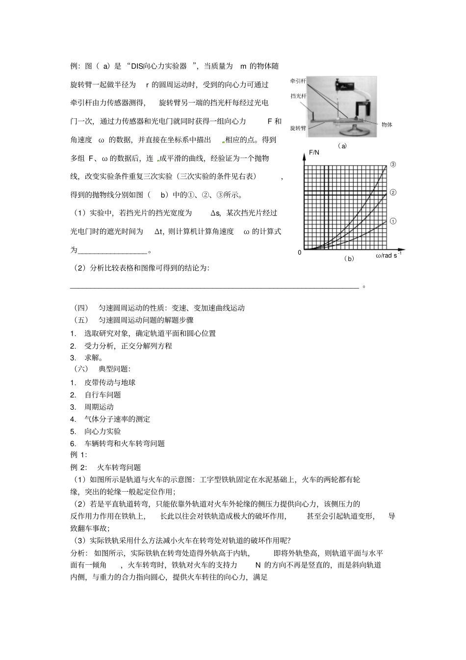
匀速圆周运动知识点复习(一)匀速圆周运动定义:任意相等时间内通过的弧长都相等的圆周运动—理想化模型。(二)特征物理量:为了描述匀速圆周运动的快慢引入的物理量1.线速度(矢量):(1)tsv/(比值法定义)单位—m/s(2)方向:圆周轨迹的切线方向2.角速度(矢量):(1)t/(比值法定义)单位—rad/s(2)方向:右手螺旋定则3.周期T(s)转速n(r/s或r/min):当单位时间取秒时,转速n与频率f在数值上相等关系:T=1/n4.关系:RvnTt22RRnTRtsv22判断:根据Rv,v与R成正比(F)(三)匀速圆周运动的条件引入:物体做曲线运动的条件:切向力改变速度大小,法向力改变速度方向。1.条件:(1)初速度0v;(2)RnmRTmvmRvmmRFFvF22222244,向合合2.说明:(1)向心力:效果力——只改变速度方向,不改变速度大小,由实际受的性质力提供。变力——方向始终指向圆心(2)向心力产生的加速度叫做向心加速度,方向指向圆心;向心加速度描述速度方向变化的快慢RnRTvRvRaava22222244,向合合(3)DIS实验探究向心力与哪些因素有关,什么关系。【实验前】猜测向心力与哪些因素有关?质量m、轨道半径r、角速度即),,(rmFF——控制变量法【实验仪器】小球三个(质量不等,作为研究对象),DIS向心力实验器(力传感器——测向心力、光电门传感器——测角速度)【实验过程】1.控制小球质量m、圆周运动的半径r不变,研究向心力F与转动角速度之间点的关系;作出F-抛物线后再作2F直线,结论2F2.控制小球质量m、转动角速度不变,研究向心力F与转动半径r的关系;结论rF;3.控制轨道半径r、转动角速度不变,研究向心力F与小球质量m的关系:结论mF;4.得到结论:2mrF例:图(a)是“DIS向心力实验器”,当质量为m的物体随旋转臂一起做半径为r的圆周运动时,受到的向心力可通过牵引杆由力传感器测得,旋转臂另一端的挡光杆每经过光电门一次,通过力传感器和光电门就同时获得一组向心力F和角速度ω的数据,并直接在坐标系中描出相应的点。得到多组F、ω的数据后,连成平滑的曲线,经验证为一个抛物线,改变实验条件重复三次实验(三次实验的条件见右表),得到的抛物线分别如图(b)中的①、②、③所示。(1)实验中,若挡光片的挡光宽度为Δs,某次挡光片经过光电门时的遮光时间为Δt,则计算机计算角速度ω的计算式为_________________。(2)分析比较表格和图像可得到的结论为:_______________________________________________________________________。(四)匀速圆周运动的性质:变速、变加速曲线运动(五)匀速圆周运动问题的解题步骤1.选取研究对象,确定轨道平面和圆心位置2.受力分析,正交分解列方程3.求解。(六)典型问题:1.皮带传动与地球2.自行车问题3.周期运动4.气体分子速率的测定5.向心力实验6.车辆转弯和火车转弯问题例1:例2:火车转弯问题(1)如图所示是轨道与火车的示意图:工字型铁轨固定在水泥基础上,火车的两轮都有轮缘,突出的轮缘一般起定位作用;(2)若是平直轨道转弯,只能依靠外轨道对火车外轮缘的侧压力提供向心力,该侧压力的反作用力作用在铁轨上,长此以往会对铁轨造成极大的破坏作用,甚至会引起轨道变形,导致翻车事故;(3)实际铁轨采用什么方法减小火车在转弯处对轨道的破坏作用呢?分析:如图所示,实际铁轨在转弯处造得外轨高于内轨,即将外轨垫高,则轨道平面与水平面有一倾角,火车转弯时,铁轨对火车的支持力N的方向不再是竖直的,而是斜向轨道内侧,与重力的合力指向圆心,提供火车转往的向心力,满足(a)牵引杆挡光杆旋转臂物体ω/rad·s-10○1○3○2(b)F/NRmvmg20tan,(R是转弯处轨道半径)所以tan0gRv(4)讨论:当0vv时,tanmg恰好提供所需向心力,轮缘对内外轨道均无压力;当0vv时,tanmg不足以提供所需向心力,需要外轨道对外轮轮缘施加一个侧压力,补充不足的向心力,此时火车轮缘对外轨道由侧压力;当0vv时,tanmg大于所需向心力,需要内轨道对内轮轮缘施加一个侧压力,此时火车轮缘对内轨道由侧压力;由以上分析可知,为何在火车转弯处设有限速标志。练习:火车转弯,为保证行车安全,外轨内轨,若轨道平面倾角为,弯道半径为R,火车安全行...

1、当您付费下载文档后,您只拥有了使用权限,并不意味着购买了版权,文档只能用于自身使用,不得用于其他商业用途(如 [转卖]进行直接盈利或[编辑后售卖]进行间接盈利)。
2、本站所有内容均由合作方或网友上传,本站不对文档的完整性、权威性及其观点立场正确性做任何保证或承诺!文档内容仅供研究参考,付费前请自行鉴别。
3、如文档内容存在违规,或者侵犯商业秘密、侵犯著作权等,请点击“违规举报”。

碎片内容

匀速圆周运动知识点复习

您可能关注的文档

爱的疯狂+ 关注
实名认证
内容提供者

该用户很懒,什么也没介绍

确认删除?
VIP
微信客服
  • 扫码咨询
会员Q群
  • 会员专属群点击这里加入QQ群
客服邮箱
回到顶部