电脑桌面
添加小米粒文库到电脑桌面
安装后可以在桌面快捷访问

某外墙保温施工组织设计VIP免费

某外墙保温施工组织设计_第1页
1/42
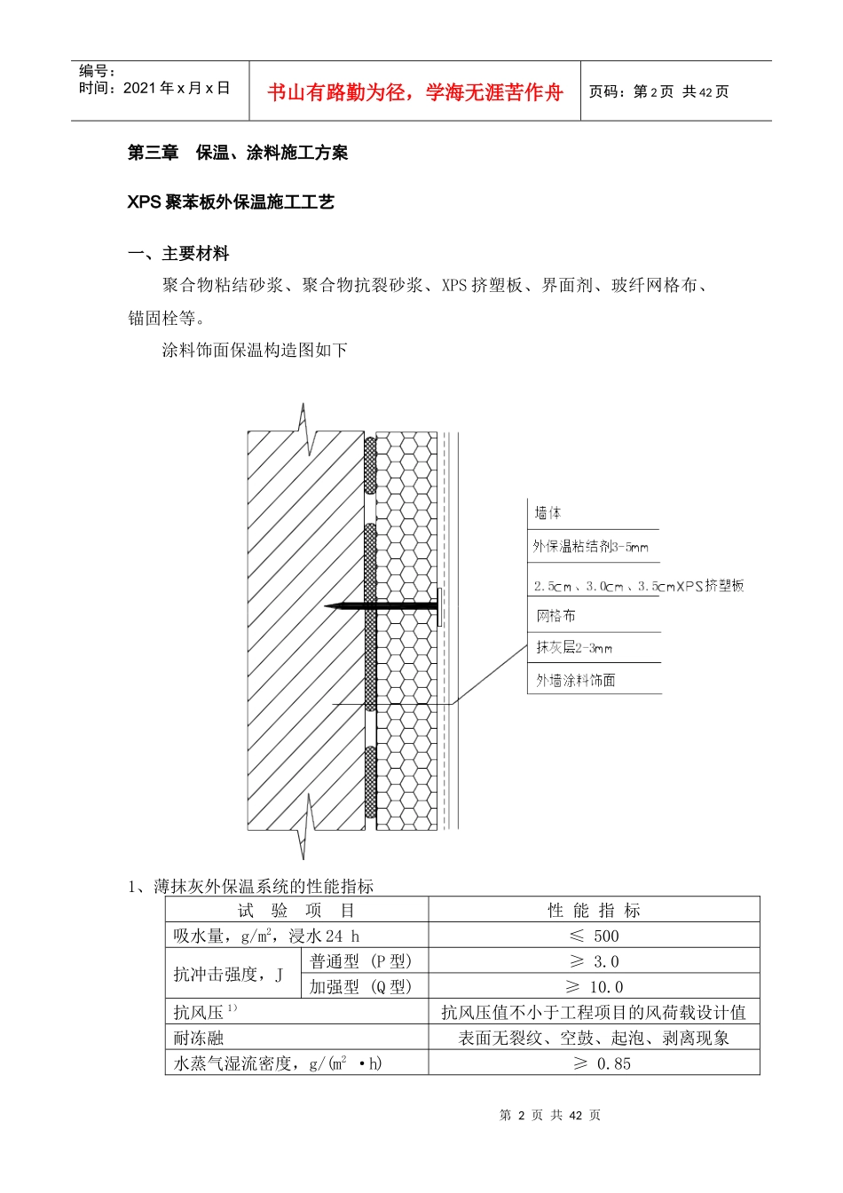
某外墙保温施工组织设计_第2页
2/42
某外墙保温施工组织设计_第3页
3/42
第1页共42页编号:时间:2021年x月x日书山有路勤为径,学海无涯苦作舟页码:第1页共42页*******置业有限公司外墙保温、涂料工程第一章本设计方案编制范围及编制依据第一节:编制范围******住宅项目外墙外保温系统、涂料系统供应及安装工程。使用上海“******”外墙外保温系统及上海“******”外墙涂料系统。第二节:编制依据1、业主提供的施工图纸2、《外墙外保温建筑构造》(99J121-2)3、《建筑结构荷载规范》(GB50009-2001)4、《外墙外保温施工技术规程》(DBJ/T01-38-2002)5、《外墙外保温工程技术规程》(JG144-2004)6、《国家住宅建筑构造》(03J930-1)7、《国家外墙外保温建筑构造(一)》(02J121-1)8、《国家外墙外保温建筑构造(二)》(99J121-2)9、《国家外墙外保温建筑构造(三)》(06J121-3)10、《膨胀聚苯板薄抹灰外墙外保温系统》(JG149-2003)11、《民用建筑节能工程施工质量验收规程》(DGJ32/J19-2006)12、《绝热用模塑聚苯乙稀泡沫塑料》(GB/T10801.1-2002)13、《建筑节能工程施工质量验收规程》(DB50411-2007)14、《江苏省民用建筑热环境与节能设计标准》(DB32/478-2001)15、本公司制定的企业施工规程及图集第二章工程概况本工程为******住宅项目外墙外保温系统、涂料系统供应及安装工程。本项目楼层为多层及小高层,外墙保温采用25mm、30mm、35mm厚XPS挤塑板外墙保温系统及25mm、30mm厚的聚苯颗粒保温砂浆系统。饰面材料为弹性涂料及湿贴石材,XPS保温系统饰面为弹性涂料、聚苯颗粒保温砂浆系统饰面为湿贴石材。第2页共42页第1页共42页编号:时间:2021年x月x日书山有路勤为径,学海无涯苦作舟页码:第2页共42页第三章保温、涂料施工方案XPS聚苯板外保温施工工艺一、主要材料聚合物粘结砂浆、聚合物抗裂砂浆、XPS挤塑板、界面剂、玻纤网格布、锚固栓等。涂料饰面保温构造图如下1、薄抹灰外保温系统的性能指标试验项目性能指标吸水量,g/m2,浸水24h≤500抗冲击强度,J普通型(P型)≥3.0加强型(Q型)≥10.0抗风压1)抗风压值不小于工程项目的风荷载设计值耐冻融表面无裂纹、空鼓、起泡、剥离现象水蒸气湿流密度,g/(m2·h)≥0.85第3页共42页第2页共42页编号:时间:2021年x月x日书山有路勤为径,学海无涯苦作舟页码:第3页共42页不透水性试样防护层内侧无水渗透耐候性1)表面无裂纹、粉化、剥落现象1)可由设计或供需双方协商确定。2、胶粘剂的性能指标试验项目性能指标拉伸粘接强度,MPa(与水泥砂浆)原强度≥0.60耐水≥0.40拉伸粘接强度1),MPa(与膨胀聚苯板)原强度≥0.10,破坏界面在膨胀聚苯板上耐水≥0.10,破坏界面在膨胀聚苯板上可操作时间,h1.5~4.03、抹面胶浆的性能指标试验项目性能指标拉伸粘接强度,MPa(与膨胀聚苯板)原强度≥0.10,破坏界面在膨胀聚苯板上耐水≥0.10,破坏界面在膨胀聚苯板上耐冻融≥0.10,破坏界面在膨胀聚苯板上柔韧性抗压强度/抗折强度(水泥基)≤3.0开裂应变(非水泥基),%≥1.5可操作时间,h1.5~4.04、锚栓技术性能指标试验项目技术指标单个锚栓抗拉承载力标准值,kN≥0.60单个锚栓对系统传热增加值,W/(K·m2)≤0.0045、耐碱网布主要性能指标试验项目性能指标单位面积质量,g/m2≥130耐碱断裂强力(经、纬向),N/50mm≥750耐碱断裂强力保留率(经、纬向),%≥50断裂应变(经、纬向),%≤5.06、其他各产品符合各省市地方标准第4页共42页第3页共42页编号:时间:2021年x月x日书山有路勤为径,学海无涯苦作舟页码:第4页共42页二、作业条件1、总包方为本工程提供室外垂直运输设备、现场仓库。现场施工及生活所需的水电及工人住宿的临建设施等。2、外脚手架按外装修用脚手架改装完毕,并经安全人员检查合格,在施工中配架子工翻铺板子。3、基层墙体施工质量须验收合格,墙面的水泥灰浆应清除,墙表面的凸起物应剔除,外墙上的锣栓点堵严。4、门窗框或辅框及墙身上各种进埋管件架按设计安装完毕,并按保温系统厚度留出空隙。5、主要材料:聚合物砂浆、聚苯板、锚固件、镀锌钢丝网等6、施工机具:外接电源设备、电动搅拌器、角磨机、电锤、称量衡器、密齿手锯、壁纸刀、剪刀、钢丝刷、腻子刀、抹子、阴阳...

1、当您付费下载文档后,您只拥有了使用权限,并不意味着购买了版权,文档只能用于自身使用,不得用于其他商业用途(如 [转卖]进行直接盈利或[编辑后售卖]进行间接盈利)。
2、本站所有内容均由合作方或网友上传,本站不对文档的完整性、权威性及其观点立场正确性做任何保证或承诺!文档内容仅供研究参考,付费前请自行鉴别。
3、如文档内容存在违规,或者侵犯商业秘密、侵犯著作权等,请点击“违规举报”。

碎片内容

某外墙保温施工组织设计

确认删除?
VIP
微信客服
  • 扫码咨询
会员Q群
  • 会员专属群点击这里加入QQ群
客服邮箱
回到顶部